Маркировка взрывозащиты
1Ехmb[ib]IICT4GbX
Исполнение
Искробезопасный
Частота мигания светового сигнала, Гц
0,5 - 2
Длина кабеля, м
1,5 (под заказ до 30)
Интерфейс
RS-485
По способу подключения
Адресный, четырехпроводный
Протокол связи в сети
Дозор-07а
Защитная оболочка выводов, проводов
Металлический гофрошланг
Тип свечения лампы, светодиодов
Мигающий, постоянный (по заявке)
по исполнению ввода
На 1-ин кабельный ввод
Крепление
На вертикальную поверхность
Управление прибором
Перемычками и ППКОП
Материал
Поликарбонат
Тип оповещения
Световой
Тип изделия
Световой оповещатель взрывозащищённый, адресный
Напряжение питания, В
DC (10,5 - 28)/0,3A
Ток потребления. мА
210
Потребляемая мощность, Вт
4
Диапазон рабочих температур, °С
-60...+75
Степень защиты, IP
66
Габаритные размеры, мм
390х170х60
Масса, кг
2,5
ЭКРАН-а-С-К1 ВЫХОД
Данный товар находится в архиве!
Возможность поставки уточняйте у менеджера!!
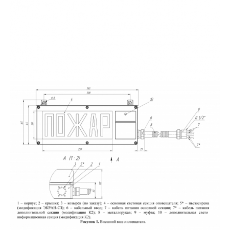
ЭКРАН-а-С-К1 ВЫХОД - взрывозащищенный адресный световой оповещатель (Табло) без дополнительных секций, постоянным (по заявке) или мигающим свечением надписи, внутренней искробезопасной цепи (ib) и напряжением питания цепей оповещения (10,5 - 28В) предназначен в качестве средства оповещения в системах пожарной сигнализации во взрывоопасных зонах.
Оповещатель предназначен для работы только в составе адресного шлейфа приборов с поддержкой протокола «Дозор-07а».
К линии связи оповещатели подключаются параллельно без соблюдения полярности.
Питание электрической схемы оповещателя осуществляется от адресного шлейфа.
К линии внешнего источника питания цепи оповещения подключаются строго соблюдая полярность.
В стандартной комплектации изделие поставляется с выведенным кабелем в металлорукаве длиной 1,5 метра.
Текст, пиктограмы, цвет надписи, фон табло принимается по заявке.
При необходимости, длина кабеля и металлорукава может быть изменина от 1,5 до 30 метров - в заявке указывается длина кабеля (L каб.) и длина металлорукава (L м.р.).
Особенности:
- размеры информационного поля основной секции 250х100 мм;
- выпускается в корпусе из поликарбоната;
- предусмотрена установка козырька (Приобретается отдельно!!!);
- эксплуатация в жестких климатических условиях: от -60 до +75 °C;
- предусмотрена замена надписи без демонтажа изделия;
- высокая пылевлагонепроницаемость IP66;
- высококонтрастные надписи табло;
- виброустойчивость (заливка компаундом);
- контроль цепи питания на обрыв и короткое замыкание (только при питании от внешнего источника питания);
- питание и информационный обмен осуществляются по 4-х проводной линии: 2 провода -линия связи RS-485 (протокол Дозор-07а), 2 провода - питание.
- -а-С_СЗ_СУ разн прот Дозор-07а (табло взрыво свет_звук_комбинир 12_24_220В -60+75 IP66) 2018г
- -1А (ППКОПУ адрес) 2013г. руковод
- -1А (руководство по ПО) 2011г
- -Ех (построение адрес-аналог пож взрыво сист Эридан) рекоменд 2017г
- -Ех (построение адрес-аналог пож взрыво сист Эридан) рекоменд 2016г
- вводы для извещ Эридан 2018г
Ввиду того, что изделие может быть модифицировано, сведения, представленные на данной странице (изображение, характеристики, документация и т.п.), могут отличаться от фактических особенностей товара. За дополнительной информацией обращайтесь в техническую поддержку.
-
Охранно-пожарная сигнализация
-
Адресные системы
-
Радиоканальные системы
-
Астра-Р (ТЕКО)
-
Астра-РИ (ТЕКО)
-
Астра-РИ-М (ТЕКО)
-
Астра-Прайм (ТЕКО)
-
Астра-Zитадель (ТЕКО)
-
Ладога-РК (Риэлта)
-
С2000Р (Болид)
-
ВЕКТОР-АР (Сибирский Арсенал)
-
ВЕТТА-2020 (Сибирский Арсенал)
-
ГРАНИТ-РК (Сибирский Арсенал)
-
Риф-Ринг-1 (Альтоника)
-
Риф-Ринг-2 (Альтоника)
-
Риф-Ринг-701 (Альтоника)
-
Риф-Ринг-200 (Альтоника)
-
Lonta Optima (Альтоника)
-
Lonta-202 (Альтоника)
-
ACS (GSN)
-
-
GSM системы
-
Приборы приемно-контрольные
-
Извещатели охранные для помещений
-
Извещатели магнитоконтактные
-
Извещатели тревожной сигнализации
-
Извещатели разбития стекла акустические
-
Извещатели разбития стекла ударноконтактные
-
Извещатели движения ультразвуковые
-
Извещатели движения инфракрасные объемные
-
Извещатели движения пассивные инфракрасные поверхностные (штора)
-
Извещатели движения пассивные инфракрасные линейные (коридор)
-
Извещатели движения пассивные инфракрасные потолочные
-
Извещатели движения комбинированные
-
Извещатели совмещенные
-
Извещатели вибрационные и емкостные
-
-
Извещатели охраны периметра
-
Извещатели охраны периметра линейные ИК-активные
-
Извещатели охраны периметра линейные радиоволновые для установки на открытых участках
-
Извещатели охраны периметра ИК-пассивные
-
Извещатели охраны периметра объемные радиоволновые
-
Извещатели охраны периметра комбинированные
-
Извещатели охраны периметра проводно-волновые
-
Извещатели охраны периметра вибрационные
-
-
Извещатели пожарные
-
Извещатели дымовые 2-х проводные
-
Извещатели дымовые 4-х проводные
-
Извещатели дымовые автономные
-
Извещатели дымовые линейные
-
Извещатели дымовые аспирационные
-
Извещатели тепловые максимальные (пороговые)
-
Извещатели тепловые максимально-дифференциальные
-
Извещатели линейные тепловые пожарные
-
Извещатели пламени
-
Извещатели ручные
-
Извещатели комбинированные
-
-
Извещатели аварийные
-
Оповещатели
-
Светильники и аварийное освещение
-
Системы активной защиты
-
Распродажа
-
-
Системы охранного телевидения
-
Системы контроля и управления доступом
-
Домофоны
-
IP-домофония
-
Идентификаторы
-
Кнопки выхода
-
Считыватели
-
Кодовые панели
-
Автономные устройства контроля доступа
-
Сетевые системы контроля доступа
-
Биометрический контроль доступа
-
Системы обратной и диспетчерской связи
-
Замки
-
Электрозащелки
-
Доводчики
-
Турникеты
-
Калитки
-
Ограждения
-
Шлагбаумы
-
Автоматика для ворот
-
Досмотровое оборудование
-
-
Системы оповещения
и управление эвакуацией-
СОУЭ Тромбон
-
СОУЭ Ария (Электротехника и Автоматика)
-
СОУЭ Соната (ВИСТЛ)
-
СОУЭ С (ИП Раченков)
-
СОУЭ МЕТА
-
СОУЭ Октава (Полисервис)
-
СОУЭ Рокот (Сибирский Арсенал)
-
СОУЭ РЕЧОР (РУССБЫТ)
-
СОУЭ РЕЧОР-АТ (АНТИТЕРРОР) (РУССБЫТ)
-
СОУЭ ПКИ-Р (СпецКомИнтегРо)
-
Системы оповещения о пожаре Asenware
-
СОУЭ ROXTON
-
Звуковое оборудование RORSYS
-
СОУЭ JDM
-
СОУЭ MKV
-
СОУЭ ZVON
-
СОУЭ INTER-М
-
-
Взрывозащищенное оборудование
-
Извещатели пожарные взрывозащищенные
-
Извещатели пожарные тепловые резервуарные
-
Извещатели пожарные тепловые точечные
-
Извещатели пожарные тепловые максимально-дифференциальные
-
Извещатели пожарные дымовые
-
Извещатели пожарные комбинированные
-
Извещатели пожарные ручные взрывозащищенные
-
Извещатели пожарные пламени взрывозащищенные
-
Комплектующие к пожарным извещателям
-
-
Извещатели пожарные линейные взрывозащищенные
-
Извещатели охранные взрывозащищенные
-
Извещатели аварийные взрывозащищенные
-
Оповещатели взрывозащищенные
-
Табло оповещения взрывозащищённое
-
Приборы приемно-контрольные и пульты управления взрывозащищенные
-
Адресные взрывозащищенные системы
-
Посты управления взрывозащищенные
-
Системы видеонаблюдения взрывозащищенные
-
Системы контроля доступа взрывозащищенные
-
Громкоговорители взрывозащищенные
-
Коробки коммутационные взрывозащищенные
-
Барьеры искрозащиты
-
Кабельные вводы взрывозащищенные
-
-
Источники вторичного электропитания
-
Расходные и монтажные материалы
-
Средства пожаротушения
-
Первичные средства пожаротушения
-
Порошковое пожаротушение
-
Водяное пожаротушение
-
Аэрозольное пожаротушение
-
Газовое пожаротушение
-
Автономные установки пожаротушения
-
Клапан сброса избыточного давления КСИД
-
Водопенное оборудование
-
Шкафы пожарные
-
Дымоудаление
-
Средства защиты и спасения
-
Знаки безопасности и плакаты
-
-
Сетевое оборудование