Время резерва, час
6
Буфер событий
10 000
Исполнение
Напольный(ая)
Количество карт
1000
Высота,мм
1104
Встраиваемый АКБ
1х7,5 Ач (в составе Курс-100)
Количество поддерживаемых считывателей
2
Количество светодиодов, шт.
3
Пропускная способность, чел./мин.
30 - 60
Ширина перекрытия прохода, мм
600
Встроенный считыватель
Em-Marine (Портал вар.10)
Тип считывателя (без считывателя-о ключи ТМ-тм карты-к)
Em-Marine (с поддерж ТМ)
Интерфейс
Ethernet
Дополнительное оборудование
Встроен. контроллер, пульт ДПУ, планки
Интеграция с оборудованием или ПО
ИСБ Лавина
Материал
Корпус - сталь крашенная.; крышка и планки - нерж. сталь
Цвет
Светло-серый
Индикация
Световая
Тип изделия
Турникет-трипод
Напряжение питания, В
12 (через адаптер 198 - 242 В)
Ток потребления. мА
227
Потребляемая мощность, Вт
50
Диапазон рабочих температур, °С
0...+40
Степень защиты, IP
20
Габаритные размеры, мм
771х804х1104
Масса, кг
30
Турникет SA-302 (считыватель EM-marine)
Данный товар находится в архиве!
Возможность поставки уточняйте у менеджера!!
SA-302 - турникет - трипод предназначен для организации проходной на любом предприятии, офисе, бизнес-центрах.
Турникет может работать в интегрированной системе безопасности «Лавина» или в автономном режиме.
Все необходимые функции проходной выполняются дополнительным оборудованием, встроенным в корпус турникета.
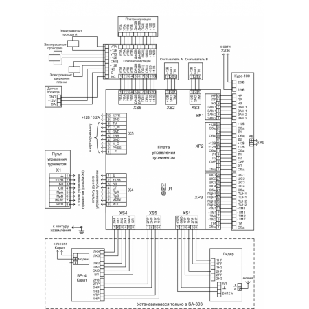
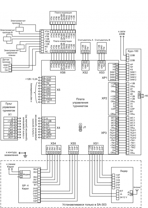
В состав турникета входит следующее оборудование:
- Прибор приёмно-контрольный и охранный контроля доступа «Курс-100», версия 3.0.
- Считыватель proximity-карт «Портал вариант 10».
В качестве источника бесперебойного резервного питания рекомендуется использовать "Парус 12-4,5М".
Контроллер прибора «Курс-100» работает с двумя бесконтактными считывателями Proximity-карт и обеспечивает точку доступа с управлением электромагнитными замками механизма турникета.
Прибор обеспечивает оперативную передачу своего состояния на АРМ оператора и сохранение информации в виде журнала.
Срок службы турникета не менее 10 лет.
Особенности турникета SA-302 (считыватель EM-marine):
- Турникет может работать:
- в интегрированной системе безопасности «Лавина»;
- в автономном режиме;
- при управлении с ручного пульта.
- Турникет является полуавтоматическим – вращение преграждающих планок осуществляется вручную.
- Пропускная способность в режиме однократного прохода - до 30 человек, потокового прохода - 60.
- В турникете установлены два считывателя бесконтактных карт (на вход и выход) и индикатор для визуализации состояния и режимов турникета.
- Наличие журнала событий и учета рабочего времени.
- Возможность подключения картоприёмника, предназначенного для изъятия на выходе временных карт доступа (разовых пропусков).
- Конфигурирование турникета, контроллера доступа, добавление ключей доступа, настройка расписаний и т.д. производится в программном обеспечении АРМ Администратора системы «Лавина», АРМ Администратора СКУД системы «Лавина» или «KeyProg».
- Наличие резервного источника питания – аккумулятора.
- Автоматический переход на питание от резервного источника питания при отключении сети 220В, и обратно, при восстановлении питания 220В.
- Узел вращения блокирующих планок турникета снабжен механизмом доворота, который после совершения прохода обеспечивает доводку блокирующих планок до исходного положения.
- Механизм доворота снабжен демпфирующим устройством, обеспечивающим плавную работу турникета.
- В механизме доворота установлен магнитный датчик контроля поворота блокирующих планок (датчик прохода), позволяющий корректно фиксировать факт прохода.
Режимы работы турникета SA-302 (считыватель EM-marine):
- Ожидание» (нормальный режим). Верхняя блокирующая планка поднята. Турникет ожидает предъявления идентификатора доступа.
- «Однократный проход». При предъявлении идентификатора доступа в режиме ожидания, разрешается однократный проход в одном направлении в течении определенного времени.
- «Свободный проход». Разрешен проход в обе стороны (верхняя блокирующая планка опущена).
- «Блокировка». Верхняя блокирующая планка поднята. Проход заблокирован.
- «Ручной режим». Охранник с ручного пульта управления управляет режимами турникета.
- SA-310К (картоприёмник)
- Wiegand в Touch Memory
- -100 вер.4 вар.1 и 2 (контроллер с 2 ШС)
- вар.10 (счит ЕМ+эмуляция ТМ)
- turniket_sa302
Ввиду того, что изделие может быть модифицировано, сведения, представленные на данной странице (изображение, характеристики, документация и т.п.), могут отличаться от фактических особенностей товара. За дополнительной информацией обращайтесь в техническую поддержку.
-
Охранно-пожарная сигнализация
-
Адресные системы
-
Радиоканальные системы
-
Астра-Р (ТЕКО)
-
Астра-РИ (ТЕКО)
-
Астра-РИ-М (ТЕКО)
-
Астра-Прайм (ТЕКО)
-
Астра-Zитадель (ТЕКО)
-
Ладога-РК (Риэлта)
-
С2000Р (Болид)
-
ВЕКТОР-АР (Сибирский Арсенал)
-
ВЕТТА-2020 (Сибирский Арсенал)
-
ГРАНИТ-РК (Сибирский Арсенал)
-
Риф-Ринг-1 (Альтоника)
-
Риф-Ринг-2 (Альтоника)
-
Риф-Ринг-701 (Альтоника)
-
Риф-Ринг-200 (Альтоника)
-
Lonta Optima (Альтоника)
-
Lonta-202 (Альтоника)
-
ACS (GSN)
-
-
GSM системы
-
Приборы приемно-контрольные
-
Извещатели охранные для помещений
-
Извещатели магнитоконтактные
-
Извещатели тревожной сигнализации
-
Извещатели разбития стекла акустические
-
Извещатели разбития стекла ударноконтактные
-
Извещатели движения ультразвуковые
-
Извещатели движения инфракрасные объемные
-
Извещатели движения пассивные инфракрасные поверхностные (штора)
-
Извещатели движения пассивные инфракрасные линейные (коридор)
-
Извещатели движения пассивные инфракрасные потолочные
-
Извещатели движения комбинированные
-
Извещатели совмещенные
-
Извещатели вибрационные и емкостные
-
-
Извещатели охраны периметра
-
Извещатели охраны периметра линейные ИК-активные
-
Извещатели охраны периметра линейные радиоволновые для установки на открытых участках
-
Извещатели охраны периметра ИК-пассивные
-
Извещатели охраны периметра объемные радиоволновые
-
Извещатели охраны периметра комбинированные
-
Извещатели охраны периметра проводно-волновые
-
Извещатели охраны периметра вибрационные
-
-
Извещатели пожарные
-
Извещатели дымовые 2-х проводные
-
Извещатели дымовые 4-х проводные
-
Извещатели дымовые автономные
-
Извещатели дымовые линейные
-
Извещатели дымовые аспирационные
-
Извещатели тепловые максимальные (пороговые)
-
Извещатели тепловые максимально-дифференциальные
-
Извещатели линейные тепловые пожарные
-
Извещатели пламени
-
Извещатели ручные
-
Извещатели комбинированные
-
-
Извещатели аварийные
-
Оповещатели
-
Светильники и аварийное освещение
-
Системы активной защиты
-
Распродажа
-
-
Системы охранного телевидения
-
Системы контроля и управления доступом
-
Домофоны
-
IP-домофония
-
Идентификаторы
-
Кнопки выхода
-
Считыватели
-
Кодовые панели
-
Автономные устройства контроля доступа
-
Сетевые системы контроля доступа
-
Биометрический контроль доступа
-
Системы обратной и диспетчерской связи
-
Замки
-
Электрозащелки
-
Доводчики
-
Турникеты
-
Калитки
-
Ограждения
-
Шлагбаумы
-
Автоматика для ворот
-
Досмотровое оборудование
-
-
Системы оповещения
и управление эвакуацией-
СОУЭ Тромбон
-
СОУЭ Ария (Электротехника и Автоматика)
-
СОУЭ Соната (ВИСТЛ)
-
СОУЭ С (ИП Раченков)
-
СОУЭ МЕТА
-
СОУЭ Октава (Полисервис)
-
СОУЭ Рокот (Сибирский Арсенал)
-
СОУЭ РЕЧОР (РУССБЫТ)
-
СОУЭ РЕЧОР-АТ (АНТИТЕРРОР) (РУССБЫТ)
-
СОУЭ ПКИ-Р (СпецКомИнтегРо)
-
Системы оповещения о пожаре Asenware
-
СОУЭ ROXTON
-
Звуковое оборудование RORSYS
-
СОУЭ JDM
-
СОУЭ MKV
-
СОУЭ ZVON
-
СОУЭ INTER-М
-
-
Взрывозащищенное оборудование
-
Извещатели пожарные взрывозащищенные
-
Извещатели пожарные тепловые резервуарные
-
Извещатели пожарные тепловые точечные
-
Извещатели пожарные тепловые максимально-дифференциальные
-
Извещатели пожарные дымовые
-
Извещатели пожарные комбинированные
-
Извещатели пожарные ручные взрывозащищенные
-
Извещатели пожарные пламени взрывозащищенные
-
Комплектующие к пожарным извещателям
-
-
Извещатели пожарные линейные взрывозащищенные
-
Извещатели охранные взрывозащищенные
-
Извещатели аварийные взрывозащищенные
-
Оповещатели взрывозащищенные
-
Табло оповещения взрывозащищённое
-
Приборы приемно-контрольные и пульты управления взрывозащищенные
-
Адресные взрывозащищенные системы
-
Посты управления взрывозащищенные
-
Системы видеонаблюдения взрывозащищенные
-
Системы контроля доступа взрывозащищенные
-
Громкоговорители взрывозащищенные
-
Коробки коммутационные взрывозащищенные
-
Барьеры искрозащиты
-
Кабельные вводы взрывозащищенные
-
-
Источники вторичного электропитания
-
Расходные и монтажные материалы
-
Средства пожаротушения
-
Первичные средства пожаротушения
-
Порошковое пожаротушение
-
Водяное пожаротушение
-
Аэрозольное пожаротушение
-
Газовое пожаротушение
-
Автономные установки пожаротушения
-
Клапан сброса избыточного давления КСИД
-
Водопенное оборудование
-
Шкафы пожарные
-
Дымоудаление
-
Средства защиты и спасения
-
Знаки безопасности и плакаты
-
-
Сетевое оборудование