Исполнение
Напольный(ая)
Высота,мм
1104
Реле выходы
2 (НО)
Количество светодиодов, шт.
3
Пропускная способность, чел./мин.
30 - 60
Ширина перекрытия прохода, мм
600
Дополнительное оборудование
Встроен. кросс-плата, пульт ДПУ, планки
Встроенный считыватель
Зависит от внешнего контроллера
Тип считывателя (без считывателя-о ключи ТМ-тм карты-к)
Зависит от внешнего контроллера
Количество карт
Зависит от внешнего контроллера
Интерфейс
Зависит от внешнего контроллера
Количество поддерживаемых считывателей
Зависит от внешнего контроллера
Материал
Корпус - сталь крашенная.; крышка и планки - нерж. сталь
Интеграция с оборудованием или ПО
Любой сторон. СКУД (контроллер, счит., ПО)
Цвет
Светло-серый
Индикация
Световая
Тип изделия
Турникет-трипод
Напряжение питания, В
12 - 14
Ток потребления. мА
1000
Потребляемая мощность, Вт
15
Диапазон рабочих температур, °С
0...+40
Степень защиты, IP
20
Габаритные размеры, мм
771х804х1104
Масса, кг
30
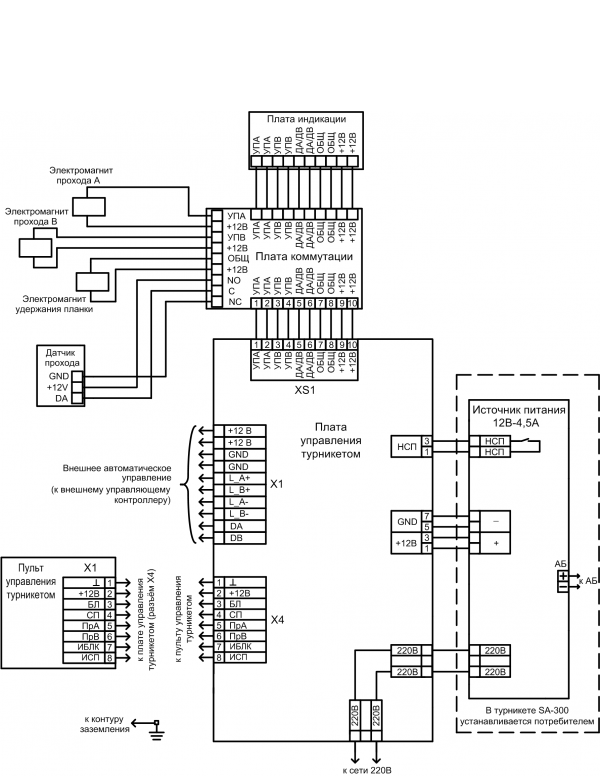
Турникет SA-300
Артикул: 78188
По запросу
Данный товар находится в архиве!
Возможность поставки уточняйте у менеджера!!
Полуавтомат (30 чел./мин), с планками антипаника . Турникеты SA-300 могут работать автономно или в составе СКУД других производителей, обеспечивающих техническое сопряжение с платой управления турникетом. Возможны варианты цвета корпуса черный, серый.
Характеристики:
Производитель:
Сибирский Арсенал
Описание:
SA-300 - турникет - трипод предназначен для расширения (дополнения) уже имеющихся проходных на предприятиях, управляемых системами контроля и управления доступом других производителей.
Турникет будет работать в составе СКУД других производителей, обеспечивающих техническое сопряжение с платой управления турникетом.
В качестве источника бесперебойного резервного питания рекомендуется использовать "Парус 12-4,5М".
Особенности турникета SA-300:
- Высокая пропускная способность (в режиме однократного прохода - до 30 человек, потокового прохода - 60) позволяет применять турникет в любых условиях.
- Специальное демпфирующее устройство обеспечивает плавный доворот планок до исходного состояния после каждого прохода.
- Управление турникетом осуществляется от системы контроля доступа и от пульта управления или устройства радиоуправления.
- Турникет может работать как в автоматическом режиме (поднес карту – осуществил однократный проход), так и в ручном (охранник с помощью пульта или брелока переводит турникет в режим «Блокировка» и «Свободный проход»).
- Для ручного управления в схеме турникета также предусмотрено подключение пульта охранника.
Режимы работы турникета SA-300:
- «Ожидание» (нормальный режим). Верхняя блокирующая планка поднята. Турникет ожидает предъявления идентификатора доступа.
- «Однократный проход». При предъявлении идентификатора доступа в режиме ожидания, разрешается однократный проход в одном направлении в течении определенного времени.
- «Свободный проход». Разрешен проход в обе стороны.
- Вариант 1: Верхняя блокирующая планка опущена.
- Вариант 2: Свободное вращение шпинделя с планками в обе стороны.
- «Блокировка». Верхняя блокирующая планка поднята. Проход заблокирован.
- «Ручной режим». Охранник с ручного пульта управления управляет режимами турникета.
Техническая документация
Сертификаты
Ввиду того, что изделие может быть модифицировано, сведения, представленные на данной странице (изображение, характеристики, документация и т.п.), могут отличаться от фактических особенностей товара. За дополнительной информацией обращайтесь в техническую поддержку.
Каталог товаров
-
Охранно-пожарная сигнализация
-
Адресные системы
-
Радиоканальные системы
-
Астра-Р (ТЕКО)
-
Астра-РИ (ТЕКО)
-
Астра-РИ-М (ТЕКО)
-
Астра-Прайм (ТЕКО)
-
Астра-Zитадель (ТЕКО)
-
Ладога-РК (Риэлта)
-
С2000Р (Болид)
-
ВЕКТОР-АР (Сибирский Арсенал)
-
ВЕТТА-2020 (Сибирский Арсенал)
-
ГРАНИТ-РК (Сибирский Арсенал)
-
Риф-Ринг-1 (Альтоника)
-
Риф-Ринг-2 (Альтоника)
-
Риф-Ринг-701 (Альтоника)
-
Риф-Ринг-200 (Альтоника)
-
Lonta Optima (Альтоника)
-
Lonta-202 (Альтоника)
-
ACS (GSN)
-
-
GSM системы
-
Приборы приемно-контрольные
-
Извещатели охранные для помещений
-
Извещатели магнитоконтактные
-
Извещатели тревожной сигнализации
-
Извещатели разбития стекла акустические
-
Извещатели разбития стекла ударноконтактные
-
Извещатели движения ультразвуковые
-
Извещатели движения инфракрасные объемные
-
Извещатели движения пассивные инфракрасные поверхностные (штора)
-
Извещатели движения пассивные инфракрасные линейные (коридор)
-
Извещатели движения пассивные инфракрасные потолочные
-
Извещатели движения комбинированные
-
Извещатели совмещенные
-
Извещатели вибрационные и емкостные
-
-
Извещатели охраны периметра
-
Извещатели охраны периметра линейные ИК-активные
-
Извещатели охраны периметра линейные радиоволновые для установки на открытых участках
-
Извещатели охраны периметра ИК-пассивные
-
Извещатели охраны периметра объемные радиоволновые
-
Извещатели охраны периметра комбинированные
-
Извещатели охраны периметра проводно-волновые
-
Извещатели охраны периметра вибрационные
-
-
Извещатели пожарные
-
Извещатели дымовые 2-х проводные
-
Извещатели дымовые 4-х проводные
-
Извещатели дымовые автономные
-
Извещатели дымовые линейные
-
Извещатели дымовые аспирационные
-
Извещатели тепловые максимальные (пороговые)
-
Извещатели тепловые максимально-дифференциальные
-
Извещатели линейные тепловые пожарные
-
Извещатели пламени
-
Извещатели ручные
-
Извещатели комбинированные
-
-
Извещатели аварийные
-
Оповещатели
-
Светильники и аварийное освещение
-
Системы активной защиты
-
Распродажа
-
-
Системы охранного телевидения
-
Системы контроля и управления доступом
-
Домофоны
-
IP-домофония
-
Идентификаторы
-
Кнопки выхода
-
Считыватели
-
Кодовые панели
-
Автономные устройства контроля доступа
-
Сетевые системы контроля доступа
-
Биометрический контроль доступа
-
Системы обратной и диспетчерской связи
-
Замки
-
Электрозащелки
-
Доводчики
-
Турникеты
-
Калитки
-
Ограждения
-
Шлагбаумы
-
Автоматика для ворот
-
Досмотровое оборудование
-
-
Системы оповещения
и управление эвакуацией-
СОУЭ Тромбон
-
СОУЭ Ария (Электротехника и Автоматика)
-
СОУЭ Соната (ВИСТЛ)
-
СОУЭ С (ИП Раченков)
-
СОУЭ МЕТА
-
СОУЭ Октава (Полисервис)
-
СОУЭ Рокот (Сибирский Арсенал)
-
СОУЭ РЕЧОР (РУССБЫТ)
-
СОУЭ РЕЧОР-АТ (АНТИТЕРРОР) (РУССБЫТ)
-
СОУЭ ПКИ-Р (СпецКомИнтегРо)
-
Системы оповещения о пожаре Asenware
-
СОУЭ ROXTON
-
Звуковое оборудование RORSYS
-
СОУЭ JDM
-
СОУЭ MKV
-
СОУЭ ZVON
-
СОУЭ INTER-М
-
-
Взрывозащищенное оборудование
-
Извещатели пожарные взрывозащищенные
-
Извещатели пожарные тепловые резервуарные
-
Извещатели пожарные тепловые точечные
-
Извещатели пожарные тепловые максимально-дифференциальные
-
Извещатели пожарные дымовые
-
Извещатели пожарные комбинированные
-
Извещатели пожарные ручные взрывозащищенные
-
Извещатели пожарные пламени взрывозащищенные
-
Комплектующие к пожарным извещателям
-
-
Извещатели пожарные линейные взрывозащищенные
-
Извещатели охранные взрывозащищенные
-
Извещатели аварийные взрывозащищенные
-
Оповещатели взрывозащищенные
-
Табло оповещения взрывозащищённое
-
Приборы приемно-контрольные и пульты управления взрывозащищенные
-
Адресные взрывозащищенные системы
-
Посты управления взрывозащищенные
-
Системы видеонаблюдения взрывозащищенные
-
Системы контроля доступа взрывозащищенные
-
Громкоговорители взрывозащищенные
-
Коробки коммутационные взрывозащищенные
-
Барьеры искрозащиты
-
Кабельные вводы взрывозащищенные
-
-
Источники вторичного электропитания
-
Расходные и монтажные материалы
-
Средства пожаротушения
-
Первичные средства пожаротушения
-
Порошковое пожаротушение
-
Водяное пожаротушение
-
Аэрозольное пожаротушение
-
Газовое пожаротушение
-
Автономные установки пожаротушения
-
Клапан сброса избыточного давления КСИД
-
Водопенное оборудование
-
Шкафы пожарные
-
Дымоудаление
-
Средства защиты и спасения
-
Знаки безопасности и плакаты
-
-
Сетевое оборудование