Усилие удержания,кГ
180
Исполнение
Без отсека для контроллера
Толщина двери, мм
35 - 50
Дополнительное оборудование
Адаптеры крепления приобр.
Материал
Анодированный алюминий (замок), цинк (якорь)
Тип изделия
Замок электромагнитный
Тип двери (калитки, ворот)
Металл, дерево, пластик, стекло (через адаптер)
Тип установки
Накладной
Цвет
Серый
Напряжение питания, В
12 (DC)
Ток потребления. мА
300
Диапазон рабочих температур, °С
-10...+55
Степень защиты, IP
52
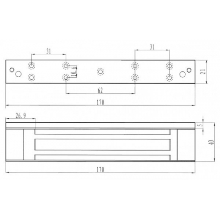
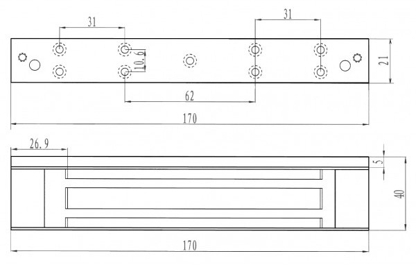
Габаритные размеры, мм
170х35х21 (замок); 130х33х11 (якорь)
Масса, кг
1
ST-EL150S
Артикул: 71396
По запросу
Данный товар находится в архиве!
Возможность поставки уточняйте у менеджера!!
Электромагнитный замок, внутреннее исполнение, 12 VDC / 300мА, усилие 150-180 кг.
Характеристики:
Производитель:
Smartec
Описание:
ST-EL150S - компактный электромагнитный накладной (удерживающий, однодверный) замок с крепёжным основанием, без отсека для установки контроллера, в корпусе из анодированного алюминия и якоря (ответной части) из цинка, с усилием удержания 180 кг, напряжением питания - DC 12В, током потребления - 0,3А, диапазоном рабочих температур от -10 до +55оС, с габаритными размерами - 170х35х21мм, массой - 1 кг предназначен для запирания различных дверей толщиной от 35 до 50мм, открывающихся наружу.
Замок может работать с любыми контроллерами.
Особенности:
- длительный срок службы за счёт отсутствия движущихся частей;
- конструкция для преодоления остаточной намагниченности;
- возможность установки на двери: металлические, пластиковые, деревянные, стеклянные;
- стойкость к агрессивным средам, а также устойчивость к температурным перепадам;
- минимальное потребление электроэнергии.
Приобретаются отдельно адаптеры для крепления замка на разные по материалу и типу открытия двери:
- ST-BR150L - уголок для открытия двери наружу;
- ST-BR180Z- адаптер якоря для открытия двери внутрь;
- ST-BR180U - адаптер якоря для стеклянных дверей 8 -15мм.
Техническая документация
- Smarteс ST-EL150S (замок электромаг до 180 кг Стекло через U адаптер)паспорт
- Smarteс ST-EL150S (замок электромаг до 180 кг Стекло через U адаптер) монтаж
- Smarteс (Сравнительная табл электромаг замков )
- Smarteс ST-BR разные (адаптеры крепл электромаг замков в т.ч. Стекло)
- Smartec (идентификаторы)
- Smartec ОС+СКУД 20.09.2019
Ввиду того, что изделие может быть модифицировано, сведения, представленные на данной странице (изображение, характеристики, документация и т.п.), могут отличаться от фактических особенностей товара. За дополнительной информацией обращайтесь в техническую поддержку.
Каталог товаров
-
Охранно-пожарная сигнализация
-
Адресные системы
-
Радиоканальные системы
-
Астра-Р (ТЕКО)
-
Астра-РИ (ТЕКО)
-
Астра-РИ-М (ТЕКО)
-
Астра-Прайм (ТЕКО)
-
Астра-Zитадель (ТЕКО)
-
Ладога-РК (Риэлта)
-
С2000Р (Болид)
-
ВЕКТОР-АР (Сибирский Арсенал)
-
ВЕТТА-2020 (Сибирский Арсенал)
-
ГРАНИТ-РК (Сибирский Арсенал)
-
Риф-Ринг-1 (Альтоника)
-
Риф-Ринг-2 (Альтоника)
-
Риф-Ринг-701 (Альтоника)
-
Риф-Ринг-200 (Альтоника)
-
Lonta Optima (Альтоника)
-
Lonta-202 (Альтоника)
-
ACS (GSN)
-
-
GSM системы
-
Приборы приемно-контрольные
-
Извещатели охранные для помещений
-
Извещатели магнитоконтактные
-
Извещатели тревожной сигнализации
-
Извещатели разбития стекла акустические
-
Извещатели разбития стекла ударноконтактные
-
Извещатели движения ультразвуковые
-
Извещатели движения инфракрасные объемные
-
Извещатели движения пассивные инфракрасные поверхностные (штора)
-
Извещатели движения пассивные инфракрасные линейные (коридор)
-
Извещатели движения пассивные инфракрасные потолочные
-
Извещатели движения комбинированные
-
Извещатели совмещенные
-
Извещатели вибрационные и емкостные
-
-
Извещатели охраны периметра
-
Извещатели охраны периметра линейные ИК-активные
-
Извещатели охраны периметра линейные радиоволновые для установки на открытых участках
-
Извещатели охраны периметра ИК-пассивные
-
Извещатели охраны периметра объемные радиоволновые
-
Извещатели охраны периметра комбинированные
-
Извещатели охраны периметра проводно-волновые
-
Извещатели охраны периметра вибрационные
-
-
Извещатели пожарные
-
Извещатели дымовые 2-х проводные
-
Извещатели дымовые 4-х проводные
-
Извещатели дымовые автономные
-
Извещатели дымовые линейные
-
Извещатели дымовые аспирационные
-
Извещатели тепловые максимальные (пороговые)
-
Извещатели тепловые максимально-дифференциальные
-
Извещатели линейные тепловые пожарные
-
Извещатели пламени
-
Извещатели ручные
-
Извещатели комбинированные
-
-
Извещатели аварийные
-
Оповещатели
-
Светильники и аварийное освещение
-
Системы активной защиты
-
Распродажа
-
-
Системы охранного телевидения
-
Системы контроля и управления доступом
-
Домофоны
-
IP-домофония
-
Идентификаторы
-
Кнопки выхода
-
Считыватели
-
Кодовые панели
-
Автономные устройства контроля доступа
-
Сетевые системы контроля доступа
-
Биометрический контроль доступа
-
Системы обратной и диспетчерской связи
-
Замки
-
Электрозащелки
-
Доводчики
-
Турникеты
-
Калитки
-
Ограждения
-
Шлагбаумы
-
Автоматика для ворот
-
Досмотровое оборудование
-
-
Системы оповещения
и управление эвакуацией-
СОУЭ Тромбон
-
СОУЭ Ария (Электротехника и Автоматика)
-
СОУЭ Соната (ВИСТЛ)
-
СОУЭ С (ИП Раченков)
-
СОУЭ МЕТА
-
СОУЭ Октава (Полисервис)
-
СОУЭ Рокот (Сибирский Арсенал)
-
СОУЭ РЕЧОР (РУССБЫТ)
-
СОУЭ РЕЧОР-АТ (АНТИТЕРРОР) (РУССБЫТ)
-
СОУЭ ПКИ-Р (СпецКомИнтегРо)
-
Системы оповещения о пожаре Asenware
-
СОУЭ ROXTON
-
Звуковое оборудование RORSYS
-
СОУЭ JDM
-
СОУЭ MKV
-
СОУЭ ZVON
-
СОУЭ INTER-М
-
-
Взрывозащищенное оборудование
-
Извещатели пожарные взрывозащищенные
-
Извещатели пожарные тепловые резервуарные
-
Извещатели пожарные тепловые точечные
-
Извещатели пожарные тепловые максимально-дифференциальные
-
Извещатели пожарные дымовые
-
Извещатели пожарные комбинированные
-
Извещатели пожарные ручные взрывозащищенные
-
Извещатели пожарные пламени взрывозащищенные
-
Комплектующие к пожарным извещателям
-
-
Извещатели пожарные линейные взрывозащищенные
-
Извещатели охранные взрывозащищенные
-
Извещатели аварийные взрывозащищенные
-
Оповещатели взрывозащищенные
-
Табло оповещения взрывозащищённое
-
Приборы приемно-контрольные и пульты управления взрывозащищенные
-
Адресные взрывозащищенные системы
-
Посты управления взрывозащищенные
-
Системы видеонаблюдения взрывозащищенные
-
Системы контроля доступа взрывозащищенные
-
Громкоговорители взрывозащищенные
-
Коробки коммутационные взрывозащищенные
-
Барьеры искрозащиты
-
Кабельные вводы взрывозащищенные
-
-
Источники вторичного электропитания
-
Расходные и монтажные материалы
-
Средства пожаротушения
-
Первичные средства пожаротушения
-
Порошковое пожаротушение
-
Водяное пожаротушение
-
Аэрозольное пожаротушение
-
Газовое пожаротушение
-
Автономные установки пожаротушения
-
Клапан сброса избыточного давления КСИД
-
Водопенное оборудование
-
Шкафы пожарные
-
Дымоудаление
-
Средства защиты и спасения
-
Знаки безопасности и плакаты
-
-
Сетевое оборудование