Дальность обнаружения, м
30
Маркировка взрывозащиты
0ExiaIICT4Х
Угол обзора,град.
90
Исполнение
Искробезопасный, ( ИК+ УФ) - одновременно
Номинальное сечение жилы,кв.мм
0,125 - 1,5
Количество светодиодов, шт.
1
Реле выходы
1 (НО и НЗ)+1 (НЗ)
Устойчивость к внешней засветке, лк
100000
Время готовности к работе, с, не более
2
По способу подключения
2-х- или 4-х проводный
Максимально комутируемые напряжение/ток, В/А
30/0,1
Режим работы
4 режима времени срабат. + 4 режима порога чувств.
Диапазон чувствительности
4,3 мкм (ИК); 185 - 260 нм (УФ)
Материал
Высокопрочный ABS - пластик
Время срабатывания, сек, не более
До 22
Крепление
Есть: компл. крепежа
Тип изделия
Извещатель пламени (ИК+УФ) - одновременно, взрывозащищённый, искробезопасный
Тестирование (проверка) работы
Магнит
Управление прибором
Магнитом, сопротивлениями
Интеграция с оборудованием или ПО
С любым ППКП (совместим.по искробезоп.)
Цвет
Светло-серый
Индикация
Световая
Напряжение питания, В
9 - 26
Ток потребления. мА
26
Разъем
Клеммы винтовые
Диапазон рабочих температур, °С
-55...+75
Степень защиты, IP
68
Габаритные размеры, мм
69х120х97 (с креплениями)
Масса, кг
0,2
Спектрон 601 Exi
Данный товар находится в архиве!
Возможность поставки уточняйте у менеджера!!
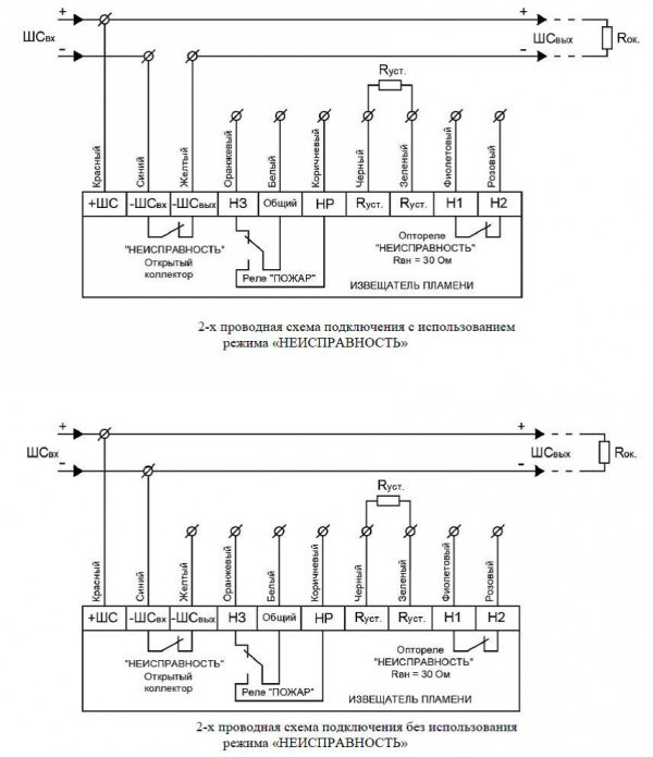
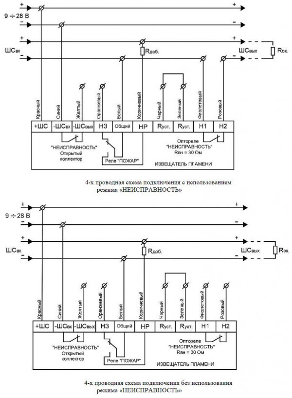
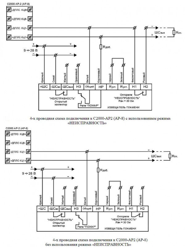
Спектрон-601Exi - извещатель пламени одновременного действия - ультрафиолетового (УФ) и инфракрасного (ИК) диапазонов, без кабельных вводов пожарный искробезопасный взрывозащищенный (0ExiaIICT4X), из высокопрочного ABS пластика, степенью защиты (IP68), с использованием встроенного реле (1НО и НЗ) предназначен для выдачи в шлейф пожарной сигнализации тревожного сигнала «Пожар» (принцип действия - измерение интенсивности ИК+УФ) и применяется на предприятиях химической, нефтегазодобывающей, нефтегазоперерабатывающей отраслей и взрывоопасных зонах класса (0 и ниже) других производств.
Данный извещатель совместим с любым ППКП, искробезопасные электрические цепи которых имеют параметры, позволяющие подключение данного извещателя.
После срабатывания извещатель автоматически возвращается в дежурный режим.
Площадь, контролируемая извещателем, соответствует СП5.13130.2009 и зависит от высоты защищаемого пространства.
Крепление извещателя осуществляется с помощью крепёжного комплекта.
Для проверки работоспособности извещателя используется магнит.
При установке извещателя вне взрывоопасных зон, он может работать практически с любыми приемно-контрольными приборами.
Ввиду того, что изделие может быть модифицировано, сведения, представленные на данной странице (изображение, характеристики, документация и т.п.), могут отличаться от фактических особенностей товара. За дополнительной информацией обращайтесь в техническую поддержку.
-
Охранно-пожарная сигнализация
-
Адресные системы
-
Радиоканальные системы
-
Астра-Р (ТЕКО)
-
Астра-РИ (ТЕКО)
-
Астра-РИ-М (ТЕКО)
-
Астра-Прайм (ТЕКО)
-
Астра-Zитадель (ТЕКО)
-
Ладога-РК (Риэлта)
-
С2000Р (Болид)
-
ВЕКТОР-АР (Сибирский Арсенал)
-
ВЕТТА-2020 (Сибирский Арсенал)
-
ГРАНИТ-РК (Сибирский Арсенал)
-
Риф-Ринг-1 (Альтоника)
-
Риф-Ринг-2 (Альтоника)
-
Риф-Ринг-701 (Альтоника)
-
Риф-Ринг-200 (Альтоника)
-
Lonta Optima (Альтоника)
-
Lonta-202 (Альтоника)
-
ACS (GSN)
-
-
GSM системы
-
Приборы приемно-контрольные
-
Извещатели охранные для помещений
-
Извещатели магнитоконтактные
-
Извещатели тревожной сигнализации
-
Извещатели разбития стекла акустические
-
Извещатели разбития стекла ударноконтактные
-
Извещатели движения ультразвуковые
-
Извещатели движения инфракрасные объемные
-
Извещатели движения пассивные инфракрасные поверхностные (штора)
-
Извещатели движения пассивные инфракрасные линейные (коридор)
-
Извещатели движения пассивные инфракрасные потолочные
-
Извещатели движения комбинированные
-
Извещатели совмещенные
-
Извещатели вибрационные и емкостные
-
-
Извещатели охраны периметра
-
Извещатели охраны периметра линейные ИК-активные
-
Извещатели охраны периметра линейные радиоволновые для установки на открытых участках
-
Извещатели охраны периметра ИК-пассивные
-
Извещатели охраны периметра объемные радиоволновые
-
Извещатели охраны периметра комбинированные
-
Извещатели охраны периметра проводно-волновые
-
Извещатели охраны периметра вибрационные
-
-
Извещатели пожарные
-
Извещатели дымовые 2-х проводные
-
Извещатели дымовые 4-х проводные
-
Извещатели дымовые автономные
-
Извещатели дымовые линейные
-
Извещатели дымовые аспирационные
-
Извещатели тепловые максимальные (пороговые)
-
Извещатели тепловые максимально-дифференциальные
-
Извещатели линейные тепловые пожарные
-
Извещатели пламени
-
Извещатели ручные
-
Извещатели комбинированные
-
-
Извещатели аварийные
-
Оповещатели
-
Светильники и аварийное освещение
-
Системы активной защиты
-
Распродажа
-
-
Системы охранного телевидения
-
Системы контроля и управления доступом
-
Домофоны
-
IP-домофония
-
Идентификаторы
-
Кнопки выхода
-
Считыватели
-
Кодовые панели
-
Автономные устройства контроля доступа
-
Сетевые системы контроля доступа
-
Биометрический контроль доступа
-
Системы обратной и диспетчерской связи
-
Замки
-
Электрозащелки
-
Доводчики
-
Турникеты
-
Калитки
-
Ограждения
-
Шлагбаумы
-
Автоматика для ворот
-
Досмотровое оборудование
-
-
Системы оповещения
и управление эвакуацией-
СОУЭ Тромбон
-
СОУЭ Ария (Электротехника и Автоматика)
-
СОУЭ Соната (ВИСТЛ)
-
СОУЭ С (ИП Раченков)
-
СОУЭ МЕТА
-
СОУЭ Октава (Полисервис)
-
СОУЭ Рокот (Сибирский Арсенал)
-
СОУЭ РЕЧОР (РУССБЫТ)
-
СОУЭ РЕЧОР-АТ (АНТИТЕРРОР) (РУССБЫТ)
-
СОУЭ ПКИ-Р (СпецКомИнтегРо)
-
Системы оповещения о пожаре Asenware
-
СОУЭ ROXTON
-
Звуковое оборудование RORSYS
-
СОУЭ JDM
-
СОУЭ MKV
-
СОУЭ ZVON
-
СОУЭ INTER-М
-
-
Взрывозащищенное оборудование
-
Извещатели пожарные взрывозащищенные
-
Извещатели пожарные тепловые резервуарные
-
Извещатели пожарные тепловые точечные
-
Извещатели пожарные тепловые максимально-дифференциальные
-
Извещатели пожарные дымовые
-
Извещатели пожарные комбинированные
-
Извещатели пожарные ручные взрывозащищенные
-
Извещатели пожарные пламени взрывозащищенные
-
Комплектующие к пожарным извещателям
-
-
Извещатели пожарные линейные взрывозащищенные
-
Извещатели охранные взрывозащищенные
-
Извещатели аварийные взрывозащищенные
-
Оповещатели взрывозащищенные
-
Табло оповещения взрывозащищённое
-
Приборы приемно-контрольные и пульты управления взрывозащищенные
-
Адресные взрывозащищенные системы
-
Посты управления взрывозащищенные
-
Системы видеонаблюдения взрывозащищенные
-
Системы контроля доступа взрывозащищенные
-
Громкоговорители взрывозащищенные
-
Коробки коммутационные взрывозащищенные
-
Барьеры искрозащиты
-
Кабельные вводы взрывозащищенные
-
-
Источники вторичного электропитания
-
Расходные и монтажные материалы
-
Средства пожаротушения
-
Первичные средства пожаротушения
-
Порошковое пожаротушение
-
Водяное пожаротушение
-
Аэрозольное пожаротушение
-
Газовое пожаротушение
-
Автономные установки пожаротушения
-
Клапан сброса избыточного давления КСИД
-
Водопенное оборудование
-
Шкафы пожарные
-
Дымоудаление
-
Средства защиты и спасения
-
Знаки безопасности и плакаты
-
-
Сетевое оборудование