ИО 102-43 Нержавейка исп. 00
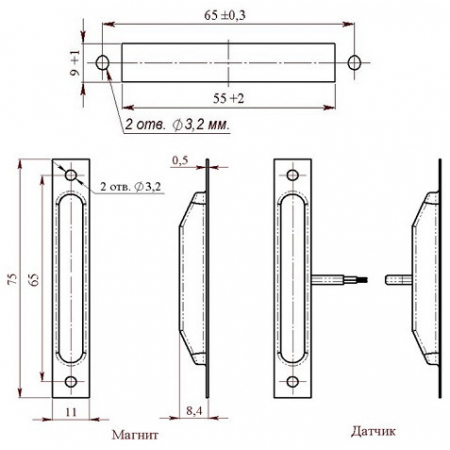
ИО 102-43 "Нержавейка" исп.00 - извещатель накладной охранный точечный магнитоконтактный с нормально-открытого типа (НО) контактами, в корпусе из нержавеющей стали (12Х18Н10Т) и серебристого цвета, с проводным выводом в двойной изоляции и длиной (0,4м; другая - под заказ) без защитного рукава, с задающим элементом (магнитом модификации - М 00) предназначен для блокировки гаражных ворот, ангаров, железнодорожных контейнеров, телефонных шкафов и других конструктивных магнитопроводящих (металлических) и магнитонепроводящих (алюминиевых, деревянных и т.д.) элементов зданий и сооружений на открывание и смещение с выдачей в шлейф приёмно-контрольного прибора извещения о тревоге путем размыкания контактов геркона.
Для исключения нестабильной работы извещателя, производитель рекомендует применение кронштейна (К-43) - приобретается отдельно.
Срок службы извещателя - не менее 8 лет.






