Количество абонентов
4
Разрешение
0,3 Мп (640x480)=380 ТВЛ
Дальность ИК-подсветки, м, до
0,5
Угол обзора,град.
90
Чувствительность, лк
0 (ИК)
Встроенная камера
Да
Реле выходы
1 (НО)
Максимально комутируемые напряжение/ток, В/А
12/1
Количество клавиш управления
4
Подключение
4-х проводное
Система
PAL
День/Ночь
Авто
Тип изделия
Блок вызова
Встроенная ИК подсветка
Да
Материал
Металл
Тип установки
Накладной (уголок 20 град. в комплекте)
Цвет
Серый
Дополнительное оборудование
Считыватель RD-3 и ключи VIZIT-RF2.1- 5шт
Напряжение питания, В
12 - 14 от БКМ-444
Ток потребления. мА
190
Потребляемая мощность, Вт
3
Диапазон рабочих температур, °С
-30...+45
Степень защиты, IP
54
Габаритные размеры, мм
160х60х43 - блок; 75х47х25 - считыватель
Масса, кг
0,45
БВД-444CP-4-R
Артикул: 80927
По запросу
Данный товар находится в архиве!
Возможность поставки уточняйте у менеджера!!
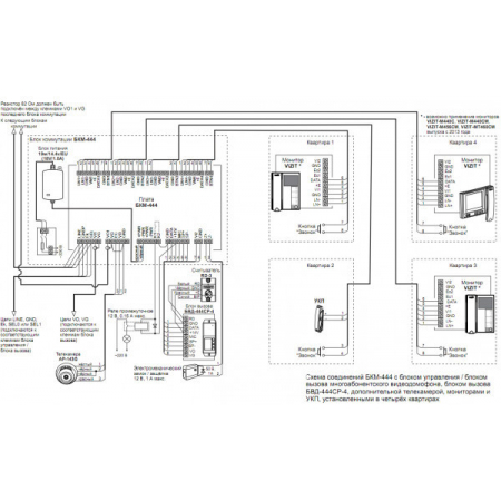
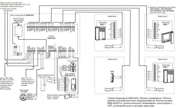
Комплект блока вызова на 4 абонента для совместной работы с БКМ-444. Встроенная телекамера цветного изображения с функцией День-ночь (380 tvl, PAL, 0 Lux / ИК подсветка для телекамеры, объектив PINHOLE 90 ). Подсветка кнопок вызова и шильдов. Подставка для поворота блока на 20 . Считыватель RD-3, ключи VIZIT-RF2.1 - 5/10/20 шт. в комплекте.
Характеристики:
Производитель:
Модус-Н
Описание:
БВД-444CP-4-R - комплект блока вызова домофона накладного типа для 4-х абонентов с цветной видеокамерой 380 ТВЛ предназначен для совместной работы с блоком коммутации БКМ-444 в составе системы управления доступом из 4-х квартир одного подъезда малоэтажного жилого строения, других помещений с общим входом-выходом.
Количество абонентских устройств (мониторов, трубок) - общее до 4х.
Особенности:
-
вызов абонента путем нажатия соответствующей кнопки;
- звуковой контроль посылки вызова;
- подсветка кнопок вызова и шильда;
- подставка для поворота блока на 20°;
- дуплексная громкоговорящая связь с абонентом;
- звуковая сигнализация режима открывания замка;
- встроенная телекамера цветного изображения с функцией "День-ночь" (PAL, 0 Lux, объектив PINHOLE 90°);
- IR LED подсветка для телекамеры;
- считыватель RD-3 и ключи VIZIT-RF2.1 (125 кГц, 20 шт) входят в комплект поставки;
- напряжение питания постоянного тока, В: 12 - 14 от БКМ-444;
- габаритные размеры, мм, (ВхШхГ) - 160х60х43 - блок вызова; 75x47x25 - считыватель.
Совместимые устройства:
- Модификации VIZIT-RF: VIZIT-RF2.2-black, VIZIT-RF2.2-brown, VIZIT-RF2.2-red.
- Блок коммутации монитора БКМ-444: БКМ-444.
Техническая документация
- БВД-444CP-4-R инструкция
- по занулению БВД...
- -444_(блок коммутации)
- VIZIT-RF2.1_OI_ru_20140314_A4
- RD-4R_(считыватель RF 125 кГц)
Сертификаты
Ввиду того, что изделие может быть модифицировано, сведения, представленные на данной странице (изображение, характеристики, документация и т.п.), могут отличаться от фактических особенностей товара. За дополнительной информацией обращайтесь в техническую поддержку.
Каталог товаров
-
Охранно-пожарная сигнализация
-
Адресные системы
-
Радиоканальные системы
-
Астра-Р (ТЕКО)
-
Астра-РИ (ТЕКО)
-
Астра-РИ-М (ТЕКО)
-
Астра-Прайм (ТЕКО)
-
Астра-Zитадель (ТЕКО)
-
Ладога-РК (Риэлта)
-
С2000Р (Болид)
-
ВЕКТОР-АР (Сибирский Арсенал)
-
ВЕТТА-2020 (Сибирский Арсенал)
-
ГРАНИТ-РК (Сибирский Арсенал)
-
Риф-Ринг-1 (Альтоника)
-
Риф-Ринг-2 (Альтоника)
-
Риф-Ринг-701 (Альтоника)
-
Риф-Ринг-200 (Альтоника)
-
Lonta Optima (Альтоника)
-
Lonta-202 (Альтоника)
-
ACS (GSN)
-
-
GSM системы
-
Приборы приемно-контрольные
-
Извещатели охранные для помещений
-
Извещатели магнитоконтактные
-
Извещатели тревожной сигнализации
-
Извещатели разбития стекла акустические
-
Извещатели разбития стекла ударноконтактные
-
Извещатели движения ультразвуковые
-
Извещатели движения инфракрасные объемные
-
Извещатели движения пассивные инфракрасные поверхностные (штора)
-
Извещатели движения пассивные инфракрасные линейные (коридор)
-
Извещатели движения пассивные инфракрасные потолочные
-
Извещатели движения комбинированные
-
Извещатели совмещенные
-
Извещатели вибрационные и емкостные
-
-
Извещатели охраны периметра
-
Извещатели охраны периметра линейные ИК-активные
-
Извещатели охраны периметра линейные радиоволновые для установки на открытых участках
-
Извещатели охраны периметра ИК-пассивные
-
Извещатели охраны периметра объемные радиоволновые
-
Извещатели охраны периметра комбинированные
-
Извещатели охраны периметра проводно-волновые
-
Извещатели охраны периметра вибрационные
-
-
Извещатели пожарные
-
Извещатели дымовые 2-х проводные
-
Извещатели дымовые 4-х проводные
-
Извещатели дымовые автономные
-
Извещатели дымовые линейные
-
Извещатели дымовые аспирационные
-
Извещатели тепловые максимальные (пороговые)
-
Извещатели тепловые максимально-дифференциальные
-
Извещатели линейные тепловые пожарные
-
Извещатели пламени
-
Извещатели ручные
-
Извещатели комбинированные
-
-
Извещатели аварийные
-
Оповещатели
-
Светильники и аварийное освещение
-
Системы активной защиты
-
Распродажа
-
-
Системы охранного телевидения
-
Системы контроля и управления доступом
-
Домофоны
-
IP-домофония
-
Идентификаторы
-
Кнопки выхода
-
Считыватели
-
Кодовые панели
-
Автономные устройства контроля доступа
-
Сетевые системы контроля доступа
-
Биометрический контроль доступа
-
Системы обратной и диспетчерской связи
-
Замки
-
Электрозащелки
-
Доводчики
-
Турникеты
-
Калитки
-
Ограждения
-
Шлагбаумы
-
Автоматика для ворот
-
Досмотровое оборудование
-
-
Системы оповещения
и управление эвакуацией-
СОУЭ Тромбон
-
СОУЭ Ария (Электротехника и Автоматика)
-
СОУЭ Соната (ВИСТЛ)
-
СОУЭ С (ИП Раченков)
-
СОУЭ МЕТА
-
СОУЭ Октава (Полисервис)
-
СОУЭ Рокот (Сибирский Арсенал)
-
СОУЭ РЕЧОР (РУССБЫТ)
-
СОУЭ РЕЧОР-АТ (АНТИТЕРРОР) (РУССБЫТ)
-
СОУЭ ПКИ-Р (СпецКомИнтегРо)
-
Системы оповещения о пожаре Asenware
-
СОУЭ ROXTON
-
Звуковое оборудование RORSYS
-
СОУЭ JDM
-
СОУЭ MKV
-
СОУЭ ZVON
-
СОУЭ INTER-М
-
-
Взрывозащищенное оборудование
-
Извещатели пожарные взрывозащищенные
-
Извещатели пожарные тепловые резервуарные
-
Извещатели пожарные тепловые точечные
-
Извещатели пожарные тепловые максимально-дифференциальные
-
Извещатели пожарные дымовые
-
Извещатели пожарные комбинированные
-
Извещатели пожарные ручные взрывозащищенные
-
Извещатели пожарные пламени взрывозащищенные
-
Комплектующие к пожарным извещателям
-
-
Извещатели пожарные линейные взрывозащищенные
-
Извещатели охранные взрывозащищенные
-
Извещатели аварийные взрывозащищенные
-
Оповещатели взрывозащищенные
-
Табло оповещения взрывозащищённое
-
Приборы приемно-контрольные и пульты управления взрывозащищенные
-
Адресные взрывозащищенные системы
-
Посты управления взрывозащищенные
-
Системы видеонаблюдения взрывозащищенные
-
Системы контроля доступа взрывозащищенные
-
Громкоговорители взрывозащищенные
-
Коробки коммутационные взрывозащищенные
-
Барьеры искрозащиты
-
Кабельные вводы взрывозащищенные
-
-
Источники вторичного электропитания
-
Расходные и монтажные материалы
-
Средства пожаротушения
-
Первичные средства пожаротушения
-
Порошковое пожаротушение
-
Водяное пожаротушение
-
Аэрозольное пожаротушение
-
Газовое пожаротушение
-
Автономные установки пожаротушения
-
Клапан сброса избыточного давления КСИД
-
Водопенное оборудование
-
Шкафы пожарные
-
Дымоудаление
-
Средства защиты и спасения
-
Знаки безопасности и плакаты
-
-
Сетевое оборудование