Количество ШС
1 (тампер вскрытия)
Количество пользователей, не более
5000
Реле выходы
1 (НО и НЗ)
Максимальная длина линии связи, м
15 (RS-232); 1200 (RS-485)
Рекомендованный кабель
2-х парный витой (экранир, неэкранир)
Энергонезависимая память,
2000
Количество адресных сигнальных/исполнительных устройств
255 (ШС кольцо), 2х255 (ШС радиаль)
Рекомендуемый АКБ, А*ч
2х(9 -12) или 1х17 - внешний в защитном боксе
Количество светодиодов, шт.
3
Время готовности к работе, с, не более
30
Рабочая скорость передачи, Бит/с
7680; 15360; 30720; 92160
Максимальное кол-во устройств в системе, шт.
8
Интерфейс
Ethernet , RS-485, RS-232, Wiegand
Карта памяти
Micro SD (до 16 Гб)
Тип изделия
Блок центральный процессорный, адресный
Возможность подключения неадресного оборудования
Кн. вых., датчик двери, считыватель
Материал
Пластик
Максимально комутируемые напряжение/ток, В/А
Пост. 30 и перем. 125/3
Цвет
Светло-серый
Индикация
Световая
Напряжение питания, В
9 - 28
Ток потребления. мА
900
Потребляемая мощность, Вт
13
Разъем
RJ-45, клеммы
Диапазон рабочих температур, °С
+5...+55
Степень защиты, IP
20
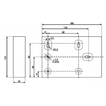
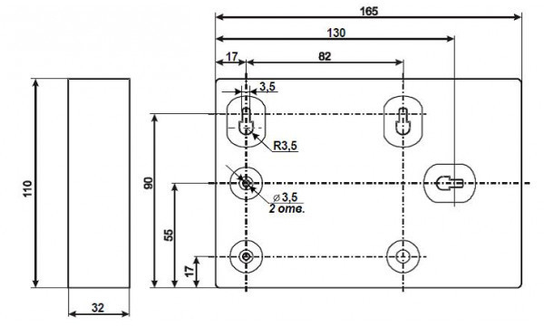
Габаритные размеры, мм
165х110х32
Масса, кг
0,35
БЦП Р-08 исп. 7
Данный товар находится в архиве!
Возможность поставки уточняйте у менеджера!!
БЦП Р-08 исп.7 - блок центральный процессорный адресный в пластмассовом корпусе, без встроенной консоли управления, со степенью защиты - IP20 входит в состав ИСБ "Индигирка".
К данному блоку могут быть подключены следующие адресные устройства: А2ДПИ исп.08, АТИ исп.08, ИР-П исп.08, ОСЗ исп.08.
Для конфигурирования данного блока используется ПЭВМ.
Кроме того, данный блок не имеет собственных органов управления, но может управляться с помощью подключенных к нему БЦП Р-08 исп. 1, 2, 3, 4, 5, 6, ПЭВМ.
Особенности:
- Контроль до 255 устройств на встроенном 2-ух проводном адресном кольцевом шлейфе, до 510 (2х255) - на 2 радиальных лучах.
- Хранение событий (до 2000) на встроенной памяти.
- Обновление ПО, загрузка/выгрузка конфигурации через microSD карту.
- Просмотр состояния/управление/конфигурирование подключенных устройств через WEB интерфейс.
- Автоматическое нахождение устройств на адресном шлейфе (plug & play).
- Контроль доступа пользователя к функциям конфигурирования.
- Контроль подключенных по RS-485 устройств.
- Соединение с компьютером по Ethernet, RS-485.
- Подключение GSM модема по RS-232.
- (Руковод по прим адрес-аналог сист ПС) 2006г
- ПО «Рубеж-08» 3.5.1 ред.3 (Загрузчик модулей. Руков админ) 2008г
- ПО «Рубеж-08» 3.5.1 ред.4 (Реком по доп. настр в WinXP SP2) 2008г
- ПО «Рубеж-08» 3.5.1 ред.7 (Лицензирование) 2008г
- ПО «Рубеж-08» 3.5.1 ред.9 (Руков по уст и обновл) 2008г
- ПО «Рубеж-08» 3.5.1 ред.19 (Тех описание) 2008г
- ПО «Рубеж-08» (ТТД, описание, возмож, расшир.)
- ППКОПУ «Рубеж-08» ред.1 (рекоменд по SMS оповещ) 2007г
- ППКОПУ «Рубеж-08» ред.1 (рекоменд по работе с оптоволокон линиями) 2007г
- ППКОПУ «Рубеж-08» ред.2 (рекоменд по работе с радио СПЕКТР-433) 2017г
- ППКОПУ «Рубеж-08» ред.3 (руков пользов) 2018г
- ППКОПУ «Рубеж-08» ред.6 (руков оператора) 2018г
- ППКОПУ «Рубеж-08» ред.7 (Рубеж Скрипт - программирование) руков 2018г
- ППКОПУ «Рубеж-08» ред.14 (руков по прогр) 2019г
- ППКОПУ БЦП Р-08 ред.10 ( исп. 7 адрес сист) руков эксплуа 2020г
- Программатор Рубеж-060 и Рубеж-08 ред.2 руков 2008г
- Распределитель лицензий (вер.2 2017г)
- Рекомендации по уст ПО Р-08 в Windows10 (ред.1 2019г)
- Электрон. ключи. ред.1 (Руков пользов) 2006г
Ввиду того, что изделие может быть модифицировано, сведения, представленные на данной странице (изображение, характеристики, документация и т.п.), могут отличаться от фактических особенностей товара. За дополнительной информацией обращайтесь в техническую поддержку.