Длина зоны обнаруженния (не более), м
2,5 - 30
Количество каналов
5 радиочастот
Маркировка взрывозащиты
2ExicIIBT6X
Исполнение
Уличный, влагозащищённый, искробезопасный
Скорость обнаруживаемого объекта, м/с
0,3 - 8
Коэффициент вероятности безотказной работы, не менее
0,98
Количество светодиодов, шт.
1
Реле выходы
1 (НЗ)
Время готовности к работе, с, не более
15
Время срабатывания, сек, не более
2
Максимально комутируемые напряжение/ток, В/А
50/0,1
Высота зоны обнаружения, не более, м
8
Ширина зоны обнаружения, не более, м
8
Рабочая частота
9,200 - 9,600 ГГц
Управление прибором
Вручную(регуляторами), переключателями, программир., удалённо
Дополнительное оборудование
Есть: хомут и кроншт.-1шт.; пит.,искро.,стойки и др.(всё приоб)
Тип изделия
Извещатель уличный охранный радиоволновый линейный однопозиционный
Режим работы
Круглосуточно
Крепление
На вертикальную поверхность
Тип зоны обнаружения
Объемная
Материал
Радиопрозрачн. антистатич. пластик
Цвет
Светло-серый
Индикация
Световая
Напряжение питания, В
23 - 24,6
Ток потребления. мА
35
Диапазон рабочих температур, °С
-50...+50
Степень защиты, IP
55
Габаритные размеры, мм
141х123х67 (приёмопередатчик)
Масса, кг
0,4
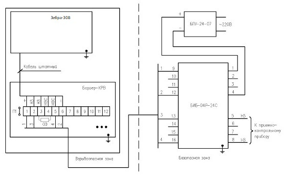
ЗЕБРА-30В
Данный товар находится в архиве!
Возможность поставки уточняйте у менеджера!!
ЗЕБРА-30В - извещатель охранный искробезопасный периметровый радиоволновый - рабочей частотой на 5 литер (9,200 - 9,600 ГГц), однопозиционный (приёмопередатчик), взрывозащищённый (2ExicIIBT6X), степенью защиты (IP55), дальностью обнаружения - от 2,5 до 30м (12 поперечных подзон по 2,5м), шириной - до 8м и высотой - до 8м, с высокой помехоустойчивостью, корпусом из радиопрозрачного антистатического пластика предназначен для обнаружения человека, пересекающего зону обнаружения в рост, согнувшись, ползком на отдельных участках периметра, где применение двухпозиционных извещателей затруднено или невозможно, например: тупиков, болотистых участков, оврагов, переходов через ограждение, складских площадок, тоннелей, эстакад, путепроводов и т.д.
По отдельному заказу поставляются: блок питания «БПУ-24-0,7», коробка распределительная взрывозащищённая «Барьер-КРВ», барьер искробезопасный (БИБ-04Р-24С), стойки для установки в грунт «ОПОРА-2», «ОПОРА-2,5», кронштейны для крепления на стену с выносом 500, 350, 120 мм.
Средний срок службы извещателя - не менее 8 лет.
- Forteza FM UNI (ПО упр извещателем) инстр 2020г
- Forteza Зебра-30 разн (извещ периметр линей Объём радиоволн 9,2-9,6ГГц 2,5-30м 10-30в 35мА 1НЗ -60+80 IP55) паспорт 2020г
- Forteza Зебра-30 разн (извещ периметр линей Объём радиоволн 9,2-9,6ГГц 2,5-30м 10-30в 35мА 1НЗ -60+80 IP55) руков 2020г
- Forteza Зебра-30В разн (извещ периметр линей Взрыво радиоволн 9,2-9,6ГГц 2,5-30м 24в 35мА 1НЗ -50+50 IP55) руков 2020г
- Forteza (ТСО периметра) 2021г
Ввиду того, что изделие может быть модифицировано, сведения, представленные на данной странице (изображение, характеристики, документация и т.п.), могут отличаться от фактических особенностей товара. За дополнительной информацией обращайтесь в техническую поддержку.
-
Охранно-пожарная сигнализация
-
Адресные системы
-
Радиоканальные системы
-
Астра-Р (ТЕКО)
-
Астра-РИ (ТЕКО)
-
Астра-РИ-М (ТЕКО)
-
Астра-Прайм (ТЕКО)
-
Астра-Zитадель (ТЕКО)
-
Ладога-РК (Риэлта)
-
С2000Р (Болид)
-
ВЕКТОР-АР (Сибирский Арсенал)
-
ВЕТТА-2020 (Сибирский Арсенал)
-
ГРАНИТ-РК (Сибирский Арсенал)
-
Риф-Ринг-1 (Альтоника)
-
Риф-Ринг-2 (Альтоника)
-
Риф-Ринг-701 (Альтоника)
-
Риф-Ринг-200 (Альтоника)
-
Lonta Optima (Альтоника)
-
Lonta-202 (Альтоника)
-
ACS (GSN)
-
-
GSM системы
-
Приборы приемно-контрольные
-
Извещатели охранные для помещений
-
Извещатели магнитоконтактные
-
Извещатели тревожной сигнализации
-
Извещатели разбития стекла акустические
-
Извещатели разбития стекла ударноконтактные
-
Извещатели движения ультразвуковые
-
Извещатели движения инфракрасные объемные
-
Извещатели движения пассивные инфракрасные поверхностные (штора)
-
Извещатели движения пассивные инфракрасные линейные (коридор)
-
Извещатели движения пассивные инфракрасные потолочные
-
Извещатели движения комбинированные
-
Извещатели совмещенные
-
Извещатели вибрационные и емкостные
-
-
Извещатели охраны периметра
-
Извещатели охраны периметра линейные ИК-активные
-
Извещатели охраны периметра линейные радиоволновые для установки на открытых участках
-
Извещатели охраны периметра ИК-пассивные
-
Извещатели охраны периметра объемные радиоволновые
-
Извещатели охраны периметра комбинированные
-
Извещатели охраны периметра проводно-волновые
-
Извещатели охраны периметра вибрационные
-
-
Извещатели пожарные
-
Извещатели дымовые 2-х проводные
-
Извещатели дымовые 4-х проводные
-
Извещатели дымовые автономные
-
Извещатели дымовые линейные
-
Извещатели дымовые аспирационные
-
Извещатели тепловые максимальные (пороговые)
-
Извещатели тепловые максимально-дифференциальные
-
Извещатели линейные тепловые пожарные
-
Извещатели пламени
-
Извещатели ручные
-
Извещатели комбинированные
-
-
Извещатели аварийные
-
Оповещатели
-
Светильники и аварийное освещение
-
Системы активной защиты
-
Распродажа
-
-
Системы охранного телевидения
-
Системы контроля и управления доступом
-
Домофоны
-
IP-домофония
-
Идентификаторы
-
Кнопки выхода
-
Считыватели
-
Кодовые панели
-
Автономные устройства контроля доступа
-
Сетевые системы контроля доступа
-
Биометрический контроль доступа
-
Системы обратной и диспетчерской связи
-
Замки
-
Электрозащелки
-
Доводчики
-
Турникеты
-
Калитки
-
Ограждения
-
Шлагбаумы
-
Автоматика для ворот
-
Досмотровое оборудование
-
-
Системы оповещения
и управление эвакуацией-
СОУЭ Тромбон
-
СОУЭ Ария (Электротехника и Автоматика)
-
СОУЭ Соната (ВИСТЛ)
-
СОУЭ С (ИП Раченков)
-
СОУЭ МЕТА
-
СОУЭ Октава (Полисервис)
-
СОУЭ Рокот (Сибирский Арсенал)
-
СОУЭ РЕЧОР (РУССБЫТ)
-
СОУЭ РЕЧОР-АТ (АНТИТЕРРОР) (РУССБЫТ)
-
СОУЭ ПКИ-Р (СпецКомИнтегРо)
-
Системы оповещения о пожаре Asenware
-
СОУЭ ROXTON
-
Звуковое оборудование RORSYS
-
СОУЭ JDM
-
СОУЭ MKV
-
СОУЭ ZVON
-
СОУЭ INTER-М
-
-
Взрывозащищенное оборудование
-
Извещатели пожарные взрывозащищенные
-
Извещатели пожарные тепловые резервуарные
-
Извещатели пожарные тепловые точечные
-
Извещатели пожарные тепловые максимально-дифференциальные
-
Извещатели пожарные дымовые
-
Извещатели пожарные комбинированные
-
Извещатели пожарные ручные взрывозащищенные
-
Извещатели пожарные пламени взрывозащищенные
-
Комплектующие к пожарным извещателям
-
-
Извещатели пожарные линейные взрывозащищенные
-
Извещатели охранные взрывозащищенные
-
Извещатели аварийные взрывозащищенные
-
Оповещатели взрывозащищенные
-
Табло оповещения взрывозащищённое
-
Приборы приемно-контрольные и пульты управления взрывозащищенные
-
Адресные взрывозащищенные системы
-
Посты управления взрывозащищенные
-
Системы видеонаблюдения взрывозащищенные
-
Системы контроля доступа взрывозащищенные
-
Громкоговорители взрывозащищенные
-
Коробки коммутационные взрывозащищенные
-
Барьеры искрозащиты
-
Кабельные вводы взрывозащищенные
-
-
Источники вторичного электропитания
-
Расходные и монтажные материалы
-
Средства пожаротушения
-
Первичные средства пожаротушения
-
Порошковое пожаротушение
-
Водяное пожаротушение
-
Аэрозольное пожаротушение
-
Газовое пожаротушение
-
Автономные установки пожаротушения
-
Клапан сброса избыточного давления КСИД
-
Водопенное оборудование
-
Шкафы пожарные
-
Дымоудаление
-
Средства защиты и спасения
-
Знаки безопасности и плакаты
-
-
Сетевое оборудование