Номинальная температура срабатывания, град.
54 - 85
Скорость повышения температуры Гр/мин
1 - 30
Ток нагрузки в ШС, мА
До 20
Маркировка взрывозащиты
1ExdbIIBT6GbХ
Исполнение
Для открытой прокладки кабеля, неадресный
Номинальное сечение жилы,кв.мм
0,7 - 1,5
Количество светодиодов, шт.
1
Чувствительный элемент
1 термореле (НО) в защитн.кожухе
Время готовности к работе, с, не более
2
Комплектация
2 кабельных ввода под откр. прокладку кабеля (8-14мм)
По способу подключения
2-х проводный
Время срабатывания, сек, не более
58 - 2760 (от скорости повыш темпер.)
Диаметр, мм
8 - 14 (вводной кабель)
Напряжение в ШС, В
8 - 28
Материал
Алюминиевый сплав + нерж.криогенная сталь
Дополнительное оборудование
Есть: кабель. вводы со штуцерами, уплотнит. резин.кольца
Номинальное сопротивление выносного резистора, кОм
Зависит от подкл. ППКОП
Тип изделия
Извещатель пожарный тепловой, взрывозащищенный
по исполнению ввода
На 2-а кабельных ввода
Режим работы
Пороговый (максимальный), макс.-дифференциальный
Крепление
Резьба М30х1,5 в середине корпуса
Интеграция с оборудованием или ПО
С любым ППКП (совместим.по параметрам ШС)
Индикация
Световая
Цвет
Серый+нерж.
Разъем
Клеммы зажимные (Wago)
Диапазон рабочих температур, °С
-60...+85
Степень защиты, IP
66
Габаритные размеры, мм
250х105х270
Масса, кг
1,2
Извещатель пожарный тепловой резервуарный
1 шт
- Главная
- Каталог
- Взрывозащищенное оборудование
- Извещатели пожарные взрывозащищенные
- Извещатели пожарные тепловые резервуарные
- Извещатель пожарный тепловой резервуарный ИП 101-1В-А-К
Извещатель пожарный тепловой резервуарный ИП 101-1В-А-К
| Количество | Ваша цена | Экономия |
|---|---|---|
| Опт от 4 шт. | 13 441.10 р./шт. | 360.10 р. |
| Запросить КП на крупный опт |
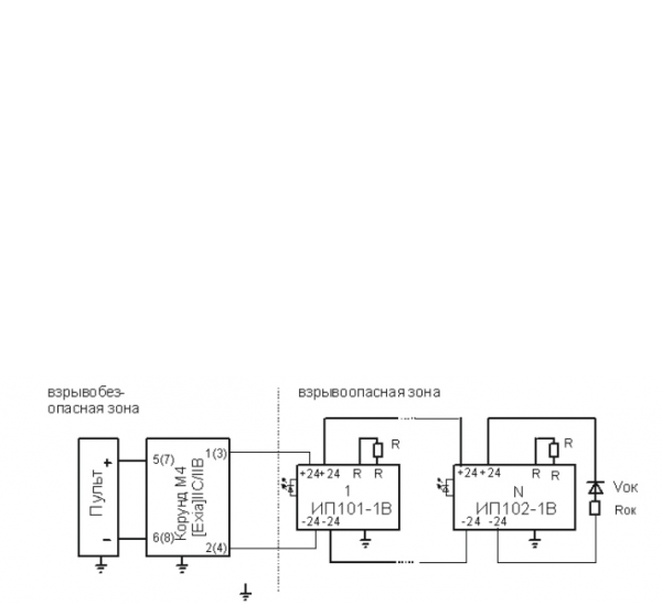
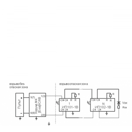
ИП 101-1В-A-K - извещатель 1-канальный неадресный из алюминиевого сплава тепловой пороговый (максимальный) и максимально-дифференциальный пожарный взрывозащищенный (1ExdbIIBT6GbХ), с встроенным чувствительным элементом - 1-им термореле (НО) в защитном кожухе (нержавеющая криогенная сталь - 12Х18Н10Т), с температурой срабатывания по классу: А2 - В (540 - 850С), при скорости повышения температуры более 1°С/мин., степенью защиты (IP66) для открытой прокладки кабеля диаметром (8 - 14мм) предназначен для выдачи в шлейф пожарной сигнализации тревожного сигнала при превышении в контролируемой среде установленной температуры срабатывания и применяется на предприятиях химической, нефтегазодобывающей, нефтегазоперерабатывающей отраслей и взрывоопасных зонах класса (1 и 2) других производств.
Площадь, контролируемая извещателем, соответствует СП5.13130.2009 и зависит от высоты защищаемого пространства.
Крепление извещателя может осуществляется через метрическую резьбу на корпусе (для резервуаров): М30х1,5.
Ввиду того, что изделие может быть модифицировано, сведения, представленные на данной странице (изображение, характеристики, документация и т.п.), могут отличаться от фактических особенностей товара. За дополнительной информацией обращайтесь в техническую поддержку.
-
Охранно-пожарная сигнализация
-
Адресные системы
-
Радиоканальные системы
-
Астра-Р (ТЕКО)
-
Астра-РИ (ТЕКО)
-
Астра-РИ-М (ТЕКО)
-
Астра-Прайм (ТЕКО)
-
Астра-Zитадель (ТЕКО)
-
Ладога-РК (Риэлта)
-
С2000Р (Болид)
-
ВЕКТОР-АР (Сибирский Арсенал)
-
ВЕТТА-2020 (Сибирский Арсенал)
-
ГРАНИТ-РК (Сибирский Арсенал)
-
Риф-Ринг-1 (Альтоника)
-
Риф-Ринг-2 (Альтоника)
-
Риф-Ринг-701 (Альтоника)
-
Риф-Ринг-200 (Альтоника)
-
Lonta Optima (Альтоника)
-
Lonta-202 (Альтоника)
-
ACS (GSN)
-
-
GSM системы
-
Приборы приемно-контрольные
-
Извещатели охранные для помещений
-
Извещатели магнитоконтактные
-
Извещатели тревожной сигнализации
-
Извещатели разбития стекла акустические
-
Извещатели разбития стекла ударноконтактные
-
Извещатели движения ультразвуковые
-
Извещатели движения инфракрасные объемные
-
Извещатели движения пассивные инфракрасные поверхностные (штора)
-
Извещатели движения пассивные инфракрасные линейные (коридор)
-
Извещатели движения пассивные инфракрасные потолочные
-
Извещатели движения комбинированные
-
Извещатели совмещенные
-
Извещатели вибрационные и емкостные
-
-
Извещатели охраны периметра
-
Извещатели охраны периметра линейные ИК-активные
-
Извещатели охраны периметра линейные радиоволновые для установки на открытых участках
-
Извещатели охраны периметра ИК-пассивные
-
Извещатели охраны периметра объемные радиоволновые
-
Извещатели охраны периметра комбинированные
-
Извещатели охраны периметра проводно-волновые
-
Извещатели охраны периметра вибрационные
-
-
Извещатели пожарные
-
Извещатели дымовые 2-х проводные
-
Извещатели дымовые 4-х проводные
-
Извещатели дымовые автономные
-
Извещатели дымовые линейные
-
Извещатели дымовые аспирационные
-
Извещатели тепловые максимальные (пороговые)
-
Извещатели тепловые максимально-дифференциальные
-
Извещатели линейные тепловые пожарные
-
Извещатели пламени
-
Извещатели ручные
-
Извещатели комбинированные
-
-
Извещатели аварийные
-
Оповещатели
-
Светильники и аварийное освещение
-
Системы активной защиты
-
Распродажа
-
-
Системы охранного телевидения
-
Системы контроля и управления доступом
-
Домофоны
-
IP-домофония
-
Идентификаторы
-
Кнопки выхода
-
Считыватели
-
Кодовые панели
-
Автономные устройства контроля доступа
-
Сетевые системы контроля доступа
-
Биометрический контроль доступа
-
Системы обратной и диспетчерской связи
-
Замки
-
Электрозащелки
-
Доводчики
-
Турникеты
-
Калитки
-
Ограждения
-
Шлагбаумы
-
Автоматика для ворот
-
Досмотровое оборудование
-
-
Системы оповещения
и управление эвакуацией-
СОУЭ Тромбон
-
СОУЭ Ария (Электротехника и Автоматика)
-
СОУЭ Соната (ВИСТЛ)
-
СОУЭ С (ИП Раченков)
-
СОУЭ МЕТА
-
СОУЭ Октава (Полисервис)
-
СОУЭ Рокот (Сибирский Арсенал)
-
СОУЭ РЕЧОР (РУССБЫТ)
-
СОУЭ РЕЧОР-АТ (АНТИТЕРРОР) (РУССБЫТ)
-
СОУЭ ПКИ-Р (СпецКомИнтегРо)
-
Системы оповещения о пожаре Asenware
-
СОУЭ ROXTON
-
Звуковое оборудование RORSYS
-
СОУЭ JDM
-
СОУЭ MKV
-
СОУЭ ZVON
-
СОУЭ INTER-М
-
-
Взрывозащищенное оборудование
-
Извещатели пожарные взрывозащищенные
-
Извещатели пожарные тепловые резервуарные
-
Извещатели пожарные тепловые точечные
-
Извещатели пожарные тепловые максимально-дифференциальные
-
Извещатели пожарные дымовые
-
Извещатели пожарные комбинированные
-
Извещатели пожарные ручные взрывозащищенные
-
Извещатели пожарные пламени взрывозащищенные
-
Комплектующие к пожарным извещателям
-
-
Извещатели пожарные линейные взрывозащищенные
-
Извещатели охранные взрывозащищенные
-
Извещатели аварийные взрывозащищенные
-
Оповещатели взрывозащищенные
-
Табло оповещения взрывозащищённое
-
Приборы приемно-контрольные и пульты управления взрывозащищенные
-
Адресные взрывозащищенные системы
-
Посты управления взрывозащищенные
-
Системы видеонаблюдения взрывозащищенные
-
Системы контроля доступа взрывозащищенные
-
Громкоговорители взрывозащищенные
-
Коробки коммутационные взрывозащищенные
-
Барьеры искрозащиты
-
Кабельные вводы взрывозащищенные
-
-
Источники вторичного электропитания
-
Расходные и монтажные материалы
-
Средства пожаротушения
-
Первичные средства пожаротушения
-
Порошковое пожаротушение
-
Водяное пожаротушение
-
Аэрозольное пожаротушение
-
Газовое пожаротушение
-
Автономные установки пожаротушения
-
Клапан сброса избыточного давления КСИД
-
Водопенное оборудование
-
Шкафы пожарные
-
Дымоудаление
-
Средства защиты и спасения
-
Знаки безопасности и плакаты
-
-
Сетевое оборудование