TR-068W
Артикул: 82058
Производитель: Roxton
Всепогодный 19 шкаф для оборудования, 6U х 800 мм, с аксессуарами под ключ
130 790.00 р./шт.RUB
Уточнить цену
130790.00 р./шт. (ваша цена) - по этой цене вы покупаете, оформляя заказ через интернет.
130790.00 р./шт. - цена при покупке на сумму более 50 000 рублей и месячном обороте от 90 000 рублей.
130790.00 р./шт. - цена при покупке на сумму более 90 000 рублей и квартальном обороте от 150 000 рублей.
TR-068W - настенный цельносварной всепогодный (IP54) телекоммуникационный 19" шкаф с габаритами 6U (600х490х830мм), температурой эксплуатации - от -40 до +400С предназначен для размещения электротехнического, кроссового и иного оборудования.
Данный шкаф также удобен для размещения основного оборудования систем оповещения и управления эвакуацией (СОУЭ), а также музыкальной трансляции.
Особенности:
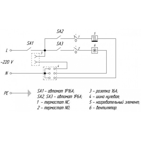
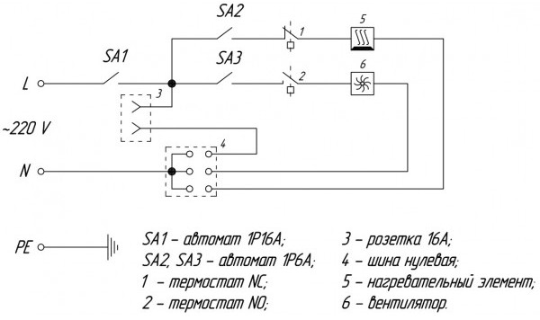
- Для поддержания нормальной температуры эксплуатации без риска повреждения установленного оборудования или нарушения в его работе внутри шкафа установлены вентилятор и электронагревательный элемент, которые активируются при достижении экстремальных значений внутренней температуры; их автоматическим запуском управляют 2 термостата.
- Шкаф всепогодного исполнения поставляется с предустановленной электрической распределительной панелью, на которой расположены автоматические выключатели, термостаты и розетка.
- В корпус вмонтирован магнитоконтактный извещатель, который при подключении к тревожному шлейфу сигнализации может сигнализировать об открытии/закрытии двери шкафа.
- Дверь оснащена надежным замком, закрывающимся на ключ.
Технические характеристики
Техническая документация
Количество ШС:
1 (тампер вскрытия)
Высота в Unit:
6
Количество гермовводов:
8 (диаметр - 32мм)
Обогрев/вентиляция:
Есть/есть
Дополнительное оборудование:
Есть: 2 термостата, вентилятор, обогрев., магнит.извещ.
Крепление:
На вертикальную поверхность
Цвет:
Светло-серый
Материал:
Сталь, окрашенная порошковым методом
Ток коммутации, А:
До 16
Напряжение питания, В:
198 - 242
Разъем:
Клеммы
Диапазон рабочих температур, °С:
-40...+40
Степень защиты, IP:
54
Габаритные размеры, мм:
600х490х830
Масса, кг:
22
Ввиду того, что изделие может быть модифицировано, сведения, представленные на данной странице (изображение, характеристики, документация и т.п.), могут отличаться от фактических особенностей товара. За дополнительной информацией обращайтесь в техническую поддержку.





