Спектрон-512-Exd-M-УДП-01
Артикул: 224182
Производитель: Спектрон
Данный товар находится в архиве! Возможность поставки уточняйте у менеджера!!!
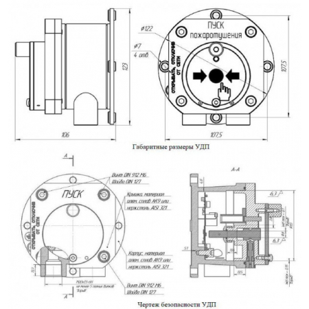
Материал корпуса алюминиевый сплав, С -60 +85, 1ExdIIСT6, IP68. К01 пуск пожаротушения, корпус желтого цвета
Спектрон-512-Exd-M-УДП-01 - извещатель из алюминиевого сплава пожарный жёлтого цвета ручной на 2 кабельных ввода (приобретаются отдельно) взрывозащищенный (1ExdIICT6), степенью защиты (IP68), с надписью - "Пуск пожаротушения" предназначен для ручного запуска исполнительных механизмов систем пожаротушения в системах автоматического пожаротушения и пожарной сигнализации и применяется на предприятиях химической, нефтегазодобывающей, нефтегазоперерабатывающей отраслей, в подземных выработках шахт, рудников и их наземных строениях, в взрывоопасных зонах класса (1 и 2) других производств.
Защита извещателя от атмосферных осадков осуществляется с помощью козырька (приобретается отдельно).
Технические характеристики
Техническая документация
Сертификаты
Маркировка взрывозащиты:
1ExdIICT6
Номинальное сечение жилы,кв.мм:
0,08 - 2,5
Количество светодиодов, шт.:
1
Тип контактов (НО НЗ):
1 (НО) + 1 (НЗ)
Время готовности к работе, с, не более:
2
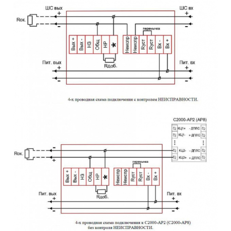
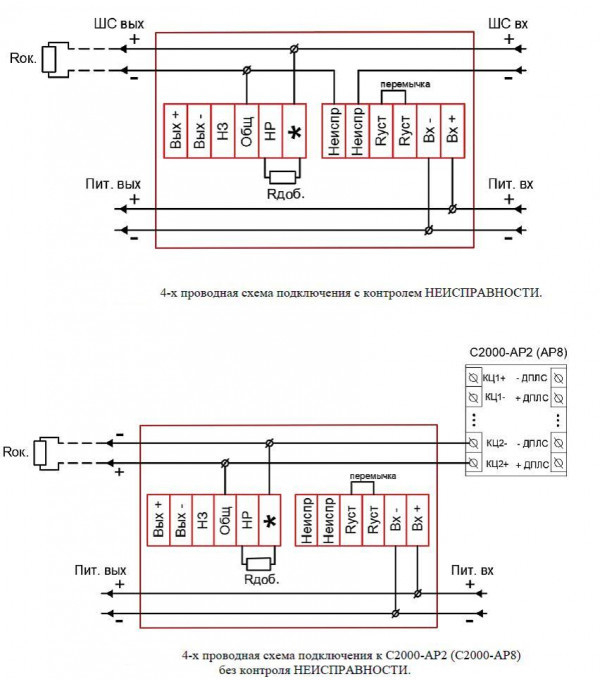
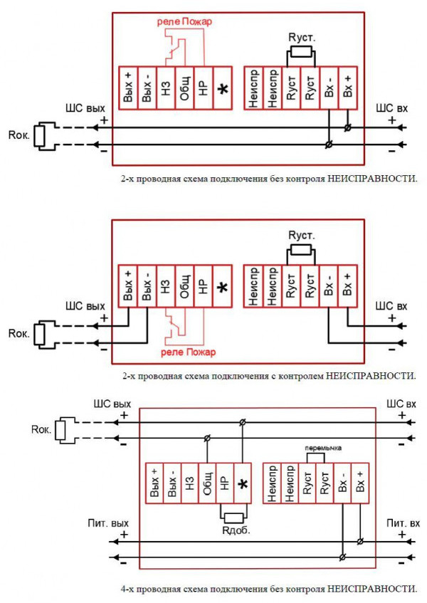
По способу подключения:
2-х- или 4-х проводный
Материал:
Алюминиевый сплав
Управление прибором:
Вручную
Дополнительное оборудование:
Есть: привод.элемент; кабель.вводы и козырёк (приоб)
Цвет:
Жёлтый
Номинальное сопротивление выносного резистора, кОм:
Зависит от подкл. ППКОП
Режим работы:
Круглосуточно
по исполнению ввода:
На 2-а кабельных ввода
Крепление:
На вертикальную поверхность
Надпись:
Пуск пожаротушения
Интеграция с оборудованием или ПО:
С любым ППКП (совместим.по параметрам ШС)
Индикация:
Световая
Напряжение питания, В:
9 - 28
Ток потребления. мА:
26
Разъем:
Клеммы зажимные
Диапазон рабочих температур, °С:
-60...+85
Степень защиты, IP:
68
Габаритные размеры, мм:
123х106
Масса, кг:
1,2
Ввиду того, что изделие может быть модифицировано, сведения, представленные на данной странице (изображение, характеристики, документация и т.п.), могут отличаться от фактических особенностей товара. За дополнительной информацией обращайтесь в техническую поддержку.










