Promix-SM306.10 серебро
Promix-SM306.10 серебро - замок электромеханический накладной нормально-закрытый, без встроенных датчиков является аналогом электромагнитного замка и предназначен для запирания дверей офисов и административных помещений с шириной притвора дверной коробки более 25 мм.
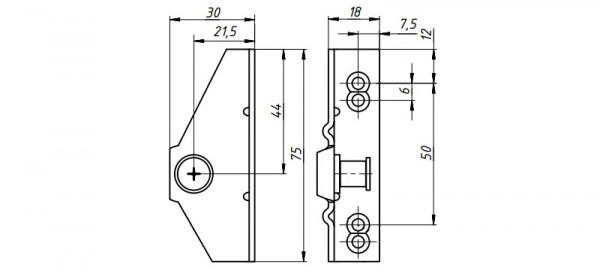
Замок устанавливается в любое место на притвор двери, а ригель - на дверь.
При закрытии двери ригель входит в замок и запирается крюком-захватом.
Для аварийного открытия замка предусмотрена возможность механической разблокировки.
Конструкцией предусмотрены регулировки положения ригеля в вертикальной плоскости.
Нормальная работа замка рассчитана на зазор между коробкой и дверью в диапазоне от 10 до 15 мм.
Замок может устанавливаться на наружных дверях при условии, что в зимнее время года большую часть времени на замок подано напряжение питания.
Особенности:
- Сила удержания 300 кг (обеспечивается специальным механизмом, а не величиной магнитного поля).
- Потребляемый ток (при 12В): 0,1А.
- Ригель - в комплекте.
- Напряжение питания: 11 - 14 В.
- Материал корпуса и ригеля: сталь, окрашенная полиэфирной порошковой эмалью.
- Масса замка: не более 0,3 кг.
- Высокая надежность: не менее 400 000 циклов срабатывания.
- Диапазон рабочих температур, °С: от -40 до +50.
- Цвет корпуса: серебро.
Для работы замка необходим источник питания и контроллер СКУД.
Для открытия нормально-закрытого замка, контроллер СКУД должен подать на него напряжение и удерживать данное состояние до момента открытия двери.






