Matrix-IV-EH Keys
Артикул: 72075
Производитель: IronLogic
Данный товар находится в архиве! Возможность поставки уточняйте у менеджера!!!
EM Marine, HID, дальность чтения 6-10 cm, 8 - 18 В DC, 150mA(max), звук/свет, логика карта/код/карта+код, 0 С...+50 С, интерфейсы Wiegand 26, Dallas TM, 106х86х33мм
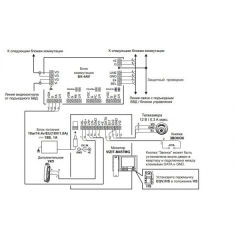
Matrix-IV-EH Keys - считыватель бесконтактных карт, брелоков Em-Marinе и HID (125 кГц) + эмуляция ТМ, с клавиатурой предназначен для использования в системах контроля и управления доступом объектов, где необходимо обеспечить проход и по карте и без карты, простым введением Пин-кода, либо совместно карта + пин-код.
Считыватель предназначен для использования с любыми контроллерами СКУД, поддерживающими интерфейсы Wiegand 26, Touch Memory.
Максимальная удаленность считывателя от контроллера - 100 метров.
Технические характеристики
Техническая документация
Сертификаты
Тип карт доступа:
HID, Em-Marinе
Расстояние считывания(Срабатывания),см:
6 - 10
Количество светодиодов, шт.:
1
Максимальная длина линии связи, м:
100
Количество клавиш управления:
12
Материал:
ABS-пластик
Интерфейс:
Dallas TM, Wiegand 26
Тип считывателя (без считывателя-о ключи ТМ-тм карты-к):
HID,Em-Marine
Клавиатура (или регистратор):
Механические кнопки
Режим работы:
Постоянный
Подключение:
Проводное
Индикация:
Световая и звуковая
Цвет:
Темно-серый, светлый перламутр
Напряжение питания, В:
DC (10 - 14)/0,2A
Ток потребления. мА:
150
Диапазон рабочих температур, °С:
-30...+40
Степень защиты, IP:
54
Габаритные размеры, мм:
106х86х33
Масса, кг:
0,22
Ввиду того, что изделие может быть модифицировано, сведения, представленные на данной странице (изображение, характеристики, документация и т.п.), могут отличаться от фактических особенностей товара. За дополнительной информацией обращайтесь в техническую поддержку.



