Маркировка взрывозащиты
0ExiaIICT6GaX
Исполнение
Искробезопасный(ая), влагозащищённый(ая)
Номинальное сечение жилы,кв.мм
0,5
Контактное сопротивление, Ом:
0,5
Коэффициент вероятности безотказной работы, не менее
0,99
Длина кабеля, м
1
Тип контактов (НО НЗ)
1 (НО и НЗ)
Расстояние срабатывания, мм
20 и более - металл/30 и более - не металл
По способу подключения
3-х проводный
Расстояние отпускания, мм
5 и менее - металл/10 и менее - не металл
Максимально комутируемые напряжение/ток, В/А
60/0,25
Условный диаметр выходного отверстия, мм
8 (металлорукав)
Материал
Антистатич. полиамид
Цвет
Белый
Допуск соосности извещателя и магнитного геркона, мм
До 10
Мощность нагрузки,Вт
До 4
Тип изделия
Извещатель магнитоконтактный взрывозащищенный
Режим работы
Круглосуточно
Дополнительное оборудование
Магнит (в комплекте)
Защитная оболочка выводов, проводов
Металлический гофрошланг
Тип установки
Накладной
Рекомендованный кабель
С жилами не более 1,5 кв.мм
Разъем
Выводы из корпуса
Диапазон рабочих температур, °С
-60...+70
Степень защиты, IP
68
Габаритные размеры, мм
100х30х20 (геркон и магнит)
Масса, кг
0,1 (геркон)+0,1 (магнит)
Извещатель магнитоконтактный
1 шт
- Главная
- Каталог
- Взрывозащищенное оборудование
- Извещатели охранные взрывозащищенные
- Извещатели магнитоконтактные
- Извещатель магнитоконтактный ИО102-ВЗ Атон исп. 21
Извещатель магнитоконтактный ИО102-ВЗ Атон исп. 21
| Количество | Ваша цена | Экономия |
|---|---|---|
| Опт от 17 шт. | 2 895.70 р./шт. | 125.90 р. |
| Запросить КП на крупный опт |
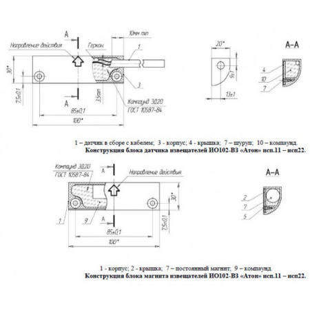
ИО102-ВЗ Атон исп.21 - извещатель белого цвета охранный искробезопасный взрывозащищённый (0ExiaIICT6GaX) точечный магнитоконтактный с переключаемыми типа (НО и НЗ) контактами, в антистатическомом полиамидном корпусе, с проводным выводом в металлическом гофрорукаве и длиной (1м), степенью защиты (IP68) и предназначенным для блокировки гаражных ворот, ангаров, железнодорожных контейнеров, телефонных шкафов и других конструктивных магнитопроводящих (металлических) и магнитонепроводящих (алюминиевых, деревянных и т.д.) элементов зданий и сооружений на открывание и смещение с выдачей в шлейф приёмно-контрольного прибора извещения о тревоге путем переключения контактов геркона.
Данный извещатель включается в искробезопасные шлейфы сигнализации ППКОП, искробезопасные электрические цепи которых имеют параметры, позволяющие подключать данный извещатель.
Для подключения извещателя в шлейф сигнализации производитель рекомендует использовать коробки коммутационные, соединительно - разветвительные или барьеры искробезопасности с маркировкой взрывозащиты (0ExiaIICT6).
Средний срок службы извещателя - не менее 10 лет.
- CMD ИО102 АТОН_АТОН-ВЗ (магнит Обычн и Взрыво извещ+адрес метка НО и НЗ наклад 60в 0,25А 4_10Вт -60+70 IP68) руков 2015г
- CMD ИО102 АТОН-ВЗ в металле (магнит Взрыво извещ+адрес метка НО и НЗ наклад 60в 0,25А 4_10Вт -60+70 IP66_68) руков 2020г
- CMD ИО102 АТОН-МК в металле (магнит Взрыво извещ+адрес метка НО и НЗ наклад 27_60в 0,25А 4_10Вт -60+70 IP66_67) руков 2020г
- CMD (все оборуд) 2020г
Ввиду того, что изделие может быть модифицировано, сведения, представленные на данной странице (изображение, характеристики, документация и т.п.), могут отличаться от фактических особенностей товара. За дополнительной информацией обращайтесь в техническую поддержку.
-
Охранно-пожарная сигнализация
-
Адресные системы
-
Радиоканальные системы
-
Астра-Р (ТЕКО)
-
Астра-РИ (ТЕКО)
-
Астра-РИ-М (ТЕКО)
-
Астра-Прайм (ТЕКО)
-
Астра-Zитадель (ТЕКО)
-
Ладога-РК (Риэлта)
-
С2000Р (Болид)
-
ВЕКТОР-АР (Сибирский Арсенал)
-
ВЕТТА-2020 (Сибирский Арсенал)
-
ГРАНИТ-РК (Сибирский Арсенал)
-
Риф-Ринг-1 (Альтоника)
-
Риф-Ринг-2 (Альтоника)
-
Риф-Ринг-701 (Альтоника)
-
Риф-Ринг-200 (Альтоника)
-
Lonta Optima (Альтоника)
-
Lonta-202 (Альтоника)
-
ACS (GSN)
-
-
GSM системы
-
Приборы приемно-контрольные
-
Извещатели охранные для помещений
-
Извещатели магнитоконтактные
-
Извещатели тревожной сигнализации
-
Извещатели разбития стекла акустические
-
Извещатели разбития стекла ударноконтактные
-
Извещатели движения ультразвуковые
-
Извещатели движения инфракрасные объемные
-
Извещатели движения пассивные инфракрасные поверхностные (штора)
-
Извещатели движения пассивные инфракрасные линейные (коридор)
-
Извещатели движения пассивные инфракрасные потолочные
-
Извещатели движения комбинированные
-
Извещатели совмещенные
-
Извещатели вибрационные и емкостные
-
-
Извещатели охраны периметра
-
Извещатели охраны периметра линейные ИК-активные
-
Извещатели охраны периметра линейные радиоволновые для установки на открытых участках
-
Извещатели охраны периметра ИК-пассивные
-
Извещатели охраны периметра объемные радиоволновые
-
Извещатели охраны периметра комбинированные
-
Извещатели охраны периметра проводно-волновые
-
Извещатели охраны периметра вибрационные
-
-
Извещатели пожарные
-
Извещатели дымовые 2-х проводные
-
Извещатели дымовые 4-х проводные
-
Извещатели дымовые автономные
-
Извещатели дымовые линейные
-
Извещатели дымовые аспирационные
-
Извещатели тепловые максимальные (пороговые)
-
Извещатели тепловые максимально-дифференциальные
-
Извещатели линейные тепловые пожарные
-
Извещатели пламени
-
Извещатели ручные
-
Извещатели комбинированные
-
-
Извещатели аварийные
-
Оповещатели
-
Светильники и аварийное освещение
-
Системы активной защиты
-
Распродажа
-
-
Системы охранного телевидения
-
Системы контроля и управления доступом
-
Домофоны
-
IP-домофония
-
Идентификаторы
-
Кнопки выхода
-
Считыватели
-
Кодовые панели
-
Автономные устройства контроля доступа
-
Сетевые системы контроля доступа
-
Биометрический контроль доступа
-
Системы обратной и диспетчерской связи
-
Замки
-
Электрозащелки
-
Доводчики
-
Турникеты
-
Калитки
-
Ограждения
-
Шлагбаумы
-
Автоматика для ворот
-
Досмотровое оборудование
-
-
Системы оповещения
и управление эвакуацией-
СОУЭ Тромбон
-
СОУЭ Ария (Электротехника и Автоматика)
-
СОУЭ Соната (ВИСТЛ)
-
СОУЭ С (ИП Раченков)
-
СОУЭ МЕТА
-
СОУЭ Октава (Полисервис)
-
СОУЭ Рокот (Сибирский Арсенал)
-
СОУЭ РЕЧОР (РУССБЫТ)
-
СОУЭ РЕЧОР-АТ (АНТИТЕРРОР) (РУССБЫТ)
-
СОУЭ ПКИ-Р (СпецКомИнтегРо)
-
Системы оповещения о пожаре Asenware
-
СОУЭ ROXTON
-
Звуковое оборудование RORSYS
-
СОУЭ JDM
-
СОУЭ MKV
-
СОУЭ ZVON
-
СОУЭ INTER-М
-
-
Взрывозащищенное оборудование
-
Извещатели пожарные взрывозащищенные
-
Извещатели пожарные тепловые резервуарные
-
Извещатели пожарные тепловые точечные
-
Извещатели пожарные тепловые максимально-дифференциальные
-
Извещатели пожарные дымовые
-
Извещатели пожарные комбинированные
-
Извещатели пожарные ручные взрывозащищенные
-
Извещатели пожарные пламени взрывозащищенные
-
Комплектующие к пожарным извещателям
-
-
Извещатели пожарные линейные взрывозащищенные
-
Извещатели охранные взрывозащищенные
-
Извещатели аварийные взрывозащищенные
-
Оповещатели взрывозащищенные
-
Табло оповещения взрывозащищённое
-
Приборы приемно-контрольные и пульты управления взрывозащищенные
-
Адресные взрывозащищенные системы
-
Посты управления взрывозащищенные
-
Системы видеонаблюдения взрывозащищенные
-
Системы контроля доступа взрывозащищенные
-
Громкоговорители взрывозащищенные
-
Коробки коммутационные взрывозащищенные
-
Барьеры искрозащиты
-
Кабельные вводы взрывозащищенные
-
-
Источники вторичного электропитания
-
Расходные и монтажные материалы
-
Средства пожаротушения
-
Первичные средства пожаротушения
-
Порошковое пожаротушение
-
Водяное пожаротушение
-
Аэрозольное пожаротушение
-
Газовое пожаротушение
-
Автономные установки пожаротушения
-
Клапан сброса избыточного давления КСИД
-
Водопенное оборудование
-
Шкафы пожарные
-
Дымоудаление
-
Средства защиты и спасения
-
Знаки безопасности и плакаты
-
-
Сетевое оборудование