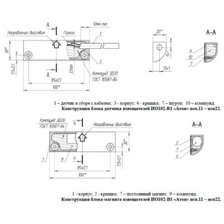
ИО102-ВЗ Атон исп.12Ч
ИО102-ВЗ Атон исп.12Ч - извещатель чёрного цвета охранный искробезопасный взрывозащищённый (0ExiaIICT6GaX) точечный магнитоконтактный с нормально-открытого типа (НО) контактами, в антистатическомом полиамидном корпусе, с проводным выводом бронекабеля и длиной (1м), степенью защиты (IP68) и предназначенным для блокировки гаражных ворот, ангаров, железнодорожных контейнеров, телефонных шкафов и других конструктивных магнитопроводящих (металлических) и магнитонепроводящих (алюминиевых, деревянных и т.д.) элементов зданий и сооружений на открывание и смещение с выдачей в шлейф приёмно-контрольного прибора извещения о тревоге путем размыкания контактов геркона.
Данный извещатель включается в искробезопасные шлейфы сигнализации ППКОП, искробезопасные электрические цепи которых имеют параметры, позволяющие подключать данный извещатель.
Для подключения извещателя в шлейф сигнализации производитель рекомендует использовать коробки коммутационные, соединительно - разветвительные или барьеры искробезопасности с маркировкой взрывозащиты (0ExiaIICT6).
Средний срок службы извещателя - не менее 10 лет.






