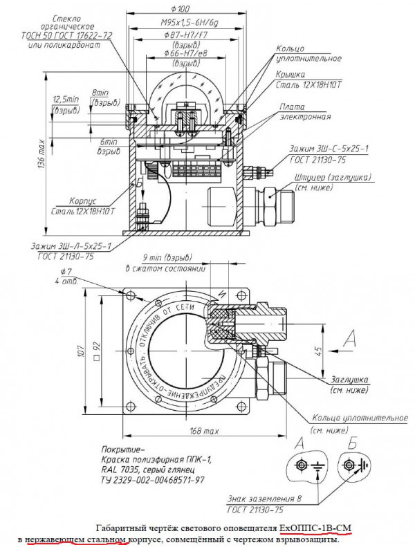
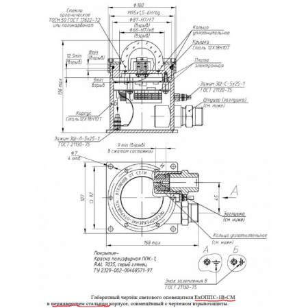
Взрывозащищенный световой оповещатель ExОППС-1В-СМ-Н-К
ExОППС-1В-СМ-Н-К - оповещатель сверхвысокой мощности пожарный взрывозащищенный (1ExdbIICТ6Gb), световой (режим свечения - прерывистый, управляемый с помощью DIP- переключателей - 4 шт. и включением через клеммную колодку по схеме: при подаче напряжения или замыканием внешнего "сухого контакта"), напряжением питания (DC 10 - 60 В или AC 90 - 264, или - оба сразу), степенью защиты (IP67), с 2-мя кабельными вводами для открытой прокладки кабеля диаметром (8 - 14 мм) и уплотнительными кольцами (IVв-29-В-14-1) из смеси резиновой (всё в комплектации), для установки на улице - козырька (по необходимости приобретается отдельно) предназначен для подачи светового сигнала в системах пожарной и охранной сигнализации при совместной работе с любыми приемно-контрольными устройствами и применяется на предприятиях химической, нефтегазодобывающей, нефтегазоперерабатывающей отраслей и взрывоопасных зонах (1 и 2 классов) других производств.
Особенности:
- в корпусе из нержавеющей стали (12Х18Н10Т) с защитным покрытием;
- цвет свечения - белый по умолчанию (красный, жёлтый, зелёный, синий) - под заказ;
- эксплуатация в жестких климатических условиях: от -60 до +70°С.
Крепление извещателя осуществляется с помощью 4-х болтов (в комплект поставки не входят).
Извещатель подлежит обязательному заземлению.
Срок службы извещателя - не менее 10 лет.












