Маркировка взрывозащиты
1ExdbIICT6Gb
Исполнение
Сверхвысокой мощности, для прокладки бронированного кабеля
Количество светодиодов, шт.
1
Реле выходы
1 (НО - внешний сухой контакт)
Частота мигания светового сигнала, Гц
1 - 2
Угол подсветки,град.
180
По способу подключения
2-х проводный
Длительность сигнала , с
28800 (480 мин)
Способ крепления
4-мя болтами (приоб)
Световой поток, Лм
7000=1750 Кд=7000 Лк на 1 кв.м
Диаметр, мм
8 - 14 (вводной кабель)
Управление прибором
DIP - переключателями (4 шт.)
Материал
Алюминиевый сплав + защитн. покрытие
Дополнительное оборудование
Есть: кабель.вводы,уплот.резин.кольца; козырёк(приоб)
Крепление
Есть: крепеж. лапки
по исполнению ввода
На 2-а кабельных ввода
Тип изделия
Оповещатель световой взрывозащищённый
Тип свечения лампы, светодиодов
Прерывистый
Рекомендованный кабель
С жилами не более 2,5 кв.мм
Режим работы
Свет. сигнал (подачей напряж. и замык. сухого контакта) через DIP-перекл.
Индикация
Световая
Тип оповещения
Световой
Цвет
Свечение - белый по умолч. (красный, жёлтый, зелёный, синий) - под заказ
Напряжение питания, В
DC (10 - 60)/0,6A; AC (90 - 264)
Ток потребления. мА
До 500 (пост. напряж)/до 78 (пермен. напряж)
Потребляемая мощность, Вт
0,24 - 3 (пост. напряж)/1,08 - 4,2 (перемен. напряж)
Разъем
Клеммная колодка
Диапазон рабочих температур, °С
-60...+70
Степень защиты, IP
67
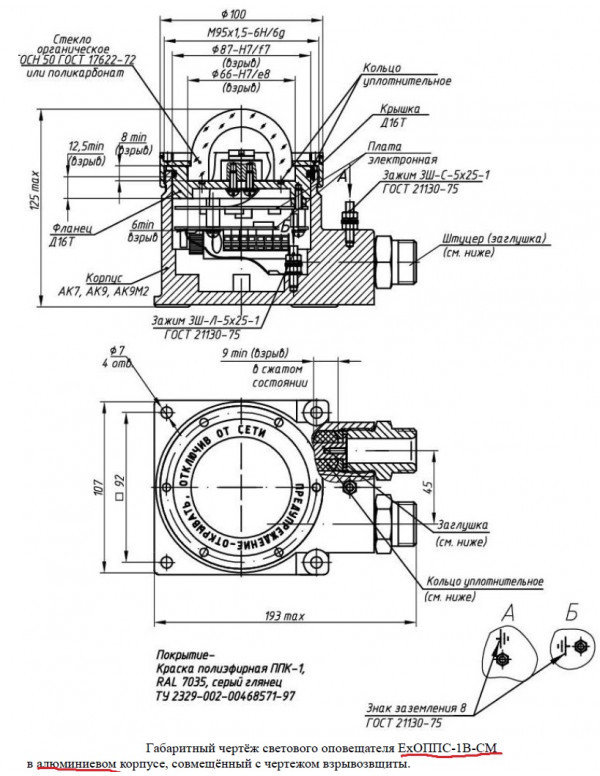
Габаритные размеры, мм
193х107х125
Масса, кг
3
Оповещатель световой взрывозащищенный
1 шт
- Главная
- Каталог
- Взрывозащищенное оборудование
- Оповещатели взрывозащищенные
- Световые
- Оповещатель световой взрывозащищенный ExОППС-1В-СМ-А-Б
Оповещатель световой взрывозащищенный ExОППС-1В-СМ-А-Б
| Количество | Ваша цена | Экономия |
|---|---|---|
| Опт от 2 шт. | 26 754.60 р./шт. | 716.60 р. |
| Запросить КП на крупный опт |
ExОППС-1В-СМ-А-Б - оповещатель сверхвысокой мощности пожарный взрывозащищенный (1ExdbIICТ6Gb), световой (режим свечения - прерывистый, управляемый с помощью DIP- переключателей - 4 шт. и включением через клеммную колодку по схеме: при подаче напряжения или замыканием внешнего "сухого контакта"), напряжением питания (DC 10 - 60 В или AC 90 - 264, или - оба сразу), степенью защиты (IP67), с 2-мя кабельными вводами для прокладки бронированного кабеля диаметром (8 - 14 мм) и уплотнительными кольцами (IVв-29-В-14-1) из смеси резиновой (всё в комплектации), для установки на улице - козырька (по необходимости приобретается отдельно) предназначен для подачи светового сигнала в системах пожарной и охранной сигнализации при совместной работе с любыми приемно-контрольными устройствами и применяется на предприятиях химической, нефтегазодобывающей, нефтегазоперерабатывающей отраслей и взрывоопасных зонах (1 и 2 классов) других производств.
Особенности:
- в корпусе из алюминиевого сплава (АК 7; 9; 9М2) с защитным покрытием;
- цвет свечения - белый по умолчанию (красный, жёлтый, зелёный, синий) - под заказ;
- эксплуатация в жестких климатических условиях: от -60 до +70°С.
Крепление извещателя осуществляется с помощью 4-х болтов (в комплект поставки не входят).
Извещатель подлежит обязательному заземлению.
Срок службы извещателя - не менее 10 лет.
- Эталон (всё) 2021г
- ExОППС-1В разн (оповещ Взрыво свет 180град 10-264в до500мА -60+70_120 IP67) руков 2020г
Ввиду того, что изделие может быть модифицировано, сведения, представленные на данной странице (изображение, характеристики, документация и т.п.), могут отличаться от фактических особенностей товара. За дополнительной информацией обращайтесь в техническую поддержку.
-
Охранно-пожарная сигнализация
-
Адресные системы
-
Радиоканальные системы
-
Астра-Р (ТЕКО)
-
Астра-РИ (ТЕКО)
-
Астра-РИ-М (ТЕКО)
-
Астра-Прайм (ТЕКО)
-
Астра-Zитадель (ТЕКО)
-
Ладога-РК (Риэлта)
-
С2000Р (Болид)
-
ВЕКТОР-АР (Сибирский Арсенал)
-
ВЕТТА-2020 (Сибирский Арсенал)
-
ГРАНИТ-РК (Сибирский Арсенал)
-
Риф-Ринг-1 (Альтоника)
-
Риф-Ринг-2 (Альтоника)
-
Риф-Ринг-701 (Альтоника)
-
Риф-Ринг-200 (Альтоника)
-
Lonta Optima (Альтоника)
-
Lonta-202 (Альтоника)
-
ACS (GSN)
-
-
GSM системы
-
Приборы приемно-контрольные
-
Извещатели охранные для помещений
-
Извещатели магнитоконтактные
-
Извещатели тревожной сигнализации
-
Извещатели разбития стекла акустические
-
Извещатели разбития стекла ударноконтактные
-
Извещатели движения ультразвуковые
-
Извещатели движения инфракрасные объемные
-
Извещатели движения пассивные инфракрасные поверхностные (штора)
-
Извещатели движения пассивные инфракрасные линейные (коридор)
-
Извещатели движения пассивные инфракрасные потолочные
-
Извещатели движения комбинированные
-
Извещатели совмещенные
-
Извещатели вибрационные и емкостные
-
-
Извещатели охраны периметра
-
Извещатели охраны периметра линейные ИК-активные
-
Извещатели охраны периметра линейные радиоволновые для установки на открытых участках
-
Извещатели охраны периметра ИК-пассивные
-
Извещатели охраны периметра объемные радиоволновые
-
Извещатели охраны периметра комбинированные
-
Извещатели охраны периметра проводно-волновые
-
Извещатели охраны периметра вибрационные
-
-
Извещатели пожарные
-
Извещатели дымовые 2-х проводные
-
Извещатели дымовые 4-х проводные
-
Извещатели дымовые автономные
-
Извещатели дымовые линейные
-
Извещатели дымовые аспирационные
-
Извещатели тепловые максимальные (пороговые)
-
Извещатели тепловые максимально-дифференциальные
-
Извещатели линейные тепловые пожарные
-
Извещатели пламени
-
Извещатели ручные
-
Извещатели комбинированные
-
-
Извещатели аварийные
-
Оповещатели
-
Светильники и аварийное освещение
-
Системы активной защиты
-
Распродажа
-
-
Системы охранного телевидения
-
Системы контроля и управления доступом
-
Домофоны
-
IP-домофония
-
Идентификаторы
-
Кнопки выхода
-
Считыватели
-
Кодовые панели
-
Автономные устройства контроля доступа
-
Сетевые системы контроля доступа
-
Биометрический контроль доступа
-
Системы обратной и диспетчерской связи
-
Замки
-
Электрозащелки
-
Доводчики
-
Турникеты
-
Калитки
-
Ограждения
-
Шлагбаумы
-
Автоматика для ворот
-
Досмотровое оборудование
-
-
Системы оповещения
и управление эвакуацией-
СОУЭ Тромбон
-
СОУЭ Ария (Электротехника и Автоматика)
-
СОУЭ Соната (ВИСТЛ)
-
СОУЭ С (ИП Раченков)
-
СОУЭ МЕТА
-
СОУЭ Октава (Полисервис)
-
СОУЭ Рокот (Сибирский Арсенал)
-
СОУЭ РЕЧОР (РУССБЫТ)
-
СОУЭ РЕЧОР-АТ (АНТИТЕРРОР) (РУССБЫТ)
-
СОУЭ ПКИ-Р (СпецКомИнтегРо)
-
Системы оповещения о пожаре Asenware
-
СОУЭ ROXTON
-
Звуковое оборудование RORSYS
-
СОУЭ JDM
-
СОУЭ MKV
-
СОУЭ ZVON
-
СОУЭ INTER-М
-
-
Взрывозащищенное оборудование
-
Извещатели пожарные взрывозащищенные
-
Извещатели пожарные тепловые резервуарные
-
Извещатели пожарные тепловые точечные
-
Извещатели пожарные тепловые максимально-дифференциальные
-
Извещатели пожарные дымовые
-
Извещатели пожарные комбинированные
-
Извещатели пожарные ручные взрывозащищенные
-
Извещатели пожарные пламени взрывозащищенные
-
Комплектующие к пожарным извещателям
-
-
Извещатели пожарные линейные взрывозащищенные
-
Извещатели охранные взрывозащищенные
-
Извещатели аварийные взрывозащищенные
-
Оповещатели взрывозащищенные
-
Табло оповещения взрывозащищённое
-
Приборы приемно-контрольные и пульты управления взрывозащищенные
-
Адресные взрывозащищенные системы
-
Посты управления взрывозащищенные
-
Системы видеонаблюдения взрывозащищенные
-
Системы контроля доступа взрывозащищенные
-
Громкоговорители взрывозащищенные
-
Коробки коммутационные взрывозащищенные
-
Барьеры искрозащиты
-
Кабельные вводы взрывозащищенные
-
-
Источники вторичного электропитания
-
Расходные и монтажные материалы
-
Средства пожаротушения
-
Первичные средства пожаротушения
-
Порошковое пожаротушение
-
Водяное пожаротушение
-
Аэрозольное пожаротушение
-
Газовое пожаротушение
-
Автономные установки пожаротушения
-
Клапан сброса избыточного давления КСИД
-
Водопенное оборудование
-
Шкафы пожарные
-
Дымоудаление
-
Средства защиты и спасения
-
Знаки безопасности и плакаты
-
-
Сетевое оборудование