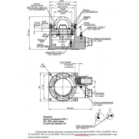
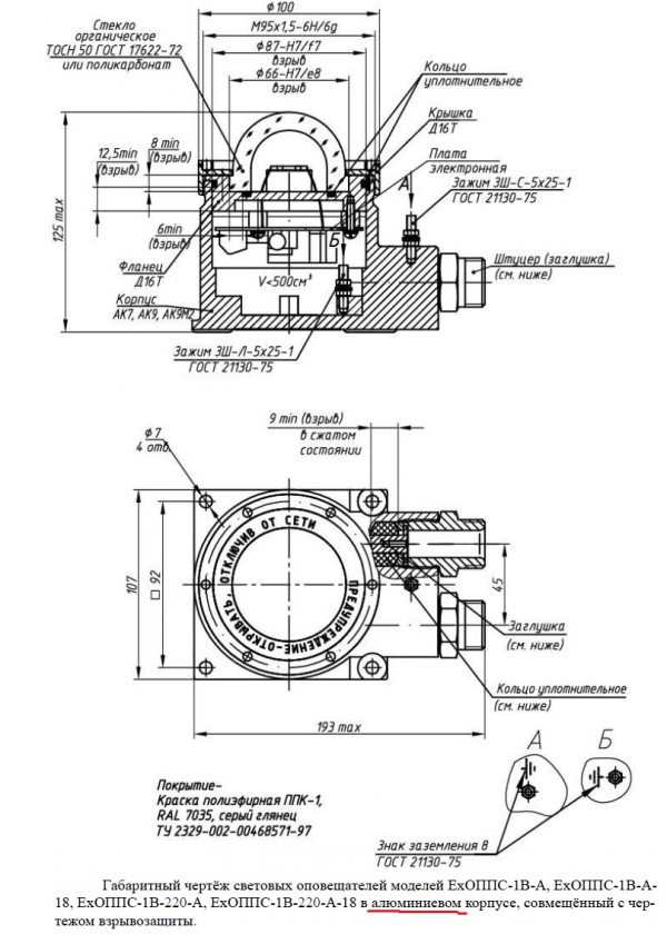
Взрывозащищенный световой оповещатель ExОППС-1В-Р-А-Б
ExОППС-1В-Р-А-Б - оповещатель специальный пожарный взрывозащищенный (1ExdbIICТ6Gb), световой (режим свечения - непрерывный и прерывистый, управляемые с помощью DIP- переключателей - 4 шт. и включением через клеммную колодку по схеме: при подаче напряжения или замыканием внешнего "сухого контакта"), напряжением питания (10 - 60 В), степенью защиты (IP67), с 2-мя кабельными вводами для прокладки бронированного кабеля диаметром (8 - 14 мм) и уплотнительными кольцами (ИРП-1266) из термостойкой резины (всё в комплектации), для установки на улице - козырька (по необходимости приобретается отдельно) предназначен для подачи светового сигнала в системах пожарной и охранной сигнализации при совместной работе с любыми приемно-контрольными устройствами и применяется на предприятиях химической, нефтегазодобывающей, нефтегазоперерабатывающей отраслей и взрывоопасных зонах (1 и 2 классов) других производств.
Особенности:
- в корпусе из алюминиевого сплава (АК 7; 9; 9М2) с защитным покрытием;
- цвет свечения (указать в заказе) - красный, жёлтый, зелёный, белый, синий;
- эксплуатация в жестких климатических условиях: от -60 до +70°С (кратковременно до 3 часов - от +70 до +120°С).
Крепление извещателя осуществляется с помощью 4-х болтов (в комплект поставки не входят).
Извещатель подлежит обязательному заземлению.
Срок службы извещателя - не менее 10 лет.










