БКМ-444
Артикул: 80955
Производитель: Модус-Н
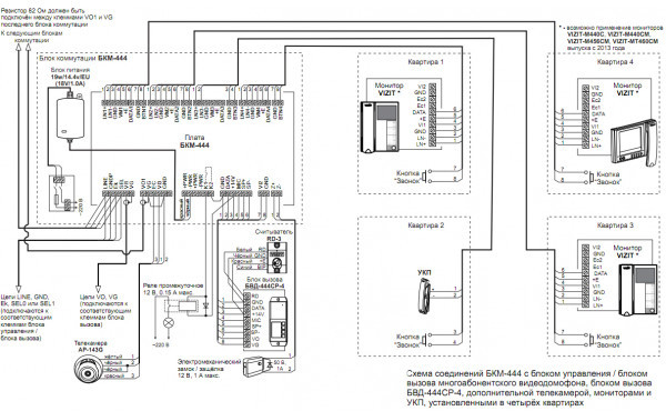
Блок коммутации предназначен для организации этажного, офисного или коттеджного видеодомофона ёмкостью до 4-х абонентов и совместной работы с БВД-444СР-1(2,4). Возможность подключения до 4-х мониторов VIZIT-М427С, а также VIZIT-MT460CM, М456СМ, М440С(СМ) выпуска с 2014 года. Подключение к подъездной линии связи многоабонентского видеодомофона. Подключение дополнительной телекамеры и 4-х кнопок Звонок . Встроенный контроллер ключей RF до 80 шт. Функция управления освещением. Встроенный источник питания для БВД, мониторов и электромеханического замка. Напряжение питания (100-240VAC).
7 241.76 р./шт.RUB
Уточнить цену
7241.76 р./шт. (ваша цена) - по этой цене вы покупаете, оформляя заказ через интернет.
7090.89 р./шт. - цена при покупке на сумму более 50 000 рублей и месячном обороте от 90 000 рублей.
6940.02 р./шт. - цена при покупке на сумму более 90 000 рублей и квартальном обороте от 150 000 рублей.
БКМ-444 - блок коммутации и питания мониторов для совместной работы с БВД-444СР-1(2,4) в составе системы управления доступом для этажа жилого дома, коттеджа, офиса.
Особенности:
-
количество абонентов - до 4;
-
гибкая конфигурация абонентских устройств;
-
возможность подключения подъездной линии связи многоабонентского видеодомофона;
-
встроенный контроллер ключей VIZIT-RF2;
- удобство программирования (конфигурация, запись ключей...) с помощью 4-х разрядного индикатора и кнопок на плате БКМ-444;
-
встроенный источник питания подключенных устройств:
- этажного блока вызова БВД-444CP-1(2,4);
- абонентских мониторов;
- телекамеры на этаже;
- считывателя RD-3 ключей VIZIT-RF2 (входят в комплект БВД-444CP-1(2,4));
- электромеханического замка/защелки;
- напряжение питания, 180 - 250 VAC;
-
габаритные размеры, мм, (ШхВхГ) - 251х208х61;
- диапазон рабочих температур, °C - от + 1 до + 40.
Совместимые устройства:
Модификации VIZIT-M427C: VIZIT-M427C.
Модификации VIZIT-M440: VIZIT-M440C, VIZIT-M440CM.
Модификации VIZIT-M456: VIZIT-М456CM.
Модификации терминала монитора VIZIT-MT460: VIZIT-МT460CM.
Модификации БВД-444: БВД-444CP-1/R, БВД-444CP-2/R, БВД-444CP-4/R.
Модификации БВД-N101: БВД-N101RTCP.
Модификации БУД-301: БУД-301М.
Модификации БУД-302: БУД-302М.
Модификации БУД-408: БУД-408М.
Модификации БУД-420: БУД-420М.
Технические характеристики
Техническая документация
Сертификаты
Количество абонентов:
4
Количество подключаемых вызывных панелей /трубок:
1/4 (вместо мониторов)
Количество дополнительно подключаемых мониторов:
4
Количество поддерживаемых считывателей:
1
Количество подключаемых камер:
1 (вместо вызывной панели)+кн. звонка
Реле выходы:
1 (НО)
Количество ключей:
120
Тип считывателя (без считывателя-о ключи ТМ-тм карты-к):
VIZIT-RF2.x (125 кГц)
Дополнительное оборудование:
Встр. контроллер замка и считывателя
Материал:
Металл
Подключение:
Многопроводное
Крепление:
На стену и DIN-рейку
Тип установки:
Накладной
Цвет:
Серый
Напряжение питания, В:
180 - 250
Ток потребления. мА:
100
Потребляемая мощность, Вт:
20
Разъем:
Клеммы
Диапазон рабочих температур, °С:
+1…+40
Степень защиты, IP:
20
Габаритные размеры, мм:
251х208х61
Масса, кг:
1,3
Ввиду того, что изделие может быть модифицировано, сведения, представленные на данной странице (изображение, характеристики, документация и т.п.), могут отличаться от фактических особенностей товара. За дополнительной информацией обращайтесь в техническую поддержку.




