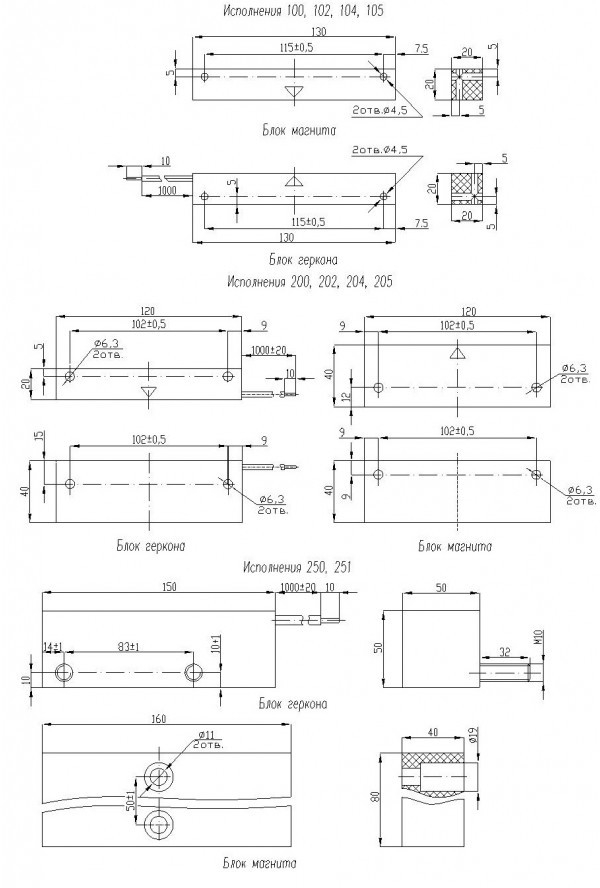
ИО 102-26 исп. 202
ИО 102-26 исп. 202 "Нержавейка" - извещатель накладной охранный точечный магнитоконтактный с перекидными типа (НО и НЗ) контактами, в корпусе из нержавеющей стали и серебристого цвета, с проводным выводом кабеля ПВС 3х0,75 и длиной (1м; другая - под заказ) без защитного рукава предназначен для блокировки гаражных ворот, ангаров, железнодорожных контейнеров, телефонных шкафов и других конструктивных магнитопроводящих (металлических) и магнитонепроводящих (алюминиевых, деревянных и т.д.) элементов зданий и сооружений на открывание и смещение с выдачей в шлейф приёмно-контрольного прибора извещения о тревоге путем переключения контактов геркона.
Для исключения нестабильной работы извещателя, производитель рекомендует применение кронштейна (К-26) - приобретается отдельно.
Срок службы извещателя - не менее 8 лет.




