ИО 102-20 А2П (1)
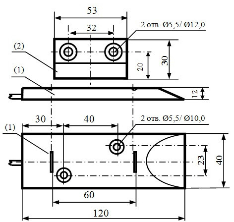
ИО 102-20 А2П (1) - извещатель накладной охранный точечный магнитоконтактный с нормально-открытого типа (НО) контактами, в корпусе из пластмассы и цвета (белый, серый, чёрный - указать в заказе), с проводным выводом в обычной изоляции и длиной (0,6м) без защитного рукава предназначен для блокировки гаражных ворот, ангаров, железнодорожных контейнеров, телефонных шкафов и других конструктивных магнитопроводящих (металлических) и магнитонепроводящих (алюминиевых, деревянных и т.д.) элементов зданий и сооружений на открывание и смещение с выдачей в шлейф приёмно-контрольного прибора извещения о тревоге путем размыкания контактов геркона.
Для исключения нестабильной работы извещателя, производитель рекомендует применение кронштейна (К-20/50) - приобретается отдельно.
Срок службы извещателя - не менее 8 лет.
























