Звуковое давление,дБ
95 - 105
Маркировка взрывозащиты
1ExiaIIBT6Gb
Исполнение
Уличный, влагозащищённый, искробезопасный
Частота мигания светового сигнала, Гц
2
Способ крепления
2-мя винтами или шурупами (приоб)
По способу подключения
2-х проводный
Диаметр, мм
5 - 7 (вводной кабель)
Номинальное сопротивление выносного резистора, кОм
8,2 (установлено)
Управление прибором
Автоматически
Материал
Антистатич. пластик
Дополнительное оборудование
Есть: кабель. ввод, резин. уплотнение
Крепление
Есть: крепеж. лапки
Режим работы
Звук. и свет. сигнал (подачей напряж.)
Возможность подключения неадресного оборудования
Коммутац. коробка (КСРВ-i) и БПЦ
по исполнению ввода
На 1-ин кабельный ввод
Тип изделия
Оповещатель светозвуковой взрывозащищённый
Тип свечения лампы, светодиодов
Прерывистый
Рекомендованный кабель
С жилами не более 2,5 кв.мм
Тип оповещения
Световой и/или звуковой
Цвет
Свечение - красный или жёлтый по умолч. (синий) - под заказ
Напряжение питания, В
DC (12,7 - 19,5)/0,1A
Ток потребления. мА
75
Потребляемая мощность, Вт
1
Разъем
Клеммы
Диапазон рабочих температур, °С
-55...+55
Степень защиты, IP
67
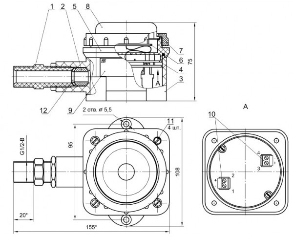
Габаритные размеры, мм
155х108х75
Масса, кг
0,4
Оповещатель комбинированный взрывозащищенный
1 шт
- Главная
- Каталог
- Взрывозащищенное оборудование
- Оповещатели взрывозащищенные
- Комбинированные
- Оповещатель комбинированный взрывозащищенный ЗОВ-ИБ 1КВ
Оповещатель комбинированный взрывозащищенный ЗОВ-ИБ 1КВ
| Количество | Ваша цена | Экономия |
|---|---|---|
| Опт от 6 шт. | 8 979.20 р./шт. | 780.80 р. |
| Запросить КП на крупный опт |
ЗОВ-ИБ 1КВ - оповещатель искробезопасный пожарный взрывозащищенный (1ExiaIIBT6Gb), световой и/или звуковой (прерывистый - свет, 95 - 105 дБ - непрерывный звук по схеме: подачей напряжения), с 1-им кабельным вводом для трубной (G1/2") прокладки кабеля диаметром (5 - 7 мм), напряжением питания (12,7 - 19,5 В), степенью защиты (IP67) подключается в искробезопасные цепи барьеров серии "БПЦ" или других источников питания, искробезопасные электрические цепи которых имеют параметры, позволяющие подключение данного оповещателя.
Данный оповещатель предназначен для подачи светового и/или звукового сигнала в системах пожарной и охранной сигнализации при совместной работе с любыми приемно-контрольными устройствами и применяется на предприятиях химической, нефтегазодобывающей, нефтегазоперерабатывающей отраслей и взрывоопасных зонах (0 и ниже классов) других производств.
Особенности:
- выпускается в корпусе из антистатического пластика;
- имеется резистор (8,2 кОм) для контроля целостности линии питания;
- эксплуатация в жестких климатических условиях: от -55 до +55°С;
- цвет свечения - по умолчанию красный либо жёлтый (синий - под заказ).
Для подключения оповещателя в шлейф сигнализации производитель рекомендует использовать коробки соединительно - разветвительные (КСРВ-i) с маркировкой взрывозащиты (0ExiaIICT6Ga) или аналогичные.
Для контроля исправности цепи линии питания, рекомендуется применять устройство - БПЦ.
Крепление оповещателя осуществляется через встроенные лапки с помощью 2-ух винтов (М5) или шурупов.
Срок службы оповещателя - не менее 10 лет.
- ЗОВ-ИБ разн (оповещ Взрыво искро свет_звук_комбинир до105дБ 180град 12,7-19,5в до80мА -55+55 IP67) руков 2018г
- КСРВ-i разн (коробки взрыво соедин-разветвит) руков 2018г
- БПЦ (барьер искро пуск цепи) руков 2016г
Ввиду того, что изделие может быть модифицировано, сведения, представленные на данной странице (изображение, характеристики, документация и т.п.), могут отличаться от фактических особенностей товара. За дополнительной информацией обращайтесь в техническую поддержку.
-
Охранно-пожарная сигнализация
-
Адресные системы
-
Радиоканальные системы
-
Астра-Р (ТЕКО)
-
Астра-РИ (ТЕКО)
-
Астра-РИ-М (ТЕКО)
-
Астра-Прайм (ТЕКО)
-
Астра-Zитадель (ТЕКО)
-
Ладога-РК (Риэлта)
-
С2000Р (Болид)
-
ВЕКТОР-АР (Сибирский Арсенал)
-
ВЕТТА-2020 (Сибирский Арсенал)
-
ГРАНИТ-РК (Сибирский Арсенал)
-
Риф-Ринг-1 (Альтоника)
-
Риф-Ринг-2 (Альтоника)
-
Риф-Ринг-701 (Альтоника)
-
Риф-Ринг-200 (Альтоника)
-
Lonta Optima (Альтоника)
-
Lonta-202 (Альтоника)
-
ACS (GSN)
-
-
GSM системы
-
Приборы приемно-контрольные
-
Извещатели охранные для помещений
-
Извещатели магнитоконтактные
-
Извещатели тревожной сигнализации
-
Извещатели разбития стекла акустические
-
Извещатели разбития стекла ударноконтактные
-
Извещатели движения ультразвуковые
-
Извещатели движения инфракрасные объемные
-
Извещатели движения пассивные инфракрасные поверхностные (штора)
-
Извещатели движения пассивные инфракрасные линейные (коридор)
-
Извещатели движения пассивные инфракрасные потолочные
-
Извещатели движения комбинированные
-
Извещатели совмещенные
-
Извещатели вибрационные и емкостные
-
-
Извещатели охраны периметра
-
Извещатели охраны периметра линейные ИК-активные
-
Извещатели охраны периметра линейные радиоволновые для установки на открытых участках
-
Извещатели охраны периметра ИК-пассивные
-
Извещатели охраны периметра объемные радиоволновые
-
Извещатели охраны периметра комбинированные
-
Извещатели охраны периметра проводно-волновые
-
Извещатели охраны периметра вибрационные
-
-
Извещатели пожарные
-
Извещатели дымовые 2-х проводные
-
Извещатели дымовые 4-х проводные
-
Извещатели дымовые автономные
-
Извещатели дымовые линейные
-
Извещатели дымовые аспирационные
-
Извещатели тепловые максимальные (пороговые)
-
Извещатели тепловые максимально-дифференциальные
-
Извещатели линейные тепловые пожарные
-
Извещатели пламени
-
Извещатели ручные
-
Извещатели комбинированные
-
-
Извещатели аварийные
-
Оповещатели
-
Светильники и аварийное освещение
-
Системы активной защиты
-
Распродажа
-
-
Системы охранного телевидения
-
Системы контроля и управления доступом
-
Домофоны
-
IP-домофония
-
Идентификаторы
-
Кнопки выхода
-
Считыватели
-
Кодовые панели
-
Автономные устройства контроля доступа
-
Сетевые системы контроля доступа
-
Биометрический контроль доступа
-
Системы обратной и диспетчерской связи
-
Замки
-
Электрозащелки
-
Доводчики
-
Турникеты
-
Калитки
-
Ограждения
-
Шлагбаумы
-
Автоматика для ворот
-
Досмотровое оборудование
-
-
Системы оповещения
и управление эвакуацией-
СОУЭ Тромбон
-
СОУЭ Ария (Электротехника и Автоматика)
-
СОУЭ Соната (ВИСТЛ)
-
СОУЭ С (ИП Раченков)
-
СОУЭ МЕТА
-
СОУЭ Октава (Полисервис)
-
СОУЭ Рокот (Сибирский Арсенал)
-
СОУЭ РЕЧОР (РУССБЫТ)
-
СОУЭ РЕЧОР-АТ (АНТИТЕРРОР) (РУССБЫТ)
-
СОУЭ ПКИ-Р (СпецКомИнтегРо)
-
Системы оповещения о пожаре Asenware
-
СОУЭ ROXTON
-
Звуковое оборудование RORSYS
-
СОУЭ JDM
-
СОУЭ MKV
-
СОУЭ ZVON
-
СОУЭ INTER-М
-
-
Взрывозащищенное оборудование
-
Извещатели пожарные взрывозащищенные
-
Извещатели пожарные тепловые резервуарные
-
Извещатели пожарные тепловые точечные
-
Извещатели пожарные тепловые максимально-дифференциальные
-
Извещатели пожарные дымовые
-
Извещатели пожарные комбинированные
-
Извещатели пожарные ручные взрывозащищенные
-
Извещатели пожарные пламени взрывозащищенные
-
Комплектующие к пожарным извещателям
-
-
Извещатели пожарные линейные взрывозащищенные
-
Извещатели охранные взрывозащищенные
-
Извещатели аварийные взрывозащищенные
-
Оповещатели взрывозащищенные
-
Табло оповещения взрывозащищённое
-
Приборы приемно-контрольные и пульты управления взрывозащищенные
-
Адресные взрывозащищенные системы
-
Посты управления взрывозащищенные
-
Системы видеонаблюдения взрывозащищенные
-
Системы контроля доступа взрывозащищенные
-
Громкоговорители взрывозащищенные
-
Коробки коммутационные взрывозащищенные
-
Барьеры искрозащиты
-
Кабельные вводы взрывозащищенные
-
-
Источники вторичного электропитания
-
Расходные и монтажные материалы
-
Средства пожаротушения
-
Первичные средства пожаротушения
-
Порошковое пожаротушение
-
Водяное пожаротушение
-
Аэрозольное пожаротушение
-
Газовое пожаротушение
-
Автономные установки пожаротушения
-
Клапан сброса избыточного давления КСИД
-
Водопенное оборудование
-
Шкафы пожарные
-
Дымоудаление
-
Средства защиты и спасения
-
Знаки безопасности и плакаты
-
-
Сетевое оборудование