ВЭРС-ПК4 ТРИО-М (версия 3.2)
ВЭРС-ПК 4 ТРИО-М версия 3.2 - автодозвонная система охраны (с предустановленным модулем автодозвона ВЭРС-МАД) и мониторинга предназначена через 4 ШС для организации на объектах охраны от проникновения посторонних лиц, пожарной сигнализации и оповещения (через встроенный речевой модуль с возможностью записи голосовых сообщений).
Система обеспечивает автоматическое информирование пользователей о состоянии объекта речевыми сообщениями и/или SMS сообщениями, передаваемыми на телефоны по сети GSM (с использованием основной или резервной SIM-карты) и/или по проводной телефонной сети (ГТС).
Приборы ВЭРС-ПК2/4/8 ТРИО-М Версия 3.2 сохраняют полную преемственность приборам ВЭРС-ПК2/4/8 ТРИО-М по функционалу и схеме подключения, но обладают рядом преимуществ:
- Внедрен высокоэффективный импульсный источник питания;
- Расширен диапазон рабочего сетевого напряжения - 135-242 В;
- Поддерживается полноценная работа с глубоко разряженной АКБ;
- Прибор оснащен встроенным интерфейсом USB для загрузки и считывания конфигурации;
- Уменьшен удельный вес прибора.
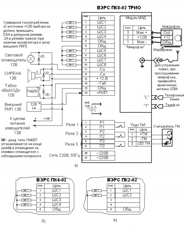
В технологический шлейф сигнализации (ШСТ) прибора могут быть включены сухие гальванически изолированные контакты промышленных датчиков, газоанализаторов, датчики протечек и т.д.:
- датчики протечки воды типа «ВЭРС-ДПВ» и подобные им;
- датчики природного газа типа TGDR-1224M и подобные им;
- выходные цепи реле ПЦН приемно-контрольных приборов ВЭРС-ПК и подобные им.
- релейные модули «ВЭРС-БРУ» и подобные им.
Возможности и особенности:
- Передача извещений пользователю на 72 запрограммированных номеров телефонов (GSM, ГТС) в виде речевых сообщений и SMS сообщений.
- Количество номеров дозвона:
ГТС – 24
GSM – 24
GSM SMS - 24
- Установка и использование двух SIM карт для резервирования каналов дозвона и повышения надежности системы;
- Контроль глушения сигнала GSM.
- Автоматический переход на использование второй SIM-карты с регистрацией события в энергонезависимой памяти и передачей соответствующего сообщения;
- Контроль исправности линии связи ГТС;
- Автоматический контроль баланса на используемых SIM-картах;
- Дистанционное управление ШС приборов, запрос состояния ШС с защитой от несанкционированного доступа паролем и белым списком (перечнем номеров телефонов, разрешенных для связи).
- Дистанционное и по расписанию управление тремя пользовательскими реле, (250В, 5А);
- Встроенный регистратор событий на 3000 записей;
- Длительность одной попытки дозвона - 60 секунд;
- Максимальное количество попыток дозвона по каждому номеру ГТС или GSM – 3;
- Выбор групп событий, по которым передаются сообщения: постановка/снятие, тревога, пожар, внимание, техническое обслуживание, режим питания, состояние АКБ, состояние счетов GSM, состояние температуры;
- Возможность передачи сообщений о состоянии одного или нескольких ШС на конкретные номера телефонов;
- Автоматизированная разметка SIM-карты для конфигурации МАД с внешнего телефона (запись шаблона в SIM-карту с индикацией процесса записи) и настройка исходной конфигурации для модуля автодозвона;
- Возможность ручной конфигурации параметров прибора с помощью его встроенных органов управления;
- Возможность конфигурации прибора и модуля автодозвона, посредством компьютерной программы «ВЭРС Конфигуратор», через USB интерфейс;
- Возможность обязательного (безусловного) дозвона на несколько телефонов из общего списка;
- Возможность выбора групп передаваемых сообщений по каждому исходящему телефонному номеру;
- Задание пользователем своих текстов SMS для сообщений передаваемых прибором по событиям ТРЕВОГА, ПОЖАР, ТЕХНОЛОГИЧЕСКАЯ СРАБОТКА;
- Передача ФИО владельца ключа Touch Memory в SMS для событий постановки/снятия ШСО ключами Touch Memory;
- Выбор голоса для оповещения из 6 предустановленных в программе «ВЭРС Конфигуратор» или создание собственных голосовых оповещений;
- Контроль температуры с помощью внешнего подключаемого датчика «ВЭРС-Т» с возможностью автоматического оповещения или оповещения по запросу текущего состояния;
- Контроль акустической обстановки с помощью внешнего подключаемого «Активного микрофона ТРИО».
В комплект поставки входят:
- Прибор
- Ключ Touch Memory DS1990A - 2шт.
- Выносной считыватель Touch Memory - 1 шт.
- Соединительный кабель USB Mini-B to standart-A.






