Время резерва, час
24/3 (оповещение)
Выходное напряжение, В
30, 100
Количество выходов
8 (реч) + 2 (свет оповещ) + 2 (технол)
Количество линейных входов
1 (внешн микроф)
Реле выходы
2 (НО и НЗ) + 2 (ОК)
Номинальное сопротивление выносного резистора, кОм
2,4 (НЗ); 4,7 (НО) к ППКОП
Максимально комутируемые напряжение/ток, В/А
230/5 (оповещ, пуск, технолог)
Номинальная мощность,Вт
2х120 = 240
Рекомендуемый АКБ, А*ч
2х7
Максимальное количество речевых сообщений в памяти устройства
3 (с возможностью записи)
Суммарная длительность речевых сообщений, с
3х40 = 120
Количество входов
8 (ПС) + 2 (ГО и ЧС)
Количество каналов управления
8 оповещ+2 (ГО и ЧС)
Интерфейс
RS-485
Интеграция с оборудованием или ПО
АРМ Орион ПРО и др. по согласов. протоколу обмена
Контроль линии оповещения
Есть
Дополнительное оборудование
Есть: встр усил мощн -2шт., громкогов
Режим работы
Круглосуточно
Материал
Металл
Количество светодиодов, шт.
Много
Управление прибором
По WEB-интерфейсу, ПК, переключателями, кнопками
Тип изделия
Прибор - моноблок комплексного управления различным оповещением
Цвет
Светло-серый
Индикация
Световая и звуковая
Тип оповещения
Световой, звуковой, комбинир и речевой
Встроенный микрофон
Электретный
Напряжение питания, В
195 - 253
Ток потребления. мА
1500
Потребляемая мощность, Вт
300
Разъем
RJ45, клеммы
Диапазон рабочих температур, °С
0...+40
Степень защиты, IP
41
Габаритные размеры, мм
480х440х130
Масса (без аккумулятора) , не более, кг
16
Прибор управления
1 шт
- Главная
- Каталог
- Средства и системы оповещения, музыкальной трансляции
- СОУЭ Тромбон
- Приборы управления
- Прибор управления Тромбон-ПУ-8К (240 Вт)
Прибор управления Тромбон-ПУ-8К (240 Вт)
Артикул: 82725
138 428 р./шт.
(с НДС)
0 р.
| Количество | Ваша цена | Экономия |
|---|---|---|
| Опт от 1 шт. | 110 320 р./шт. | 28 108 р. |
| Запросить КП на крупный опт |
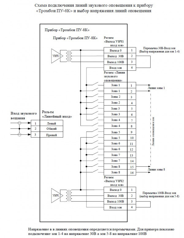
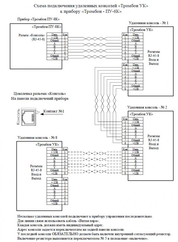
Прибор управления предназначен для построения системы оповещения и управления эвакуацией (СОУЭ) 3 го и 4 го типов. Прибор имеет 8 зон/8 линий оповещения, встроенный усилитель мощности, систему резервного питания, два входа МЧС, гибкие настройки алгоритмов оповещения, интеллектуальную систему контроля всех линий связи, порт для подключения удаленных консолей и интерфейс для подключения ПК и сопряжения с системами безопасности АРМ Орион Про .
Характеристики:
Производитель:
Тромбон
Описание:
Тромбон-ПУ-8К - прибор-моноблок на 8 зон комплексного управления техническими средствами оповещения для СОУЭ 3 и 4-го типа объектов: офисные центры, гостиницы, медицинские учреждения, техникумы, большие школы и т.д.
Особенности:
- Речевое, звуковое и световое оповещение в ручном и автоматическом режимах.
- Наличие 2-ух встроенных усилителей мощности.
- Прием и трансляция сигналов, передаваемых по каналам оповещения МЧС.
- Наличие встроенного громкоговорителя.
- Управление эвакуационным освещением.
- Встроенный микрофон и наличие входа внешнего микрофона.
- Наличие встроенного резервного питания от АКБ 7Ач (2шт) - приобретаются отдельно.
- Управление системой контроля доступа (открытие запоров эвакуационных выходов).
- Наличие записи 3-х речевых сообщений длительностью (40 сек. каждый).
- Управление через обобщённый выход "ПУСК" экстренными системами: оповещения и исполнительных устройств.
- Контроль исправности линий связи со световыми (СО) и звуковыми оповещателями (ЗО).
- Контроль исправности линий связи с установкой пожарной сигнализации в том числе - автоматизированной (АПС).
- Контроль состояния входов тревоги.
- Контроль исправности связи по интерфейсу (RS-485) с сопряженной системой безопасности (АРМ Орион ПРО через С2000 ПП, другие - по согласованному протоколу обмена).
- Гибкие алгоритмы оповещения.
- Звуковое вещание на объекте с приоритетом режима оповещения.
- Звуковое вещание от удаленных консолей типа Тромбон – УК-М (8шт).
Техническая документация
- ПУ-8К (пибор-моноблок упр 8 зон 240вт 30_100в АКБ7ач-2шт 3реч сооб микроф ГО_ЧС+АРМ Орион) паспорт 2021г
- ПУ-8К (пибор-моноблок упр 8 зон 240вт 30_100в АКБ7ач-2шт 3реч сооб микроф ГО_ЧС+АРМ Орион) руков 2021г
- (Методика электроакуст расчёта для оповещ Глагол) 2014г
- Тромбон (всё) 2019г
- Тромбон (всё) 2020г
Сертификаты
Ввиду того, что изделие может быть модифицировано, сведения, представленные на данной странице (изображение, характеристики, документация и т.п.), могут отличаться от фактических особенностей товара. За дополнительной информацией обращайтесь в техническую поддержку.
Каталог товаров
-
Охранно-пожарная сигнализация
-
Адресные системы
-
Радиоканальные системы
-
Астра-Р (ТЕКО)
-
Астра-РИ (ТЕКО)
-
Астра-РИ-М (ТЕКО)
-
Астра-Прайм (ТЕКО)
-
Астра-Zитадель (ТЕКО)
-
Ладога-РК (Риэлта)
-
С2000Р (Болид)
-
ВЕКТОР-АР (Сибирский Арсенал)
-
ВЕТТА-2020 (Сибирский Арсенал)
-
ГРАНИТ-РК (Сибирский Арсенал)
-
Риф-Ринг-1 (Альтоника)
-
Риф-Ринг-2 (Альтоника)
-
Риф-Ринг-701 (Альтоника)
-
Риф-Ринг-200 (Альтоника)
-
Lonta Optima (Альтоника)
-
Lonta-202 (Альтоника)
-
ACS (GSN)
-
-
GSM системы
-
Приборы приемно-контрольные
-
Извещатели охранные для помещений
-
Извещатели магнитоконтактные
-
Извещатели тревожной сигнализации
-
Извещатели разбития стекла акустические
-
Извещатели разбития стекла ударноконтактные
-
Извещатели движения ультразвуковые
-
Извещатели движения инфракрасные объемные
-
Извещатели движения пассивные инфракрасные поверхностные (штора)
-
Извещатели движения пассивные инфракрасные линейные (коридор)
-
Извещатели движения пассивные инфракрасные потолочные
-
Извещатели движения комбинированные
-
Извещатели совмещенные
-
Извещатели вибрационные и емкостные
-
-
Извещатели охраны периметра
-
Извещатели охраны периметра линейные ИК-активные
-
Извещатели охраны периметра линейные радиоволновые для установки на открытых участках
-
Извещатели охраны периметра ИК-пассивные
-
Извещатели охраны периметра объемные радиоволновые
-
Извещатели охраны периметра комбинированные
-
Извещатели охраны периметра проводно-волновые
-
Извещатели охраны периметра вибрационные
-
-
Извещатели пожарные
-
Извещатели дымовые 2-х проводные
-
Извещатели дымовые 4-х проводные
-
Извещатели дымовые автономные
-
Извещатели дымовые линейные
-
Извещатели дымовые аспирационные
-
Извещатели тепловые максимальные (пороговые)
-
Извещатели тепловые максимально-дифференциальные
-
Извещатели линейные тепловые пожарные
-
Извещатели пламени
-
Извещатели ручные
-
Извещатели комбинированные
-
-
Извещатели аварийные
-
Оповещатели
-
Светильники и аварийное освещение
-
Системы активной защиты
-
Распродажа
-
-
Системы охранного телевидения
-
Системы контроля и управления доступом
-
Домофоны
-
IP-домофония
-
Идентификаторы
-
Кнопки выхода
-
Считыватели
-
Кодовые панели
-
Автономные устройства контроля доступа
-
Сетевые системы контроля доступа
-
Биометрический контроль доступа
-
Системы обратной и диспетчерской связи
-
Замки
-
Электрозащелки
-
Доводчики
-
Турникеты
-
Калитки
-
Ограждения
-
Шлагбаумы
-
Автоматика для ворот
-
Досмотровое оборудование
-
-
Системы оповещения
и управление эвакуацией-
СОУЭ Тромбон
-
СОУЭ Ария (Электротехника и Автоматика)
-
СОУЭ Соната (ВИСТЛ)
-
СОУЭ С (ИП Раченков)
-
СОУЭ МЕТА
-
СОУЭ Октава (Полисервис)
-
СОУЭ Рокот (Сибирский Арсенал)
-
СОУЭ РЕЧОР (РУССБЫТ)
-
СОУЭ РЕЧОР-АТ (АНТИТЕРРОР) (РУССБЫТ)
-
СОУЭ ПКИ-Р (СпецКомИнтегРо)
-
Системы оповещения о пожаре Asenware
-
СОУЭ ROXTON
-
Звуковое оборудование RORSYS
-
СОУЭ JDM
-
СОУЭ MKV
-
СОУЭ ZVON
-
СОУЭ INTER-М
-
-
Взрывозащищенное оборудование
-
Извещатели пожарные взрывозащищенные
-
Извещатели пожарные тепловые резервуарные
-
Извещатели пожарные тепловые точечные
-
Извещатели пожарные тепловые максимально-дифференциальные
-
Извещатели пожарные дымовые
-
Извещатели пожарные комбинированные
-
Извещатели пожарные ручные взрывозащищенные
-
Извещатели пожарные пламени взрывозащищенные
-
Комплектующие к пожарным извещателям
-
-
Извещатели пожарные линейные взрывозащищенные
-
Извещатели охранные взрывозащищенные
-
Извещатели аварийные взрывозащищенные
-
Оповещатели взрывозащищенные
-
Табло оповещения взрывозащищённое
-
Приборы приемно-контрольные и пульты управления взрывозащищенные
-
Адресные взрывозащищенные системы
-
Посты управления взрывозащищенные
-
Системы видеонаблюдения взрывозащищенные
-
Системы контроля доступа взрывозащищенные
-
Громкоговорители взрывозащищенные
-
Коробки коммутационные взрывозащищенные
-
Барьеры искрозащиты
-
Кабельные вводы взрывозащищенные
-
-
Источники вторичного электропитания
-
Расходные и монтажные материалы
-
Средства пожаротушения
-
Первичные средства пожаротушения
-
Порошковое пожаротушение
-
Водяное пожаротушение
-
Аэрозольное пожаротушение
-
Газовое пожаротушение
-
Автономные установки пожаротушения
-
Клапан сброса избыточного давления КСИД
-
Водопенное оборудование
-
Шкафы пожарные
-
Дымоудаление
-
Средства защиты и спасения
-
Знаки безопасности и плакаты
-
-
Сетевое оборудование