Рокот-4
Рокот-4 - прибор управления с контролем линии речевого оповещения на 2 зоны для трансляции поочерёдно на каждую зону предварительно записанного 1-ого речевого сообщения при возникновении пожара или других экстремальных ситуаций, трансляции внешнего сигнала с линейного входа только по ЛО1.
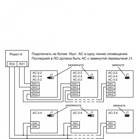
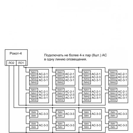
Прибор работает с акустическими системами «АС-2-1», «АС-3-1», «АС-3-3», «АС-2-2», «АС-3-2», «АС-3-4», а так же «АС-2-3» и «АС-2-4» (без подключения светового канала), подключёнными с помощью соединительных линий (линий оповещения).
Прибор предназначен для установки внутри защищаемого объекта и рассчитан на круглосуточную непрерывную работу.
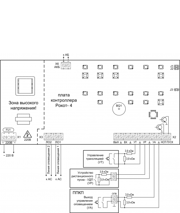
Прибор предназначен для работы совместно с приемно-контрольными пожарными приборами серий «Гранит», «Карат», «Кварц», «Пирит» или аналогичными приборами других производителей, имеющими выход включения оповещения типа - «открытый коллектор» либо «нормально разомкнутые контакты реле».
Особенности:
- Прибор обеспечивает речевое оповещение, воспроизводя одно записанное тревожное сообщение: «Внимание! Пожарная тревога! Всем сотрудникам и посетителям необходимо срочно покинуть здание» или транслируя сигнал, подаваемый на линейный вход.
- К каждой из ЛО может быть подключено до 8 АС типов: «АС-2-1», «АС-2-3», «АС-3-1», «АС-3-3» или до 16 АС, имеющих высокое входное сопротивление: «АС-2-2», «АС-2-4», «АС-3-2», «АС-3-4».
- Есть вариант параллельно-последовательного соединения «АС-2-2», «АС-2-4», «АС-3-2», «АС-3-4» – до 61 шт. в одну ЛО.
- Управление тревожным оповещением осуществляется:
- автоматически, при получении сигнала от прибора пожарной сигнализации, включенного в линию УА;
- вручную, с панели индикации и управления прибора;
- дистанционно, с помощью устройства дистанционного пуска, включенного в линию УР.
- Прибор обеспечивает автоматический переход на питание от аккумуляторной батареи (АБ) при пропадании напряжения сети и обратно с сохранением функционального состояния.
- Прибор, при наличии сетевого напряжения, подзаряжает АБ в буферном режиме.
- Прибор имеет функции контроля наличия АБ, защиты АБ от глубокого разряда, защиты АБ от короткого замыкания и защиты АБ от переполюсовки выводов.
- Прибор осуществляет непрерывный контроль линий управления и периодический контроль линии оповещения на отсутствие замыканий или обрывов.
- Для обеспечения контроля исправного состояния системы оповещения прибор имеет выход «Неисправность».
- Для обеспечения контроля запуска оповещения прибор имеет выход «Пуск».
- Усилитель мощности звукового сигнала, используемый в приборе, имеет защиту от короткого замыкания линии оповещения.

























