Ток нагрузки в ШС, мА
200
Количество выходов
4
Коэффициент вероятности безотказной работы, не менее
0,98
Напряжение в ШС, В
10,5 - 28,5
Максимальная длина линии связи, м
30 (устр.), 1000 (RS-485)
Количество светодиодов, шт.
5
Материал
ABS-пластик
Интерфейс
RS-485 (2 шт.)
Цвет
Белый+серый
Тестирование (проверка) работы
Встр. кнопкой
Количество приборов, подключаемых к линии интерфейса RS-485
До 125
Крепление
На стену и DIN-рейку (приоб.)
Интеграция с оборудованием или ПО
ПКУ-1 прот. R3, ПО FireSec3
Дополнительное оборудование
Подкл. табло, свето и звук. оповещ., УПН
Тип изделия
Релейный модуль адресный
Индикация
Световая
Напряжение питания, В
10,5 - 28,5
Ток потребления. мА
5
Потребляемая мощность, Вт
1
Разъем
Клеммы
Диапазон рабочих температур, °С
-25...+55
Степень защиты, IP
20
Габаритные размеры, мм
84х125х37
Масса, кг
0,15
РМ-4К прот. R3
| Количество | Ваша цена | Экономия |
|---|---|---|
| Опт от 11 шт. | 4 018 р./шт. | 654 р. |
| Запросить КП на крупный опт |
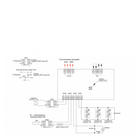
РМ-4К прот.R3 - адресный релейный 4-х контактный модуль предназначен для управления исполнительными устройствами, входящими в состав системы пожарной сигнализации под управлением приемно-контрольного прибора «Рубеж-2 ОП прот.R3».
Адресный релейный модуль является программируемым устройством.
Конфигурация задается пользователем с приемно-контрольного прибора или ПКУ-1 прот.R3.
Модуль контролирует цепь от каждого реле до исполнительных устройств на обрыв и короткое замыкание во включенном и выключенном состоянии реле.
Релейный модуль комплектуется устройством подключения нагрузки (УПН).
Данный модуль представляет собой дистанционно управляемый релейный контакт.
Адресный релейный модуль обеспечивает подключение любых исполнительных устройств АСУТП, управление которыми возможно на релейном уровне, напряжение и ток потребления которых удовлетворяют техническим характеристикам реле.
Кроме этого, релейный модуль позволяет организовать передачу различных состояний системы на стороннее оборудование и ПЦН.
Релейный модуль имеет светодиодную индикацию наличия связи с приемно-контрольным прибором и индикацию включенного состояния реле.
Питание релейного модуля и передача сигналов на приемно-контрольный прибор осуществляются по униполярной адресной линии связи.
Релейный модуль РМ-4К прот.R3 представляет собой четыре отдельных логических устройства и занимает четыре адреса.
Релейный модуль имеет возможность установки на DIN-рейку с помощью специальной крепежной планки (в комплект поставки не входит и комплектуется по отдельному заказу).
Включение реле возможно по различным событиям в системе (зоне), например, пожар, внимание, включение автоматики МПТ, включение модуля пожаротушения, тревога, поставлен на охрану, снят с охраны, лампа, сработка устройств (АМ-1Т, МДУ-1, ШУЗ) и т. д.
- РМ-1К_4К прот.R3 (адрес релей модуль НО и НЗ 1-4вых 250В 2А контроль линии)
- -2 ОП прот. R3 (инстр пользов)
- -2 ОП прот. R3 (ППКОПУ адрес 2ШС по RS-485 до 500 устр)1
- -2 ОП прот. R3 (эксплуа)
Ввиду того, что изделие может быть модифицировано, сведения, представленные на данной странице (изображение, характеристики, документация и т.п.), могут отличаться от фактических особенностей товара. За дополнительной информацией обращайтесь в техническую поддержку.
-
Охранно-пожарная сигнализация
-
Адресные системы
-
Радиоканальные системы
-
Астра-Р (ТЕКО)
-
Астра-РИ (ТЕКО)
-
Астра-РИ-М (ТЕКО)
-
Астра-Прайм (ТЕКО)
-
Астра-Zитадель (ТЕКО)
-
Ладога-РК (Риэлта)
-
С2000Р (Болид)
-
ВЕКТОР-АР (Сибирский Арсенал)
-
ВЕТТА-2020 (Сибирский Арсенал)
-
ГРАНИТ-РК (Сибирский Арсенал)
-
Риф-Ринг-1 (Альтоника)
-
Риф-Ринг-2 (Альтоника)
-
Риф-Ринг-701 (Альтоника)
-
Риф-Ринг-200 (Альтоника)
-
Lonta Optima (Альтоника)
-
Lonta-202 (Альтоника)
-
ACS (GSN)
-
-
GSM системы
-
Приборы приемно-контрольные
-
Извещатели охранные для помещений
-
Извещатели магнитоконтактные
-
Извещатели тревожной сигнализации
-
Извещатели разбития стекла акустические
-
Извещатели разбития стекла ударноконтактные
-
Извещатели движения ультразвуковые
-
Извещатели движения инфракрасные объемные
-
Извещатели движения пассивные инфракрасные поверхностные (штора)
-
Извещатели движения пассивные инфракрасные линейные (коридор)
-
Извещатели движения пассивные инфракрасные потолочные
-
Извещатели движения комбинированные
-
Извещатели совмещенные
-
Извещатели вибрационные и емкостные
-
-
Извещатели охраны периметра
-
Извещатели охраны периметра линейные ИК-активные
-
Извещатели охраны периметра линейные радиоволновые для установки на открытых участках
-
Извещатели охраны периметра ИК-пассивные
-
Извещатели охраны периметра объемные радиоволновые
-
Извещатели охраны периметра комбинированные
-
Извещатели охраны периметра проводно-волновые
-
Извещатели охраны периметра вибрационные
-
-
Извещатели пожарные
-
Извещатели дымовые 2-х проводные
-
Извещатели дымовые 4-х проводные
-
Извещатели дымовые автономные
-
Извещатели дымовые линейные
-
Извещатели дымовые аспирационные
-
Извещатели тепловые максимальные (пороговые)
-
Извещатели тепловые максимально-дифференциальные
-
Извещатели линейные тепловые пожарные
-
Извещатели пламени
-
Извещатели ручные
-
Извещатели комбинированные
-
-
Извещатели аварийные
-
Оповещатели
-
Светильники и аварийное освещение
-
Системы активной защиты
-
Распродажа
-
-
Системы охранного телевидения
-
Системы контроля и управления доступом
-
Домофоны
-
IP-домофония
-
Идентификаторы
-
Кнопки выхода
-
Считыватели
-
Кодовые панели
-
Автономные устройства контроля доступа
-
Сетевые системы контроля доступа
-
Биометрический контроль доступа
-
Системы обратной и диспетчерской связи
-
Замки
-
Электрозащелки
-
Доводчики
-
Турникеты
-
Калитки
-
Ограждения
-
Шлагбаумы
-
Автоматика для ворот
-
Досмотровое оборудование
-
-
Системы оповещения
и управление эвакуацией-
СОУЭ Тромбон
-
СОУЭ Ария (Электротехника и Автоматика)
-
СОУЭ Соната (ВИСТЛ)
-
СОУЭ С (ИП Раченков)
-
СОУЭ МЕТА
-
СОУЭ Октава (Полисервис)
-
СОУЭ Рокот (Сибирский Арсенал)
-
СОУЭ РЕЧОР (РУССБЫТ)
-
СОУЭ РЕЧОР-АТ (АНТИТЕРРОР) (РУССБЫТ)
-
СОУЭ ПКИ-Р (СпецКомИнтегРо)
-
Системы оповещения о пожаре Asenware
-
СОУЭ ROXTON
-
Звуковое оборудование RORSYS
-
СОУЭ JDM
-
СОУЭ MKV
-
СОУЭ ZVON
-
СОУЭ INTER-М
-
-
Взрывозащищенное оборудование
-
Извещатели пожарные взрывозащищенные
-
Извещатели пожарные тепловые резервуарные
-
Извещатели пожарные тепловые точечные
-
Извещатели пожарные тепловые максимально-дифференциальные
-
Извещатели пожарные дымовые
-
Извещатели пожарные комбинированные
-
Извещатели пожарные ручные взрывозащищенные
-
Извещатели пожарные пламени взрывозащищенные
-
Комплектующие к пожарным извещателям
-
-
Извещатели пожарные линейные взрывозащищенные
-
Извещатели охранные взрывозащищенные
-
Извещатели аварийные взрывозащищенные
-
Оповещатели взрывозащищенные
-
Табло оповещения взрывозащищённое
-
Приборы приемно-контрольные и пульты управления взрывозащищенные
-
Адресные взрывозащищенные системы
-
Посты управления взрывозащищенные
-
Системы видеонаблюдения взрывозащищенные
-
Системы контроля доступа взрывозащищенные
-
Громкоговорители взрывозащищенные
-
Коробки коммутационные взрывозащищенные
-
Барьеры искрозащиты
-
Кабельные вводы взрывозащищенные
-
-
Источники вторичного электропитания
-
Расходные и монтажные материалы
-
Средства пожаротушения
-
Первичные средства пожаротушения
-
Порошковое пожаротушение
-
Водяное пожаротушение
-
Аэрозольное пожаротушение
-
Газовое пожаротушение
-
Автономные установки пожаротушения
-
Клапан сброса избыточного давления КСИД
-
Водопенное оборудование
-
Шкафы пожарные
-
Дымоудаление
-
Средства защиты и спасения
-
Знаки безопасности и плакаты
-
-
Сетевое оборудование