Количество ШС
1 (тампер вскрытия)
Тип карт доступа
TM; Mifare; Proximity(125кГц)
Исполнение
Автономный, сетевой
Количество светодиодов, шт.
1
Энергонезависимая память,
1 млн.(карт), 500 тыс.(событий)
Количество поддерживаемых считывателей
2
Реле выходы
2 (НО и НЗ) + 2 (ОК)
Рекомендованный кабель
2-х парный витой (экранир, неэкранир)
Время готовности к работе, с, не более
5
Максимальная длина линии связи, м
5 (ТМ), 150 (Wiegand 26, 58), 1200 (RS-485)
Рабочая скорость передачи, Бит/с
7680; 15360
Интерфейс
Dallas TM; Wiegand 26, 58; RS-485
Тип считывателя (без считывателя-о ключи ТМ-тм карты-к)
TM; Mifare; Proximity(125кГц); код.клавиа.
Датчик положения двери (да нет)
Возможно подкл.(НЗ) - 2шт.
Кнопка выхода (да нет)
Возможно подкл.(НО) - 2 шт.
Тип установки
Накладной горизонт. и вертикаль.
Управление прибором
Перемычками, программир.
Материал
Пластик
Максимально комутируемые напряжение/ток, В/А
Пост. 28/12, перем. 250/6
Режим работы
Постоянный
Цвет
Светло-серый
Индикация
Световая
Тип изделия
Сетевой контроллер устройств считывания кода
Напряжение питания, В
10 - 28
Ток потребления. мА
300
Потребляемая мощность, Вт
3,5
Разъем
Клеммы
Диапазон рабочих температур, °С
-30...+50
Степень защиты, IP
20
Габаритные размеры, мм
165х110х32
Масса, кг
0,3
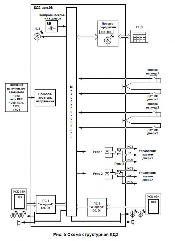
КД2 исп.08
| Количество | Ваша цена | Экономия |
|---|---|---|
| Опт от 3 шт. | 15 030 р./шт. | 1 670 р. |
| Запросить КП на крупный опт |
КД2 исп.08, корпус IP 20 - сетевой/автономный контроллер считывания кода (контроля и управления доступом), а также дистанционной постановки/снятия охранной сигнализации в пластмассовом корпусе, без встроенной консоли управления, со степенью защиты - IP20 входит в состав ИСБ "Индигирка".
Контроллер предназначен для приема управляющих сигналов от: УСК (устройств считывания кода) с выходным интерфейсом (Wiegand 26, 58; Touch Memory) и передачи информации в БЦП Р-08 исп.7У, 8 для дальнейшего управления исполнительными устройствами (электромеханический замок, импульсная защелка, электромагнитный замок, турникет, шлагбаум и пр.).
Также контроллер обеспечивает работу считывателей с клавиатурами с форматом передачи кода клавиши 4-бит, 6-бит, 8-бит, включая Rosslare, а также комбинированные считыватели типа Strazh SR-R 121K и ROSSLARE AC-S73 и аналогичные им.
Данный контроллер обеспечивает совместную работу со считывателями Proximity-карт с выходным интерфейсом (Wiegand 26, 58; Touch Memory) других производителей.
Ввиду того, что изделие может быть модифицировано, сведения, представленные на данной странице (изображение, характеристики, документация и т.п.), могут отличаться от фактических особенностей товара. За дополнительной информацией обращайтесь в техническую поддержку.
-
Охранно-пожарная сигнализация
-
Адресные системы
-
Радиоканальные системы
-
Астра-Р (ТЕКО)
-
Астра-РИ (ТЕКО)
-
Астра-РИ-М (ТЕКО)
-
Астра-Прайм (ТЕКО)
-
Астра-Zитадель (ТЕКО)
-
Ладога-РК (Риэлта)
-
С2000Р (Болид)
-
ВЕКТОР-АР (Сибирский Арсенал)
-
ВЕТТА-2020 (Сибирский Арсенал)
-
ГРАНИТ-РК (Сибирский Арсенал)
-
Риф-Ринг-1 (Альтоника)
-
Риф-Ринг-2 (Альтоника)
-
Риф-Ринг-701 (Альтоника)
-
Риф-Ринг-200 (Альтоника)
-
Lonta Optima (Альтоника)
-
Lonta-202 (Альтоника)
-
ACS (GSN)
-
-
GSM системы
-
Приборы приемно-контрольные
-
Извещатели охранные для помещений
-
Извещатели магнитоконтактные
-
Извещатели тревожной сигнализации
-
Извещатели разбития стекла акустические
-
Извещатели разбития стекла ударноконтактные
-
Извещатели движения ультразвуковые
-
Извещатели движения инфракрасные объемные
-
Извещатели движения пассивные инфракрасные поверхностные (штора)
-
Извещатели движения пассивные инфракрасные линейные (коридор)
-
Извещатели движения пассивные инфракрасные потолочные
-
Извещатели движения комбинированные
-
Извещатели совмещенные
-
Извещатели вибрационные и емкостные
-
-
Извещатели охраны периметра
-
Извещатели охраны периметра линейные ИК-активные
-
Извещатели охраны периметра линейные радиоволновые для установки на открытых участках
-
Извещатели охраны периметра ИК-пассивные
-
Извещатели охраны периметра объемные радиоволновые
-
Извещатели охраны периметра комбинированные
-
Извещатели охраны периметра проводно-волновые
-
Извещатели охраны периметра вибрационные
-
-
Извещатели пожарные
-
Извещатели дымовые 2-х проводные
-
Извещатели дымовые 4-х проводные
-
Извещатели дымовые автономные
-
Извещатели дымовые линейные
-
Извещатели дымовые аспирационные
-
Извещатели тепловые максимальные (пороговые)
-
Извещатели тепловые максимально-дифференциальные
-
Извещатели линейные тепловые пожарные
-
Извещатели пламени
-
Извещатели ручные
-
Извещатели комбинированные
-
-
Извещатели аварийные
-
Оповещатели
-
Светильники и аварийное освещение
-
Системы активной защиты
-
Распродажа
-
-
Системы охранного телевидения
-
Системы контроля и управления доступом
-
Домофоны
-
IP-домофония
-
Идентификаторы
-
Кнопки выхода
-
Считыватели
-
Кодовые панели
-
Автономные устройства контроля доступа
-
Сетевые системы контроля доступа
-
Биометрический контроль доступа
-
Системы обратной и диспетчерской связи
-
Замки
-
Электрозащелки
-
Доводчики
-
Турникеты
-
Калитки
-
Ограждения
-
Шлагбаумы
-
Автоматика для ворот
-
Досмотровое оборудование
-
-
Системы оповещения
и управление эвакуацией-
СОУЭ Тромбон
-
СОУЭ Ария (Электротехника и Автоматика)
-
СОУЭ Соната (ВИСТЛ)
-
СОУЭ С (ИП Раченков)
-
СОУЭ МЕТА
-
СОУЭ Октава (Полисервис)
-
СОУЭ Рокот (Сибирский Арсенал)
-
СОУЭ РЕЧОР (РУССБЫТ)
-
СОУЭ РЕЧОР-АТ (АНТИТЕРРОР) (РУССБЫТ)
-
СОУЭ ПКИ-Р (СпецКомИнтегРо)
-
Системы оповещения о пожаре Asenware
-
СОУЭ ROXTON
-
Звуковое оборудование RORSYS
-
СОУЭ JDM
-
СОУЭ MKV
-
СОУЭ ZVON
-
СОУЭ INTER-М
-
-
Взрывозащищенное оборудование
-
Извещатели пожарные взрывозащищенные
-
Извещатели пожарные тепловые резервуарные
-
Извещатели пожарные тепловые точечные
-
Извещатели пожарные тепловые максимально-дифференциальные
-
Извещатели пожарные дымовые
-
Извещатели пожарные комбинированные
-
Извещатели пожарные ручные взрывозащищенные
-
Извещатели пожарные пламени взрывозащищенные
-
Комплектующие к пожарным извещателям
-
-
Извещатели пожарные линейные взрывозащищенные
-
Извещатели охранные взрывозащищенные
-
Извещатели аварийные взрывозащищенные
-
Оповещатели взрывозащищенные
-
Табло оповещения взрывозащищённое
-
Приборы приемно-контрольные и пульты управления взрывозащищенные
-
Адресные взрывозащищенные системы
-
Посты управления взрывозащищенные
-
Системы видеонаблюдения взрывозащищенные
-
Системы контроля доступа взрывозащищенные
-
Громкоговорители взрывозащищенные
-
Коробки коммутационные взрывозащищенные
-
Барьеры искрозащиты
-
Кабельные вводы взрывозащищенные
-
-
Источники вторичного электропитания
-
Расходные и монтажные материалы
-
Средства пожаротушения
-
Первичные средства пожаротушения
-
Порошковое пожаротушение
-
Водяное пожаротушение
-
Аэрозольное пожаротушение
-
Газовое пожаротушение
-
Автономные установки пожаротушения
-
Клапан сброса избыточного давления КСИД
-
Водопенное оборудование
-
Шкафы пожарные
-
Дымоудаление
-
Средства защиты и спасения
-
Знаки безопасности и плакаты
-
-
Сетевое оборудование