Дальность обнаружения, м
8 - 120
Макс./мин.охраняемая площадь,кв.м
900
Исполнение
1 позиционный,1 блоч. (приёмник+передатчик)+рефлектор-отраж. стандарт
Номинальное сечение жилы,кв.мм
0,2 - 1,5
Инерционность срабатывания, с, не более
10
Реле выходы
2 (НЗ) - электрон. ключ
Подключение
2-х проводное
Порог срабатывания
4 режима (1; 1,5; 2,2 и 3) дБ
Количество светодиодов, шт.
7
Ширина зоны обнаружения, не более, м
9
Управление прибором
Вручную (переключателями)
Устойчивость к внешней засветке, лк
До 12000
Дополнительное оборудование
Есть: ВУОС
Крепление
Есть: крепёж. отверстия
Тип изделия
Извещатель дымовой линейный
Тип установки
Накладной настенный
Материал
Пластик
Индикация
Световая
Тестирование (проверка) работы
Тестером ИПДЛ-52
Напряжение питания, В
10 - 30
Ток потребления. мА
35
Разъем
Клеммы винтовые
Диапазон рабочих температур, °С
-30...+55
Степень защиты, IP
40
Габаритные размеры, мм
Приёмо-перед (135х120х105), рефл-отраж (250х210х15 и 100х100х8)
Масса, кг
0,42 (приёмо-передатчик); 0,45 и 0,07 (рефлектор-отражатель)
Извещатель пожарный дымовой линейный оптический
1 шт
- Главная
- Каталог
- Средства и системы охранно-пожарной сигнализации
- Извещатели пожарные
- Извещатели дымовые линейные
- Извещатель пожарный дымовой линейный оптический ИПДЛ-52СМД (8-120 м)
Извещатель пожарный дымовой линейный оптический ИПДЛ-52СМД (8-120 м)
Артикул: 222948
18 653.60 р./шт.
(с НДС)
0 р.
| Количество | Ваша цена | Экономия |
|---|---|---|
| Опт от 3 шт. | 18 179.40 р./шт. | 474.20 р. |
| Запросить КП на крупный опт |
Извещатель дымовой оптический линейный однопозиционный двухпроводный (8-120 метров)
Характеристики:
Производитель:
ИВС-Сигналспецавтоматика
Описание:
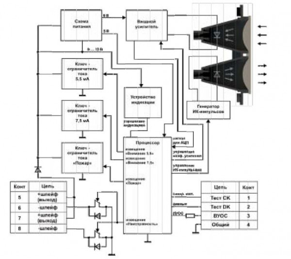
ИП212-52СМД (ИПДЛ-52СМД) (8-120м) - дымовой однопозиционный линейный пожарный извещатель, состоящий из приемо - передатчика и рефлектора - отражателя стандартного, дальностью между ними от 8 до 120м применяется для защиты помещений, имеющих большую площадь, большую протяженность или большую высоту потолков.
Техническая документация
- ИП 212-52СМД (ИПДЛ-52СМД) (линей 8-60_80_100_120м приемо-перед+рефлек-отраж 10-30в 40мА -30+55 IP40)
- Тестер для ИДПЛ-52 разн
Сертификаты
Ввиду того, что изделие может быть модифицировано, сведения, представленные на данной странице (изображение, характеристики, документация и т.п.), могут отличаться от фактических особенностей товара. За дополнительной информацией обращайтесь в техническую поддержку.
Каталог товаров
-
Охранно-пожарная сигнализация
-
Адресные системы
-
Радиоканальные системы
-
Астра-Р (ТЕКО)
-
Астра-РИ (ТЕКО)
-
Астра-РИ-М (ТЕКО)
-
Астра-Прайм (ТЕКО)
-
Астра-Zитадель (ТЕКО)
-
Ладога-РК (Риэлта)
-
С2000Р (Болид)
-
ВЕКТОР-АР (Сибирский Арсенал)
-
ВЕТТА-2020 (Сибирский Арсенал)
-
ГРАНИТ-РК (Сибирский Арсенал)
-
Риф-Ринг-1 (Альтоника)
-
Риф-Ринг-2 (Альтоника)
-
Риф-Ринг-701 (Альтоника)
-
Риф-Ринг-200 (Альтоника)
-
Lonta Optima (Альтоника)
-
Lonta-202 (Альтоника)
-
ACS (GSN)
-
-
GSM системы
-
Приборы приемно-контрольные
-
Извещатели охранные для помещений
-
Извещатели магнитоконтактные
-
Извещатели тревожной сигнализации
-
Извещатели разбития стекла акустические
-
Извещатели разбития стекла ударноконтактные
-
Извещатели движения ультразвуковые
-
Извещатели движения инфракрасные объемные
-
Извещатели движения пассивные инфракрасные поверхностные (штора)
-
Извещатели движения пассивные инфракрасные линейные (коридор)
-
Извещатели движения пассивные инфракрасные потолочные
-
Извещатели движения комбинированные
-
Извещатели совмещенные
-
Извещатели вибрационные и емкостные
-
-
Извещатели охраны периметра
-
Извещатели охраны периметра линейные ИК-активные
-
Извещатели охраны периметра линейные радиоволновые для установки на открытых участках
-
Извещатели охраны периметра ИК-пассивные
-
Извещатели охраны периметра объемные радиоволновые
-
Извещатели охраны периметра комбинированные
-
Извещатели охраны периметра проводно-волновые
-
Извещатели охраны периметра вибрационные
-
-
Извещатели пожарные
-
Извещатели дымовые 2-х проводные
-
Извещатели дымовые 4-х проводные
-
Извещатели дымовые автономные
-
Извещатели дымовые линейные
-
Извещатели дымовые аспирационные
-
Извещатели тепловые максимальные (пороговые)
-
Извещатели тепловые максимально-дифференциальные
-
Извещатели линейные тепловые пожарные
-
Извещатели пламени
-
Извещатели ручные
-
Извещатели комбинированные
-
-
Извещатели аварийные
-
Оповещатели
-
Светильники и аварийное освещение
-
Системы активной защиты
-
Распродажа
-
-
Системы охранного телевидения
-
Системы контроля и управления доступом
-
Домофоны
-
IP-домофония
-
Идентификаторы
-
Кнопки выхода
-
Считыватели
-
Кодовые панели
-
Автономные устройства контроля доступа
-
Сетевые системы контроля доступа
-
Биометрический контроль доступа
-
Системы обратной и диспетчерской связи
-
Замки
-
Электрозащелки
-
Доводчики
-
Турникеты
-
Калитки
-
Ограждения
-
Шлагбаумы
-
Автоматика для ворот
-
Досмотровое оборудование
-
-
Системы оповещения
и управление эвакуацией-
СОУЭ Тромбон
-
СОУЭ Ария (Электротехника и Автоматика)
-
СОУЭ Соната (ВИСТЛ)
-
СОУЭ С (ИП Раченков)
-
СОУЭ МЕТА
-
СОУЭ Октава (Полисервис)
-
СОУЭ Рокот (Сибирский Арсенал)
-
СОУЭ РЕЧОР (РУССБЫТ)
-
СОУЭ РЕЧОР-АТ (АНТИТЕРРОР) (РУССБЫТ)
-
СОУЭ ПКИ-Р (СпецКомИнтегРо)
-
Системы оповещения о пожаре Asenware
-
СОУЭ ROXTON
-
Звуковое оборудование RORSYS
-
СОУЭ JDM
-
СОУЭ MKV
-
СОУЭ ZVON
-
СОУЭ INTER-М
-
-
Взрывозащищенное оборудование
-
Извещатели пожарные взрывозащищенные
-
Извещатели пожарные тепловые резервуарные
-
Извещатели пожарные тепловые точечные
-
Извещатели пожарные тепловые максимально-дифференциальные
-
Извещатели пожарные дымовые
-
Извещатели пожарные комбинированные
-
Извещатели пожарные ручные взрывозащищенные
-
Извещатели пожарные пламени взрывозащищенные
-
Комплектующие к пожарным извещателям
-
-
Извещатели пожарные линейные взрывозащищенные
-
Извещатели охранные взрывозащищенные
-
Извещатели аварийные взрывозащищенные
-
Оповещатели взрывозащищенные
-
Табло оповещения взрывозащищённое
-
Приборы приемно-контрольные и пульты управления взрывозащищенные
-
Адресные взрывозащищенные системы
-
Посты управления взрывозащищенные
-
Системы видеонаблюдения взрывозащищенные
-
Системы контроля доступа взрывозащищенные
-
Громкоговорители взрывозащищенные
-
Коробки коммутационные взрывозащищенные
-
Барьеры искрозащиты
-
Кабельные вводы взрывозащищенные
-
-
Источники вторичного электропитания
-
Расходные и монтажные материалы
-
Средства пожаротушения
-
Первичные средства пожаротушения
-
Порошковое пожаротушение
-
Водяное пожаротушение
-
Аэрозольное пожаротушение
-
Газовое пожаротушение
-
Автономные установки пожаротушения
-
Клапан сброса избыточного давления КСИД
-
Водопенное оборудование
-
Шкафы пожарные
-
Дымоудаление
-
Средства защиты и спасения
-
Знаки безопасности и плакаты
-
-
Сетевое оборудование