Маркировка взрывозащиты
Зависит от гермоввода
Номинальное сечение жилы,кв.мм
До 1,5
Контактное сопротивление, Ом:
0,5
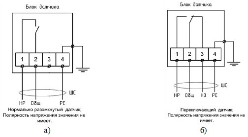
Тип контактов (НО НЗ)
1(НО)
Расстояние отпускания, мм
55 и менее
Максимально комутируемые напряжение/ток, В/А
60/0,25
Расстояние срабатывания, мм
75 и более
Мощность нагрузки,Вт
До 10
Допуск соосности извещателя и магнитного геркона, мм
До 10
Дополнительное оборудование
Есть: магнит М-100
Тип изделия
Извещатель магнитоконтактный (взрывозащищенный с использов. гермовводов)
Режим работы
Круглосуточно
Тип установки
Накладной
Материал
Нерж.сталь
Рекомендованный кабель
С жилами не более 1,5 кв.мм
Разъем
Клеммные зажимы
Диапазон рабочих температур, °С
-60...+70
Степень защиты, IP
68
Габаритные размеры, мм
100х58х37 (магнит); 97х58х37 (геркон)
Масса, кг
0,65 (геркон)+0,48 (магнит)
Извещатель магнитоконтактный
1 шт
- Главная
- Каталог
- Взрывозащищенное оборудование
- Извещатели охранные взрывозащищенные
- Извещатели магнитоконтактные
- Извещатель магнитоконтактный ИО 102-58 N исп.200 с магнитом М-100
Извещатель магнитоконтактный ИО 102-58 N исп.200 с магнитом М-100
ИО 102-58 N исп.200 с магнитом М-100 - извещатель цилиндрической формы охранный точечный магнитоконтактный нормально-открытого типа (НО) контактами исполнительного блока (геркона), в корпусе из нержавеющей стали, сменным кабельным вводом с резьбой М25х1,5 в комплектации с задающим блоком (магнитом) предназначенным для блокировки гаражных ворот, ангаров, железнодорожных контейнеров, телефонных шкафов и других конструктивных магнитопроводящих (металлических) и магнитонепроводящих (алюминиевых, деревянных и т.д.) элементов зданий и сооружений на открывание и смещение с выдачей в шлейф приёмно-контрольного прибора извещения о тревоге путем размыкания контактов геркона.
Блок геркона комплектуется сменными кабельными вводами (указывается и приобретается отдельно при заказе) различных исполнений:
- для открытой прокладки кабеля диаметром 6-12мм (индекс в обозначении К);
- для присоединения бронированного кабеля диаметром 6-12мм (индекс в обозначении B);
- для прокладки присоединяемого кабеля в трубе G1/2 (TG-1/2) или G3/4 (TG-3/4);
- для прокладки присоединяемого кабеля в металлорукаве (КМ15, КМ20).
Извещатель предназначен для открытой установки на поверхности охраняемой конструкции (от -60 до +700 С и IP68).
Срок службы извещателя не менее 8 лет.
- -Контакт ИО 102-58 разн (извещ магнит НО_НЗ обычн с взрыво ввод комут 60В 0,25А -60+70 IP68)
- МКВ разн (кабель вводы взрыво для различ кабелей и ИО-102-58...-60+90 IP68)
- Магнитоконт (взрыво оборуд) 2019г
Ввиду того, что изделие может быть модифицировано, сведения, представленные на данной странице (изображение, характеристики, документация и т.п.), могут отличаться от фактических особенностей товара. За дополнительной информацией обращайтесь в техническую поддержку.
-
Охранно-пожарная сигнализация
-
Адресные системы
-
Радиоканальные системы
-
Астра-Р (ТЕКО)
-
Астра-РИ (ТЕКО)
-
Астра-РИ-М (ТЕКО)
-
Астра-Прайм (ТЕКО)
-
Астра-Zитадель (ТЕКО)
-
Ладога-РК (Риэлта)
-
С2000Р (Болид)
-
ВЕКТОР-АР (Сибирский Арсенал)
-
ВЕТТА-2020 (Сибирский Арсенал)
-
ГРАНИТ-РК (Сибирский Арсенал)
-
Риф-Ринг-1 (Альтоника)
-
Риф-Ринг-2 (Альтоника)
-
Риф-Ринг-701 (Альтоника)
-
Риф-Ринг-200 (Альтоника)
-
Lonta Optima (Альтоника)
-
Lonta-202 (Альтоника)
-
ACS (GSN)
-
-
GSM системы
-
Приборы приемно-контрольные
-
Извещатели охранные для помещений
-
Извещатели магнитоконтактные
-
Извещатели тревожной сигнализации
-
Извещатели разбития стекла акустические
-
Извещатели разбития стекла ударноконтактные
-
Извещатели движения ультразвуковые
-
Извещатели движения инфракрасные объемные
-
Извещатели движения пассивные инфракрасные поверхностные (штора)
-
Извещатели движения пассивные инфракрасные линейные (коридор)
-
Извещатели движения пассивные инфракрасные потолочные
-
Извещатели движения комбинированные
-
Извещатели совмещенные
-
Извещатели вибрационные и емкостные
-
-
Извещатели охраны периметра
-
Извещатели охраны периметра линейные ИК-активные
-
Извещатели охраны периметра линейные радиоволновые для установки на открытых участках
-
Извещатели охраны периметра ИК-пассивные
-
Извещатели охраны периметра объемные радиоволновые
-
Извещатели охраны периметра комбинированные
-
Извещатели охраны периметра проводно-волновые
-
Извещатели охраны периметра вибрационные
-
-
Извещатели пожарные
-
Извещатели дымовые 2-х проводные
-
Извещатели дымовые 4-х проводные
-
Извещатели дымовые автономные
-
Извещатели дымовые линейные
-
Извещатели дымовые аспирационные
-
Извещатели тепловые максимальные (пороговые)
-
Извещатели тепловые максимально-дифференциальные
-
Извещатели линейные тепловые пожарные
-
Извещатели пламени
-
Извещатели ручные
-
Извещатели комбинированные
-
-
Извещатели аварийные
-
Оповещатели
-
Светильники и аварийное освещение
-
Системы активной защиты
-
Распродажа
-
-
Системы охранного телевидения
-
Системы контроля и управления доступом
-
Домофоны
-
IP-домофония
-
Идентификаторы
-
Кнопки выхода
-
Считыватели
-
Кодовые панели
-
Автономные устройства контроля доступа
-
Сетевые системы контроля доступа
-
Биометрический контроль доступа
-
Системы обратной и диспетчерской связи
-
Замки
-
Электрозащелки
-
Доводчики
-
Турникеты
-
Калитки
-
Ограждения
-
Шлагбаумы
-
Автоматика для ворот
-
Досмотровое оборудование
-
-
Системы оповещения
и управление эвакуацией-
СОУЭ Тромбон
-
СОУЭ Ария (Электротехника и Автоматика)
-
СОУЭ Соната (ВИСТЛ)
-
СОУЭ С (ИП Раченков)
-
СОУЭ МЕТА
-
СОУЭ Октава (Полисервис)
-
СОУЭ Рокот (Сибирский Арсенал)
-
СОУЭ РЕЧОР (РУССБЫТ)
-
СОУЭ РЕЧОР-АТ (АНТИТЕРРОР) (РУССБЫТ)
-
СОУЭ ПКИ-Р (СпецКомИнтегРо)
-
Системы оповещения о пожаре Asenware
-
СОУЭ ROXTON
-
Звуковое оборудование RORSYS
-
СОУЭ JDM
-
СОУЭ MKV
-
СОУЭ ZVON
-
СОУЭ INTER-М
-
-
Взрывозащищенное оборудование
-
Извещатели пожарные взрывозащищенные
-
Извещатели пожарные тепловые резервуарные
-
Извещатели пожарные тепловые точечные
-
Извещатели пожарные тепловые максимально-дифференциальные
-
Извещатели пожарные дымовые
-
Извещатели пожарные комбинированные
-
Извещатели пожарные ручные взрывозащищенные
-
Извещатели пожарные пламени взрывозащищенные
-
Комплектующие к пожарным извещателям
-
-
Извещатели пожарные линейные взрывозащищенные
-
Извещатели охранные взрывозащищенные
-
Извещатели аварийные взрывозащищенные
-
Оповещатели взрывозащищенные
-
Табло оповещения взрывозащищённое
-
Приборы приемно-контрольные и пульты управления взрывозащищенные
-
Адресные взрывозащищенные системы
-
Посты управления взрывозащищенные
-
Системы видеонаблюдения взрывозащищенные
-
Системы контроля доступа взрывозащищенные
-
Громкоговорители взрывозащищенные
-
Коробки коммутационные взрывозащищенные
-
Барьеры искрозащиты
-
Кабельные вводы взрывозащищенные
-
-
Источники вторичного электропитания
-
Расходные и монтажные материалы
-
Средства пожаротушения
-
Первичные средства пожаротушения
-
Порошковое пожаротушение
-
Водяное пожаротушение
-
Аэрозольное пожаротушение
-
Газовое пожаротушение
-
Автономные установки пожаротушения
-
Клапан сброса избыточного давления КСИД
-
Водопенное оборудование
-
Шкафы пожарные
-
Дымоудаление
-
Средства защиты и спасения
-
Знаки безопасности и плакаты
-
-
Сетевое оборудование