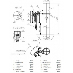
FL-IF-6
Артикул: 219986
Производитель: Систем Сенсор
Данный товар находится в архиве! Возможность поставки уточняйте у менеджера!!!
Комплект сменного воздушного фильтра( уп.6 шт)
Ввиду того, что изделие может быть модифицировано, сведения, представленные на данной странице (изображение, характеристики, документация и т.п.), могут отличаться от фактических особенностей товара. За дополнительной информацией обращайтесь в техническую поддержку.

