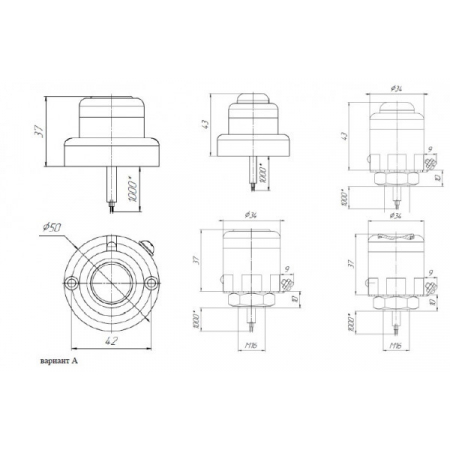
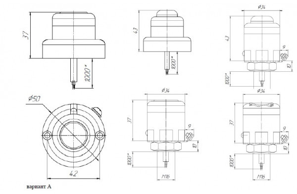
Ех ВК200 (вариант А)
Ех ВК200 (вариант А) - кнопка управления различным оборудованием взрывозащищённая - указать в заказе (0ExiaIICT6...T5GaX - искробезопасная/1ExmbIICT6...T5GbX - герметизация компаундом) магнитогерконовая, степенью защиты (IP66/68), с нормально-открытого типа (НО) контактами, с встроенным светодиодом, в корпусе из нержавеющей стали (12Х18Н10Т), с проводным выводом (через отверстие в основании корпуса - для скрытой прокладки) в обычной изоляции и длиной 1 м (под заказ - другая длина), для поверхностного/врезного монтажа (указать в заказе), с нажимным элементом 3-х видов: «выступающий», «в уровень с корпусом» или "вдавленный" - указать в заказе.
Светодиодный индикатор управляется от внешнего контроллера.
Кнопка может быть установлена в помещениях, содержащих взрывоопасные смеси газов и паров с воздухом категории IIB, IIC, согласно ГОСТ IEC 60079-10-1-2011, ГОСТ Р МЭК 60079-20-1-2011, других нормативных документов, регламентирующих применение электрооборудования во взрывоопасных зонах.
Корпус кнопки оснащен внешним элементом заземления.
Средний срок службы кнопки - не менее 8 лет.





