Количество выходов
1
Коэффициент вероятности безотказной работы, не менее
0,98
Количество входов
1
Количество светодиодов, шт.
7
Подключение
8-и проводное
Материал
ABS-пластик
Максимальная длина линии связи, м
До 100
Цвет
Жёлтый+серый
Индикация
Световая и звуковая
Тип изделия
Элемент дистанционного управления адресный
Напряжение питания, В
9 - 30
Ток потребления. мА
20
Потребляемая мощность, Вт
0,5
Разъем
Разъем- 4кл., клеммы
Диапазон рабочих температур, °С
-10...+55
Степень защиты, IP
40
Габаритные размеры, мм
87х90х45
Масса, кг
0,1
ЭДУ-ПТ
| Количество | Ваша цена | Экономия |
|---|---|---|
| Опт от 14 шт. | 3 137 р./шт. | 511 р. |
| Запросить КП на крупный опт |
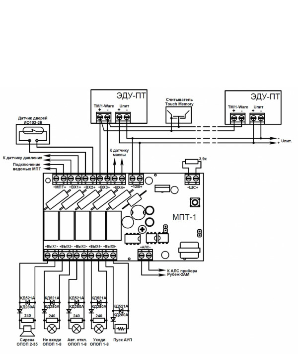
ЭДУ -ПТ - элемент дистанционного управления предназначен для дистанционного управления режимами работы модуля пожаротушения МПТ-1.
Элемент дистанционного управления выдает команды модулю МПТ-1, к которому он подключен, по нажатию кнопок на лицевой панели.
Элемент дистанционного управления обеспечивает:
- выдачу команды модулю МПТ-1 на запуск пожаротушения по нажатию кнопки «ПУСК»;
- выдачу команды модулю МПТ-1 на отмену запуска пожаротушения (остановку) по нажатию кнопки «СТОП»;
- тестирование работоспособности светодиодов и зуммера по нажатию кнопки «ТЕСТ»;
- светодиодную индикацию состояния и режима работы модуля МПТ-1, к которому подключен ЭДУ-ПТ;
- звуковую сигнализацию при запуске пожаротушения на МПТ-1.
Остановка пожаротушения по нажатию кнопки «СТОП» возможна только в случае, когда МПТ-1 находится в режиме запуска тушения.
При запуске МПТ-1, когда начинается отсчет задержи на пуск тушения, ЭДУ-ПТ выдает прерывистый звуковой сигнал с частотой 1Гц.
Частота повторения сигнала увеличивается по мере завершения отсчета времени задержки.
При произошедшем запуске тушения звуковой сигнал становится непрерывным.
К одному модулю МПТ-1 в линию ТМ/1-Ware (вход 3) можно подключить до 4-х элементов ЭДУ-ПТ.
Каждый ЭДУ-ПТ имеет адрес в линии для отображения на ППКП, с какого конкретно ЭДУ-ПТ производится управление.
Адрес ЭДУ-ПТ задается с помощью перемычки, расположенной на плате устройства.
ЭДУ-ПТ имеет на лицевой панели 7 светодиодных индикаторов:
- ПОЖАР - светится при наличии пожара в зоне с МПТ-1.
- АВТ.ОТКЛ. - светится, если МПТ-1 находится в режиме «Автоматика отключена».
- НЕИСПР. - светится при наличии неисправности на МПТ-1.
- БЛК/ЗД - светится при блокировки пуска на МПТ-1 и мигает при отсчете задержки пуска тушения на МПТ-1.
- СВЯЗЬ/ПИТАНИЕ - светится при наличии питания на ЭДУ-ПТ и наличии связи ЭДУ-ПТ с МПТ-1, мигает при отсутствии связи с МПТ-1.
- ПУСК - мигает с постоянно увеличивающейся частотой при пуске МПТ-1, пока идет отсчет времени задержки на пуск тушения, и светится при произошедшем запуске тушения.
- СТОП - постоянно светится при нажатии кнопки СТОП.
Ввиду того, что изделие может быть модифицировано, сведения, представленные на данной странице (изображение, характеристики, документация и т.п.), могут отличаться от фактических особенностей товара. За дополнительной информацией обращайтесь в техническую поддержку.
-
Охранно-пожарная сигнализация
-
Адресные системы
-
Радиоканальные системы
-
Астра-Р (ТЕКО)
-
Астра-РИ (ТЕКО)
-
Астра-РИ-М (ТЕКО)
-
Астра-Прайм (ТЕКО)
-
Астра-Zитадель (ТЕКО)
-
Ладога-РК (Риэлта)
-
С2000Р (Болид)
-
ВЕКТОР-АР (Сибирский Арсенал)
-
ВЕТТА-2020 (Сибирский Арсенал)
-
ГРАНИТ-РК (Сибирский Арсенал)
-
Риф-Ринг-1 (Альтоника)
-
Риф-Ринг-2 (Альтоника)
-
Риф-Ринг-701 (Альтоника)
-
Риф-Ринг-200 (Альтоника)
-
Lonta Optima (Альтоника)
-
Lonta-202 (Альтоника)
-
ACS (GSN)
-
-
GSM системы
-
Приборы приемно-контрольные
-
Извещатели охранные для помещений
-
Извещатели магнитоконтактные
-
Извещатели тревожной сигнализации
-
Извещатели разбития стекла акустические
-
Извещатели разбития стекла ударноконтактные
-
Извещатели движения ультразвуковые
-
Извещатели движения инфракрасные объемные
-
Извещатели движения пассивные инфракрасные поверхностные (штора)
-
Извещатели движения пассивные инфракрасные линейные (коридор)
-
Извещатели движения пассивные инфракрасные потолочные
-
Извещатели движения комбинированные
-
Извещатели совмещенные
-
Извещатели вибрационные и емкостные
-
-
Извещатели охраны периметра
-
Извещатели охраны периметра линейные ИК-активные
-
Извещатели охраны периметра линейные радиоволновые для установки на открытых участках
-
Извещатели охраны периметра ИК-пассивные
-
Извещатели охраны периметра объемные радиоволновые
-
Извещатели охраны периметра комбинированные
-
Извещатели охраны периметра проводно-волновые
-
Извещатели охраны периметра вибрационные
-
-
Извещатели пожарные
-
Извещатели дымовые 2-х проводные
-
Извещатели дымовые 4-х проводные
-
Извещатели дымовые автономные
-
Извещатели дымовые линейные
-
Извещатели дымовые аспирационные
-
Извещатели тепловые максимальные (пороговые)
-
Извещатели тепловые максимально-дифференциальные
-
Извещатели линейные тепловые пожарные
-
Извещатели пламени
-
Извещатели ручные
-
Извещатели комбинированные
-
-
Извещатели аварийные
-
Оповещатели
-
Светильники и аварийное освещение
-
Системы активной защиты
-
Распродажа
-
-
Системы охранного телевидения
-
Системы контроля и управления доступом
-
Домофоны
-
IP-домофония
-
Идентификаторы
-
Кнопки выхода
-
Считыватели
-
Кодовые панели
-
Автономные устройства контроля доступа
-
Сетевые системы контроля доступа
-
Биометрический контроль доступа
-
Системы обратной и диспетчерской связи
-
Замки
-
Электрозащелки
-
Доводчики
-
Турникеты
-
Калитки
-
Ограждения
-
Шлагбаумы
-
Автоматика для ворот
-
Досмотровое оборудование
-
-
Системы оповещения
и управление эвакуацией-
СОУЭ Тромбон
-
СОУЭ Ария (Электротехника и Автоматика)
-
СОУЭ Соната (ВИСТЛ)
-
СОУЭ С (ИП Раченков)
-
СОУЭ МЕТА
-
СОУЭ Октава (Полисервис)
-
СОУЭ Рокот (Сибирский Арсенал)
-
СОУЭ РЕЧОР (РУССБЫТ)
-
СОУЭ РЕЧОР-АТ (АНТИТЕРРОР) (РУССБЫТ)
-
СОУЭ ПКИ-Р (СпецКомИнтегРо)
-
Системы оповещения о пожаре Asenware
-
СОУЭ ROXTON
-
Звуковое оборудование RORSYS
-
СОУЭ JDM
-
СОУЭ MKV
-
СОУЭ ZVON
-
СОУЭ INTER-М
-
-
Взрывозащищенное оборудование
-
Извещатели пожарные взрывозащищенные
-
Извещатели пожарные тепловые резервуарные
-
Извещатели пожарные тепловые точечные
-
Извещатели пожарные тепловые максимально-дифференциальные
-
Извещатели пожарные дымовые
-
Извещатели пожарные комбинированные
-
Извещатели пожарные ручные взрывозащищенные
-
Извещатели пожарные пламени взрывозащищенные
-
Комплектующие к пожарным извещателям
-
-
Извещатели пожарные линейные взрывозащищенные
-
Извещатели охранные взрывозащищенные
-
Извещатели аварийные взрывозащищенные
-
Оповещатели взрывозащищенные
-
Табло оповещения взрывозащищённое
-
Приборы приемно-контрольные и пульты управления взрывозащищенные
-
Адресные взрывозащищенные системы
-
Посты управления взрывозащищенные
-
Системы видеонаблюдения взрывозащищенные
-
Системы контроля доступа взрывозащищенные
-
Громкоговорители взрывозащищенные
-
Коробки коммутационные взрывозащищенные
-
Барьеры искрозащиты
-
Кабельные вводы взрывозащищенные
-
-
Источники вторичного электропитания
-
Расходные и монтажные материалы
-
Средства пожаротушения
-
Первичные средства пожаротушения
-
Порошковое пожаротушение
-
Водяное пожаротушение
-
Аэрозольное пожаротушение
-
Газовое пожаротушение
-
Автономные установки пожаротушения
-
Клапан сброса избыточного давления КСИД
-
Водопенное оборудование
-
Шкафы пожарные
-
Дымоудаление
-
Средства защиты и спасения
-
Знаки безопасности и плакаты
-
-
Сетевое оборудование