Маркировка взрывозащиты
0ExiaIICT6Ga или POExiaIMa
Исполнение
Искробезопасный
Тип контактов (НО НЗ)
1 (НО) + 1 (НЗ - тампер)
Расстояние отпускания, мм
100 и менее
Расстояние срабатывания, мм
160 и более
Максимально комутируемые напряжение/ток, В/А
250/2
Диаметр, мм
6 - 10 (кабель)
Материал
Антистатич. пластик
Допуск соосности извещателя и магнитного геркона, мм
До 10
Мощность нагрузки,Вт
До 30
Тип изделия
Извещатель магнитоконтактный взрывозащищенный
Дополнительное оборудование
Кронштейны (К-02 и К-03 приоб)
Режим работы
Круглосуточно
Тип установки
Накладной
Рекомендованный кабель
С медными жилами не менее 0,75 кв.мм
Разъем
Болтовые контакты
Диапазон рабочих температур, °С
-65...+60
Степень защиты, IP
66/68
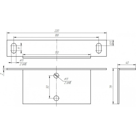
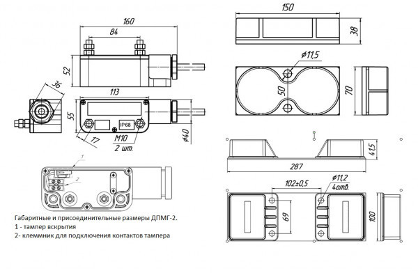
Габаритные размеры, мм
150х70х38 (магнит); 160х55х52 (геркон)
Масса, кг
0,5 (геркон)+2,75 (магнит)
Извещатель магнитоконтактный
1 шт
- Главная
- Каталог
- Взрывозащищенное оборудование
- Извещатели охранные взрывозащищенные
- Извещатели магнитоконтактные
- Извещатель магнитоконтактный ДПМГ-2-100 Ex
Извещатель магнитоконтактный ДПМГ-2-100 Ex
ДПМГ-2-100Ех - извещатель охранный искробезопасный точечный магнитоконтактный взрывозащищённый (0ExiaIICT6Ga/РОExiaIMa) с нормально-открытого типа (НО) контактами, в антистатическом пластиковом корпусе, с болтовыми клеммами для подключения проводных выводов и предназначенным для контроля положения перемещающихся отдельных конструкций и механизмов из магнитопроводных (металлических) и не магнитопроводных (алюминиевых, деревянных и т.д.) материалов при выполнении различных технологических процессов во взрывоопасных зонах на открывание и смещение с выдачей в шлейф приёмно-контрольного прибора извещения о тревоге путем размыкания контактов геркона.
Корпус исполнительного блока извещателей оборудован тампером на вскрытие с выводом контактов тампера на отдельный клеммник.
Срок службы извещателя не менее 8 лет.
Извещатель предназначен для открытой установки на поверхности охраняемой конструкции (от -65 до +600 С и IP66/68).
Контакты датчика ДПМГ-2-100Ех замыкаются при расстоянии между датчиком и магнитом до 100 мм и разомкнуты на расстоянии от 160 мм.
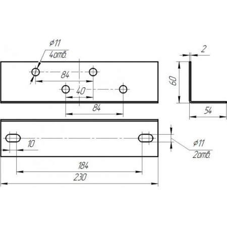
Для монтажа датчиков на поверхность охраняемого/контролируемого объекта рекомендуется применение специализированных крепежно-юстировочных кронштейнов (К 02 для блока магнита) и (К 03 для геркона).
Для обеспечения искробезопасности цепи производитель рекомендует производить подключение датчиков через барьер искрозащиты (БИСШ) АТФЕ.426439.001ТУ или (АБИ) ПАШК.426439.146ТУ (оба маркировки - [Exia]IIC/IIB), удовлетворяющего требованиям ГОСТ 30852.0-2002 (МЭК 60079-0:1998).
Для подключения датчиков в шлейф производитель рекомендует использовать устройство соединительное (УСБ-Ех «СЕВЕР») АТФЕ.685552.001ТУ (маркировка 0ExiaIICT6), удовлетворяющего требованиям ГОСТ 30852.0-2002 (МЭК 60079-0:1998).
- ДПМГ-2 исп. 40_100_200 (магнит Взрыво извещ НО наклад 250в 2А 30Вт -65+60 IP66_68) паспорт 2020г
- Магнитоконт (взрыво оборуд) 2019г
- ДПМГ-2 исп. 40_100_200 (кронштейн К 02 для магнита)
- ДПМГ-2 исп. 40_100_200 (кронштейн К 03 для геркона)
Ввиду того, что изделие может быть модифицировано, сведения, представленные на данной странице (изображение, характеристики, документация и т.п.), могут отличаться от фактических особенностей товара. За дополнительной информацией обращайтесь в техническую поддержку.
-
Охранно-пожарная сигнализация
-
Адресные системы
-
Радиоканальные системы
-
Астра-Р (ТЕКО)
-
Астра-РИ (ТЕКО)
-
Астра-РИ-М (ТЕКО)
-
Астра-Прайм (ТЕКО)
-
Астра-Zитадель (ТЕКО)
-
Ладога-РК (Риэлта)
-
С2000Р (Болид)
-
ВЕКТОР-АР (Сибирский Арсенал)
-
ВЕТТА-2020 (Сибирский Арсенал)
-
ГРАНИТ-РК (Сибирский Арсенал)
-
Риф-Ринг-1 (Альтоника)
-
Риф-Ринг-2 (Альтоника)
-
Риф-Ринг-701 (Альтоника)
-
Риф-Ринг-200 (Альтоника)
-
Lonta Optima (Альтоника)
-
Lonta-202 (Альтоника)
-
ACS (GSN)
-
-
GSM системы
-
Приборы приемно-контрольные
-
Извещатели охранные для помещений
-
Извещатели магнитоконтактные
-
Извещатели тревожной сигнализации
-
Извещатели разбития стекла акустические
-
Извещатели разбития стекла ударноконтактные
-
Извещатели движения ультразвуковые
-
Извещатели движения инфракрасные объемные
-
Извещатели движения пассивные инфракрасные поверхностные (штора)
-
Извещатели движения пассивные инфракрасные линейные (коридор)
-
Извещатели движения пассивные инфракрасные потолочные
-
Извещатели движения комбинированные
-
Извещатели совмещенные
-
Извещатели вибрационные и емкостные
-
-
Извещатели охраны периметра
-
Извещатели охраны периметра линейные ИК-активные
-
Извещатели охраны периметра линейные радиоволновые для установки на открытых участках
-
Извещатели охраны периметра ИК-пассивные
-
Извещатели охраны периметра объемные радиоволновые
-
Извещатели охраны периметра комбинированные
-
Извещатели охраны периметра проводно-волновые
-
Извещатели охраны периметра вибрационные
-
-
Извещатели пожарные
-
Извещатели дымовые 2-х проводные
-
Извещатели дымовые 4-х проводные
-
Извещатели дымовые автономные
-
Извещатели дымовые линейные
-
Извещатели дымовые аспирационные
-
Извещатели тепловые максимальные (пороговые)
-
Извещатели тепловые максимально-дифференциальные
-
Извещатели линейные тепловые пожарные
-
Извещатели пламени
-
Извещатели ручные
-
Извещатели комбинированные
-
-
Извещатели аварийные
-
Оповещатели
-
Светильники и аварийное освещение
-
Системы активной защиты
-
Распродажа
-
-
Системы охранного телевидения
-
Системы контроля и управления доступом
-
Домофоны
-
IP-домофония
-
Идентификаторы
-
Кнопки выхода
-
Считыватели
-
Кодовые панели
-
Автономные устройства контроля доступа
-
Сетевые системы контроля доступа
-
Биометрический контроль доступа
-
Системы обратной и диспетчерской связи
-
Замки
-
Электрозащелки
-
Доводчики
-
Турникеты
-
Калитки
-
Ограждения
-
Шлагбаумы
-
Автоматика для ворот
-
Досмотровое оборудование
-
-
Системы оповещения
и управление эвакуацией-
СОУЭ Тромбон
-
СОУЭ Ария (Электротехника и Автоматика)
-
СОУЭ Соната (ВИСТЛ)
-
СОУЭ С (ИП Раченков)
-
СОУЭ МЕТА
-
СОУЭ Октава (Полисервис)
-
СОУЭ Рокот (Сибирский Арсенал)
-
СОУЭ РЕЧОР (РУССБЫТ)
-
СОУЭ РЕЧОР-АТ (АНТИТЕРРОР) (РУССБЫТ)
-
СОУЭ ПКИ-Р (СпецКомИнтегРо)
-
Системы оповещения о пожаре Asenware
-
СОУЭ ROXTON
-
Звуковое оборудование RORSYS
-
СОУЭ JDM
-
СОУЭ MKV
-
СОУЭ ZVON
-
СОУЭ INTER-М
-
-
Взрывозащищенное оборудование
-
Извещатели пожарные взрывозащищенные
-
Извещатели пожарные тепловые резервуарные
-
Извещатели пожарные тепловые точечные
-
Извещатели пожарные тепловые максимально-дифференциальные
-
Извещатели пожарные дымовые
-
Извещатели пожарные комбинированные
-
Извещатели пожарные ручные взрывозащищенные
-
Извещатели пожарные пламени взрывозащищенные
-
Комплектующие к пожарным извещателям
-
-
Извещатели пожарные линейные взрывозащищенные
-
Извещатели охранные взрывозащищенные
-
Извещатели аварийные взрывозащищенные
-
Оповещатели взрывозащищенные
-
Табло оповещения взрывозащищённое
-
Приборы приемно-контрольные и пульты управления взрывозащищенные
-
Адресные взрывозащищенные системы
-
Посты управления взрывозащищенные
-
Системы видеонаблюдения взрывозащищенные
-
Системы контроля доступа взрывозащищенные
-
Громкоговорители взрывозащищенные
-
Коробки коммутационные взрывозащищенные
-
Барьеры искрозащиты
-
Кабельные вводы взрывозащищенные
-
-
Источники вторичного электропитания
-
Расходные и монтажные материалы
-
Средства пожаротушения
-
Первичные средства пожаротушения
-
Порошковое пожаротушение
-
Водяное пожаротушение
-
Аэрозольное пожаротушение
-
Газовое пожаротушение
-
Автономные установки пожаротушения
-
Клапан сброса избыточного давления КСИД
-
Водопенное оборудование
-
Шкафы пожарные
-
Дымоудаление
-
Средства защиты и спасения
-
Знаки безопасности и плакаты
-
-
Сетевое оборудование