Количество абонентов
100
Разрешение
0,8 МП (1024х768)=700 ТВЛ
Дальность ИК-подсветки, м, до
0,5
Угол обзора,град.
90
Чувствительность, лк
0 (ИК)
Встроенная камера
Да
Количество светодиодов, шт.
1
Реле выходы
1 (НО и НЗ)
Количество клавиш управления
12
Подключение
12-и проводное
Максимально комутируемые напряжение/ток, В/А
12/1
Максимальное количество ключей
600
Встроенный считыватель
Em-Marine,Touch Memory
Система
PAL
Рекомендованный кабель
RG-59/RG-6
Тип считывателя (без считывателя-о ключи ТМ-тм карты-к)
VIZIT-RF2.x (125 кГц), TM (DS1990A)
День/Ночь
Авто
Тип изделия
Блок вызова
Цвет
Бронза
Тип установки
Врезной
Встроенная ИК подсветка
Да
Материал
Металл
Индикация
Световая и звуковая
Напряжение питания, В
18 - 26
Ток потребления. мА
300
Потребляемая мощность, Вт
6,6
Диапазон рабочих температур, °С
-30...+45
Степень защиты, IP
54
Габаритные размеры, мм
248х128х45
Масса, кг
0,8
Домофон многоабонентный
1 шт
- Главная
- Каталог
- Средства и системы контроля и управления доступом
- Домофоны
- Домофоны многоабонентные
- Домофон многоабонентный БВД-N101RTCP
Домофон многоабонентный БВД-N101RTCP
Артикул: 83221
13 558.60 р./шт.
(с НДС)
0 р.
| Количество | Ваша цена | Экономия |
|---|---|---|
| Опт от 4 шт. | 12 993.60 р./шт. | 565 р. |
| Запросить КП на крупный опт |
Блок вызова до 100 абонентов. Встроенная телекамера цветного изображения с функцией День-ночь (700 tvl, PAL, 0 Lux / ИК подсветка для телекамеры, объектив PINHOLE 90 ). Функции кодового замка, контроллера ключей TOUCH MEMORY и RF (100 индивидуальных кодов, 600 ключей VIZIT-TM и/или VIZIT-RF2). Светодиодный дисплей. Подсветка клавиатуры.
Характеристики:
Производитель:
Модус-Н
Описание:
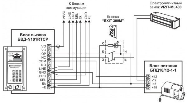
БВД-N101RTCP - блок вызова домофона на 100 абонентов используется совместно с блоком питания БПД18/12-1-1 как составная часть многоквартирного видеодомофона VIZIT.
Особенности:
- металлический корпус, антивандальное исполнение;
- шильды-панели из нержавеющей стали;
- лазерная гравировка инструкции по пользованию;
- подсветка клавиатуры;
- подсветка инструкции по пользованию;
- 4-х разрядный светодиодный индикатор;
- встроенные считыватели ключей VIZIT-TM (iButton) и VIZIT-RF2 (RFID-125kHz);
- дуплексная громкоговорящая связь;
- визуальный контроль обстановки перед блоком вызова;
- встроенная телекамера с функцией "День-ночь" (PAL, 700 TVL, 0 Lux, объектив PINHOLE 90°);
- IR LED подсветка для телекамеры;
- память на 600 ключей VIZIT-RF2 и/или VIZIT-TM;
- количество ключей на один номер квартиры - 6;
- световая и звуковая индикация режимов работы;
- возможность выключения вызова отдельных квартир;
- работа с пультом конcьержа VIZIT;
- напряжение питания, В: 18 - 26;
- потребляемый ток, А, не более: 0,3;
- габаритные размеры, мм, (ВхШхГ) - 248х128х45;
- вариант установки - врезной;
- диапазон рабочих температур, °С - от - 30 до + 45.
Совместимые устройства:
- Модификации кнопок управления выходом EXIT: EXIT 300M, EXIT 500.
- Модификации VIZIT-M404: VIZIT-M404C, VIZIT-M404CМ.
- VIZIT-M427C.
- Модификации VIZIT-M440: VIZIT-M440C, VIZIT-M440CM.
- Модификации VIZIT-RF:VIZIT-RF2.2-black, VIZIT-RF2.2-brown, VIZIT-RF2.2-red.
- Модификации VIZIT-M456: VIZIT-М456C, VIZIT-М456CM.
- БК-10.
- МодификацииБК-100: БК-100М.
- МодификацииБК-30: БК-30М.
- Модификации БК-4: БК-4М, БК-4МV, БК-4МVE.
- Блок коммутации монитора БКМ-444.
- Модификации БПД18/12: БПД18/12-1-1.
- РВС-2.
- РВС-4.
Техническая документация
Сертификаты
Ввиду того, что изделие может быть модифицировано, сведения, представленные на данной странице (изображение, характеристики, документация и т.п.), могут отличаться от фактических особенностей товара. За дополнительной информацией обращайтесь в техническую поддержку.
Каталог товаров
-
Охранно-пожарная сигнализация
-
Адресные системы
-
Радиоканальные системы
-
Астра-Р (ТЕКО)
-
Астра-РИ (ТЕКО)
-
Астра-РИ-М (ТЕКО)
-
Астра-Прайм (ТЕКО)
-
Астра-Zитадель (ТЕКО)
-
Ладога-РК (Риэлта)
-
С2000Р (Болид)
-
ВЕКТОР-АР (Сибирский Арсенал)
-
ВЕТТА-2020 (Сибирский Арсенал)
-
ГРАНИТ-РК (Сибирский Арсенал)
-
Риф-Ринг-1 (Альтоника)
-
Риф-Ринг-2 (Альтоника)
-
Риф-Ринг-701 (Альтоника)
-
Риф-Ринг-200 (Альтоника)
-
Lonta Optima (Альтоника)
-
Lonta-202 (Альтоника)
-
ACS (GSN)
-
-
GSM системы
-
Приборы приемно-контрольные
-
Извещатели охранные для помещений
-
Извещатели магнитоконтактные
-
Извещатели тревожной сигнализации
-
Извещатели разбития стекла акустические
-
Извещатели разбития стекла ударноконтактные
-
Извещатели движения ультразвуковые
-
Извещатели движения инфракрасные объемные
-
Извещатели движения пассивные инфракрасные поверхностные (штора)
-
Извещатели движения пассивные инфракрасные линейные (коридор)
-
Извещатели движения пассивные инфракрасные потолочные
-
Извещатели движения комбинированные
-
Извещатели совмещенные
-
Извещатели вибрационные и емкостные
-
-
Извещатели охраны периметра
-
Извещатели охраны периметра линейные ИК-активные
-
Извещатели охраны периметра линейные радиоволновые для установки на открытых участках
-
Извещатели охраны периметра ИК-пассивные
-
Извещатели охраны периметра объемные радиоволновые
-
Извещатели охраны периметра комбинированные
-
Извещатели охраны периметра проводно-волновые
-
Извещатели охраны периметра вибрационные
-
-
Извещатели пожарные
-
Извещатели дымовые 2-х проводные
-
Извещатели дымовые 4-х проводные
-
Извещатели дымовые автономные
-
Извещатели дымовые линейные
-
Извещатели дымовые аспирационные
-
Извещатели тепловые максимальные (пороговые)
-
Извещатели тепловые максимально-дифференциальные
-
Извещатели линейные тепловые пожарные
-
Извещатели пламени
-
Извещатели ручные
-
Извещатели комбинированные
-
-
Извещатели аварийные
-
Оповещатели
-
Светильники и аварийное освещение
-
Системы активной защиты
-
Распродажа
-
-
Системы охранного телевидения
-
Системы контроля и управления доступом
-
Домофоны
-
IP-домофония
-
Идентификаторы
-
Кнопки выхода
-
Считыватели
-
Кодовые панели
-
Автономные устройства контроля доступа
-
Сетевые системы контроля доступа
-
Биометрический контроль доступа
-
Системы обратной и диспетчерской связи
-
Замки
-
Электрозащелки
-
Доводчики
-
Турникеты
-
Калитки
-
Ограждения
-
Шлагбаумы
-
Автоматика для ворот
-
Досмотровое оборудование
-
-
Системы оповещения
и управление эвакуацией-
СОУЭ Тромбон
-
СОУЭ Ария (Электротехника и Автоматика)
-
СОУЭ Соната (ВИСТЛ)
-
СОУЭ С (ИП Раченков)
-
СОУЭ МЕТА
-
СОУЭ Октава (Полисервис)
-
СОУЭ Рокот (Сибирский Арсенал)
-
СОУЭ РЕЧОР (РУССБЫТ)
-
СОУЭ РЕЧОР-АТ (АНТИТЕРРОР) (РУССБЫТ)
-
СОУЭ ПКИ-Р (СпецКомИнтегРо)
-
Системы оповещения о пожаре Asenware
-
СОУЭ ROXTON
-
Звуковое оборудование RORSYS
-
СОУЭ JDM
-
СОУЭ MKV
-
СОУЭ ZVON
-
СОУЭ INTER-М
-
-
Взрывозащищенное оборудование
-
Извещатели пожарные взрывозащищенные
-
Извещатели пожарные тепловые резервуарные
-
Извещатели пожарные тепловые точечные
-
Извещатели пожарные тепловые максимально-дифференциальные
-
Извещатели пожарные дымовые
-
Извещатели пожарные комбинированные
-
Извещатели пожарные ручные взрывозащищенные
-
Извещатели пожарные пламени взрывозащищенные
-
Комплектующие к пожарным извещателям
-
-
Извещатели пожарные линейные взрывозащищенные
-
Извещатели охранные взрывозащищенные
-
Извещатели аварийные взрывозащищенные
-
Оповещатели взрывозащищенные
-
Табло оповещения взрывозащищённое
-
Приборы приемно-контрольные и пульты управления взрывозащищенные
-
Адресные взрывозащищенные системы
-
Посты управления взрывозащищенные
-
Системы видеонаблюдения взрывозащищенные
-
Системы контроля доступа взрывозащищенные
-
Громкоговорители взрывозащищенные
-
Коробки коммутационные взрывозащищенные
-
Барьеры искрозащиты
-
Кабельные вводы взрывозащищенные
-
-
Источники вторичного электропитания
-
Расходные и монтажные материалы
-
Средства пожаротушения
-
Первичные средства пожаротушения
-
Порошковое пожаротушение
-
Водяное пожаротушение
-
Аэрозольное пожаротушение
-
Газовое пожаротушение
-
Автономные установки пожаротушения
-
Клапан сброса избыточного давления КСИД
-
Водопенное оборудование
-
Шкафы пожарные
-
Дымоудаление
-
Средства защиты и спасения
-
Знаки безопасности и плакаты
-
-
Сетевое оборудование