Количество ШС
1
Выходное напряжение, В
19,5; 7 - 36 (пуск)
Номинальный ток выхода, А
0,26
Маркировка взрывозащиты
ExiаIIC
Исполнение
Искробезопасный
Выходная мощность, Вт (ВА)
0,35 (0,6)
Номинальное сопротивление выносного резистора, кОм
2
Режим работы
2 (контроль, пуск)
Количество светодиодов, шт.
4
Реле выходы
4 (НО или НЗ) прогр.
Максимально комутируемые напряжение/ток, В/А
50/0,05
Диаметр, мм
До 8 (вводной кабель)
Дополнительное оборудование
Есть: кабель. вводы
по исполнению ввода
На 3-и кабельных ввода
Крепление
На горизонтальную и вертикальную поверхности
Материал
Пластик
Управление прибором
Программир.
Рекомендованный кабель
С жилами не более 1 кв.мм
Интеграция с оборудованием или ПО
С любым ППКП (совместим.по искробезоп.)
Индикация
Световая
Тип изделия
Устройство гальванической развязки, взрывозащищённое
Напряжение питания, В
9 - 36
Ток потребления. мА
375
Потребляемая мощность, Вт
4,8
Разъем
Клеммы
Диапазон рабочих температур, °С
-40...+50
Степень защиты, IP
65
Габаритные размеры, мм
234х108х48
Масса, кг
0,5
Барьер искрозащиты
1 шт
- Главная
- Каталог
- Взрывозащищенное оборудование
- Барьеры искрозащиты
- Барьер искрозащиты Блок БИВ УПКОП 135-1-2ПМ
Барьер искрозащиты Блок БИВ УПКОП 135-1-2ПМ
| Количество | Ваша цена | Экономия |
|---|---|---|
| Опт от 5 шт. | 11 954 р./шт. | 320.20 р. |
| Запросить КП на крупный опт |
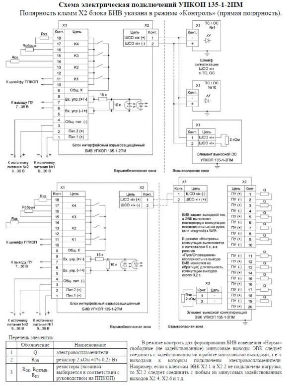
Блок БИВ УПКОП 135-1-2ПМ - устройство интерфейсной гальванической развязки искробезопасных цепей от цепей общего исполнения, взрывозащищённый (ExiаIIC) в пластиковом корпусе, степенью защиты (IP65), обеспечивает контроль искробезопасного шлейфа пожарной и (или) охранной сигнализации, с включенными в него пожарными и (или) охранными извещателями, переключателями, средствами оповещения, не имеющими собственного источника тока, индуктивности, ёмкости и (или) элементом выносным с уровнем взрывозащиты "iа" по ГОСТ22782.5-78, для взрывозащищенного электрооборудования группы II.
Данное устройство установливается только вне взрывоопасных зон помещений и наружных установок, а также вне взрывоопасных зон рудников и шахт, опасных по рудничному газу и горючей пыли.
Срок службы устройства - не менее 10 лет.
Ввиду того, что изделие может быть модифицировано, сведения, представленные на данной странице (изображение, характеристики, документация и т.п.), могут отличаться от фактических особенностей товара. За дополнительной информацией обращайтесь в техническую поддержку.
-
Охранно-пожарная сигнализация
-
Адресные системы
-
Радиоканальные системы
-
Астра-Р (ТЕКО)
-
Астра-РИ (ТЕКО)
-
Астра-РИ-М (ТЕКО)
-
Астра-Прайм (ТЕКО)
-
Астра-Zитадель (ТЕКО)
-
Ладога-РК (Риэлта)
-
С2000Р (Болид)
-
ВЕКТОР-АР (Сибирский Арсенал)
-
ВЕТТА-2020 (Сибирский Арсенал)
-
ГРАНИТ-РК (Сибирский Арсенал)
-
Риф-Ринг-1 (Альтоника)
-
Риф-Ринг-2 (Альтоника)
-
Риф-Ринг-701 (Альтоника)
-
Риф-Ринг-200 (Альтоника)
-
Lonta Optima (Альтоника)
-
Lonta-202 (Альтоника)
-
ACS (GSN)
-
-
GSM системы
-
Приборы приемно-контрольные
-
Извещатели охранные для помещений
-
Извещатели магнитоконтактные
-
Извещатели тревожной сигнализации
-
Извещатели разбития стекла акустические
-
Извещатели разбития стекла ударноконтактные
-
Извещатели движения ультразвуковые
-
Извещатели движения инфракрасные объемные
-
Извещатели движения пассивные инфракрасные поверхностные (штора)
-
Извещатели движения пассивные инфракрасные линейные (коридор)
-
Извещатели движения пассивные инфракрасные потолочные
-
Извещатели движения комбинированные
-
Извещатели совмещенные
-
Извещатели вибрационные и емкостные
-
-
Извещатели охраны периметра
-
Извещатели охраны периметра линейные ИК-активные
-
Извещатели охраны периметра линейные радиоволновые для установки на открытых участках
-
Извещатели охраны периметра ИК-пассивные
-
Извещатели охраны периметра объемные радиоволновые
-
Извещатели охраны периметра комбинированные
-
Извещатели охраны периметра проводно-волновые
-
Извещатели охраны периметра вибрационные
-
-
Извещатели пожарные
-
Извещатели дымовые 2-х проводные
-
Извещатели дымовые 4-х проводные
-
Извещатели дымовые автономные
-
Извещатели дымовые линейные
-
Извещатели дымовые аспирационные
-
Извещатели тепловые максимальные (пороговые)
-
Извещатели тепловые максимально-дифференциальные
-
Извещатели линейные тепловые пожарные
-
Извещатели пламени
-
Извещатели ручные
-
Извещатели комбинированные
-
-
Извещатели аварийные
-
Оповещатели
-
Светильники и аварийное освещение
-
Системы активной защиты
-
Распродажа
-
-
Системы охранного телевидения
-
Системы контроля и управления доступом
-
Домофоны
-
IP-домофония
-
Идентификаторы
-
Кнопки выхода
-
Считыватели
-
Кодовые панели
-
Автономные устройства контроля доступа
-
Сетевые системы контроля доступа
-
Биометрический контроль доступа
-
Системы обратной и диспетчерской связи
-
Замки
-
Электрозащелки
-
Доводчики
-
Турникеты
-
Калитки
-
Ограждения
-
Шлагбаумы
-
Автоматика для ворот
-
Досмотровое оборудование
-
-
Системы оповещения
и управление эвакуацией-
СОУЭ Тромбон
-
СОУЭ Ария (Электротехника и Автоматика)
-
СОУЭ Соната (ВИСТЛ)
-
СОУЭ С (ИП Раченков)
-
СОУЭ МЕТА
-
СОУЭ Октава (Полисервис)
-
СОУЭ Рокот (Сибирский Арсенал)
-
СОУЭ РЕЧОР (РУССБЫТ)
-
СОУЭ РЕЧОР-АТ (АНТИТЕРРОР) (РУССБЫТ)
-
СОУЭ ПКИ-Р (СпецКомИнтегРо)
-
Системы оповещения о пожаре Asenware
-
СОУЭ ROXTON
-
Звуковое оборудование RORSYS
-
СОУЭ JDM
-
СОУЭ MKV
-
СОУЭ ZVON
-
СОУЭ INTER-М
-
-
Взрывозащищенное оборудование
-
Извещатели пожарные взрывозащищенные
-
Извещатели пожарные тепловые резервуарные
-
Извещатели пожарные тепловые точечные
-
Извещатели пожарные тепловые максимально-дифференциальные
-
Извещатели пожарные дымовые
-
Извещатели пожарные комбинированные
-
Извещатели пожарные ручные взрывозащищенные
-
Извещатели пожарные пламени взрывозащищенные
-
Комплектующие к пожарным извещателям
-
-
Извещатели пожарные линейные взрывозащищенные
-
Извещатели охранные взрывозащищенные
-
Извещатели аварийные взрывозащищенные
-
Оповещатели взрывозащищенные
-
Табло оповещения взрывозащищённое
-
Приборы приемно-контрольные и пульты управления взрывозащищенные
-
Адресные взрывозащищенные системы
-
Посты управления взрывозащищенные
-
Системы видеонаблюдения взрывозащищенные
-
Системы контроля доступа взрывозащищенные
-
Громкоговорители взрывозащищенные
-
Коробки коммутационные взрывозащищенные
-
Барьеры искрозащиты
-
Кабельные вводы взрывозащищенные
-
-
Источники вторичного электропитания
-
Расходные и монтажные материалы
-
Средства пожаротушения
-
Первичные средства пожаротушения
-
Порошковое пожаротушение
-
Водяное пожаротушение
-
Аэрозольное пожаротушение
-
Газовое пожаротушение
-
Автономные установки пожаротушения
-
Клапан сброса избыточного давления КСИД
-
Водопенное оборудование
-
Шкафы пожарные
-
Дымоудаление
-
Средства защиты и спасения
-
Знаки безопасности и плакаты
-
-
Сетевое оборудование